Запчасти Case 921C (09-14) - HOOD - DOORS, ENGINE (09) - CHASSIS

Схема запчастей Case 921C - (09-14) - HOOD - DOORS, ENGINE (09) - CHASSIS
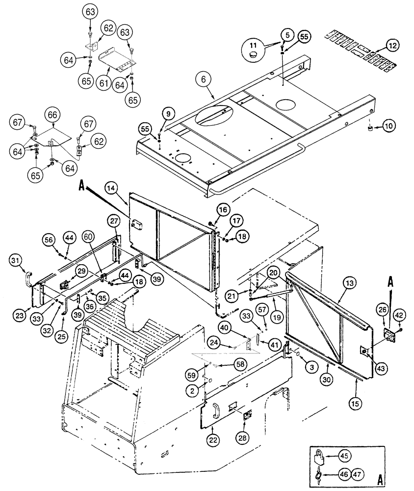
47
58
55
65
2
10
59
28
44
42
41
65
64
33
66
14
44
26
60
61
27
39
18
64
22
15
3
35
62
5
40
13
39
63
67
32
45
20
24
64
62
12
46
25
18
17
33
19
9
29
63
36
56
65
16
21
23
6
43
30
67
57
31
11
55
64
FIT
1:1
100%

Артикул

Название

Примечание

Количество

European Models -JEE0126215

1шт.

2

L126856

RIVET

10шт.

3

107864A1

HITCH DAMPER

4шт.

5

828-10045

BOLT,Hex, M10 x 1.5 x 45mm, Cl 10.9

2шт.

6

320110A1

COWL

No Longer Used, Order 223542A1

1шт.

6

223542A1

COWL

Replaces 320110A1

1шт.

9

627-10035

BOLT,Hex, M10 x 1.5 x 35mm, Cl 10.9, Full Thd

5шт.

10

D76209

SPACER

2шт.

11

353-413

PLUG,Dome, 1.187" hole, Nylon

1-3/16

7шт.

12

D55216

PAD,2" x 9"

2 x 9 in

13шт.

13

184308A1

DOOR

Upper Right Hand, No Longer Used, Order 109549A1

1шт.

13

109549A1

DOOR ASSY.

Upper Right Hand, Replaces 184308A1

1шт.

14

184309A1

DOOR

Upper Left Hand, No Longer Used, Order 109550A1

1шт.

14

109550A1

DOOR ASSY.

Upper Left Hand, Replaces 184309A1

1шт.

15

D60180

STRIP

368 mm (14-1/2 in), Cut From F42827

2шт.

16

433-620

CARRIAGE BOLT,Sq Nk, 3/8" - 16 x 1 1/4", Gr 5

8шт.

17

495-21044

WASHER,3/8"

(7/16 x 1 x 5/64 in)

8шт.

18

425-106

NUT,3/8"-16, Cl 5

12шт.

19

L129243

GAS STRUT,498mm Extended, 321mm Compressed

2шт.

20

1340345C1

BALL STUD

BALL PIN No Longer Used, Order 1304648C1

4шт.

20

1304648C1

STUD

Replaces 1340345C1

4шт.

21

495-11034

WASHER,5/16", SAE

(11/32 x 11/16 x 1/16")

2шт.

22

318863A1

DOOR ASSY.

Lower Right Hand

1шт.

23

318862A1

DOOR ASSY.

Lower Left Hand

1шт.

24

412-514

CARRIAGE BOLT,Short Sq Nk, 5/16" - 18 x 7/8", Gr 2

5/16 x 7/8; 2

4шт.

25

107631A1

STEM

2шт.

26

R56221

LATCH

Upper

2шт.

27

D38500

LINING

249 mm (9-13/16 in), Cut From F42827

4шт.

28

318846A1

LATCH

Lower Right Hand, Includes Lock

1шт.

29

318847A1

LATCH

Lower Left Hand, Includes Lock

1шт.

30

D50357

TUBE

30 in, Cut From F42827, No Longer Used, Order D50352

2шт.

30

D50352

LINING

762 mm (30 in), Cut From F42827, Replaces D50357

2шт.

31

A23725

HANDLE

2шт.

32

426-512

BOLT,Hex, 5/16" - 18 x 3/4", Gr 8

4шт.

33

495-11034

WASHER,5/16", SAE

(11/32 x 11/16 x 1/16")

8шт.

35

426-616

BOLT,Hex, 3/8" - 16 x 1", Gr 8

8шт.

36

496-21041

WASHER,13/32" x 13/16" x .089", HDN

8шт.

39

L129083

SUPPORT

4шт.

40

244223A1

SUPPORT

2шт.

41

242022A1

LARGE PLATE

PLATE, LARGE

2шт.

42

458-412

BOLT,Hex, 1/4" - 20 x 3/4", Gr 5

8шт.

43

231-5344

FLANGE NUT,Flg, 1/4"-20

8шт.

44

496-21041

WASHER,13/32" x 13/16" x .089", HDN

8шт.

45

D93753

PADLOCK

Incl.46, 47, If Used

2шт.

46

D93751

SET OF 2 KEYS

For Yale Padlock Only

2шт.

47

R29555

KEY

For Master Padlock Only

2шт.

55

896-15010

WASHER,11mm ID x 24mm OD x 3mm Thk

11 x 24 x 3 mm

7шт.

56

426-612

BOLT,Hex, 3/8" - 16 x 3/4", Gr 8

4шт.

57

231-1445

NUT,5/16"-18, GB

4шт.

58

461-73816

HEX SOC SCREW,Btn Hd, 3/8"-16 x 1"

3/8 x 1

4шт.

59

496-21041

WASHER,13/32" x 13/16" x .089", HDN

4шт.

60

108330A1

SUPPORT

2шт.

61

L112374

COVER

If Used

1шт.

62

L112314

SUPPORT

1шт.

63

627-10025

BOLT,Hex, M10 x 1.5 x 25mm, Cl 10.9, Full Thd

3шт.

65

832-10410

NUT,M10 x 1.5, Cl 8

2-3шт.

66

L126779

LARGE PLATE

PLATE, LARGE If Used

1шт.

67

627-10030

BOLT,Hex, M10 x 1.5 x 30mm, Cl 10.9, Full Thd

2шт.

64

895-15010

WASHER,11mm ID x 24mm OD x 2mm Thk

3-4шт.

Выбрано товаров: 59