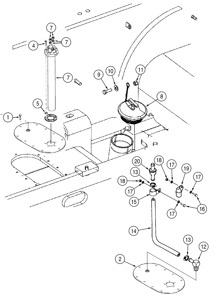
Запчасти Case 921C (03-02) - FUEL TANK FILLER - SENDER (03) - FUEL SYSTEM

Схема запчастей Case 921C - (03-02) - FUEL TANK FILLER - SENDER (03) - FUEL SYSTEM
18
19
13
12
10
4
17
7
15
17
18
5
9
17
14
2
17
1
7
16
13
11
8
20
7
FIT
1:1
100%

Артикул

Название

Примечание

Количество

All Models JEE0126216-

1шт.

1

L108414

BOLT

10шт.

2

349265A1

LARGE PLATE

PLATE, LARGE Tank Access

1шт.

3

100734A1

GASKET,4.6mm Thk

1шт.

4

463-11020

SCREW,Hex Hd, #10-24 x 1 1/4"

5шт.

5

L115306

WASHER

Sealing

5шт.

7

328871A1

FUEL GAUGE

Fuel Level

1шт.

8

178592A1

PLUG

1шт.

11

832-10408

NUT,M8 x 1.25, Cl 8.8

1шт.

12

217-132

90 ELBOW,90 Degree Elbow, 3/8" Hose Barb x 1/4" Male NPTF

1шт.

13

214-1704

HOSE CLAMP,#04, 0.25" - 0.62", Type M Worm

2шт.

14

241174A1

PIPE

1270 mm (50 in), Cut From 32-12X

1шт.

15

515-22159

CLAMP,5/8", Insul, 5/16" Bolt

Mounts to Cooler Frame

1шт.

16

627-8020

BOLT,Hex, M8 x 1.25 x 20mm, Cl 10.9, Full Thd

2шт.

17

896-11008

WASHER,9mm ID x 17mm OD x 2mm Thk

9 x 17 x 2 mm

4шт.

18

829-1408

NUT,Hex, M8 x 1.25, Cl 10.9

2шт.

19

186814A1

CAP

1шт.

20

T103750

BREATHER

1шт.

9

627-8025

BOLT,Hex, M8 x 1.25 x 25mm, Cl 10.9, Full Thd

1шт.

10

895-15008

WASHER,9mm ID x 20mm OD x 1.6mm Thk

1шт.

Выбрано товаров: 20