Запчасти Case 921C (03-08) - PEDAL ASSY - THROTTLE, FOOT (03) - FUEL SYSTEM

Схема запчастей Case 921C - (03-08) - PEDAL ASSY - THROTTLE, FOOT (03) - FUEL SYSTEM
5
7
8
6
1
4
7
1
5
4
3
3
2
4
6
4
4
6
8
3
4
FIT
1:1
100%

Артикул

Название

Примечание

Количество

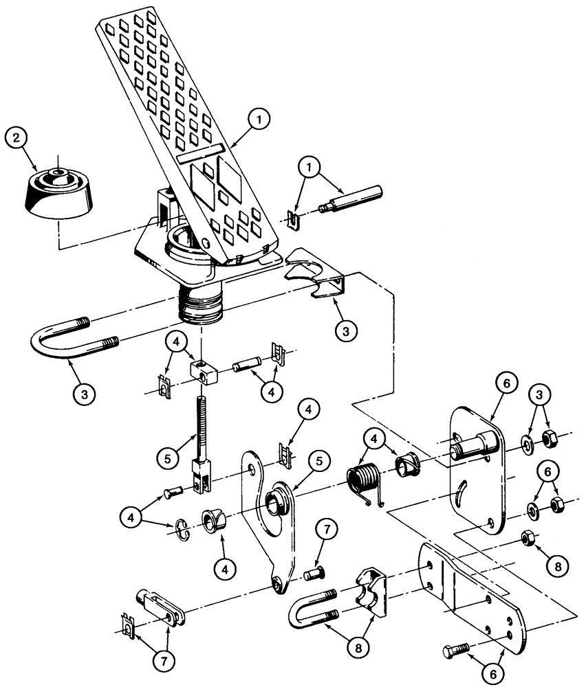
295157A1

PEDAL ASSY.

Incl. 1 - 8

1шт.

1

336463A1

SET OF PARTS

Pedal

1шт.

2

336467A1

SET OF PARTS

Bellows

1шт.

3

336461A1

SET OF PARTS

U-Bolt Assy

1шт.

4

336460A1

KIT

Bearing and Hardware

1шт.

5

336462A1

SET OF PARTS

Lever and Push Rod

1шт.

6

336464A1

SET OF PARTS

Cable Hanger and Support Bracket

1шт.

7

336466A1

SET OF PARTS

Clevis and Hardware

1шт.

8

336465A1

SET OF PARTS

Cable Anchor

1шт.

Note: Component parts in above kits are not serviced separately

1шт.

Nota : L'entretien des pièces des kits ci-dessus se fait séparément.

1шт.

Nota: A las piezas de los componentes en los juegos anteriores no se les realiza el mantenimiento de forma separada.

1шт.

Выбрано товаров: 12