Запчасти Case 921C (04-13) - HARNESS - RIDE CONTROL (04) - ELECTRICAL SYSTEMS

Схема запчастей Case 921C - (04-13) - HARNESS - RIDE CONTROL (04) - ELECTRICAL SYSTEMS
12
2
7
1
5
6a
9
10
8
4
1
b
11
c
3
6
a
4
5
d
cd
b
a
FIT
1:1
100%

Артикул

Название

Примечание

Количество

All North American Loaders

1шт.

European Z-Bar Loader Only

1шт.

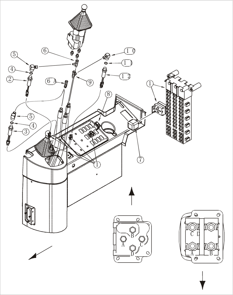
1

242101A5

HARNESS

Cab Main, Replaces 242101A2, 242101A3, 242101A4, -JEE0125745

1шт.

1

429188A2

HARNESS

Cab Main, Replaces 429188A1, JEE0125746-

1шт.

2

132905A1

SWITCH

Bucket Tilt Circuit

1шт.

3

132906A1

SWITCH

Loader Lift Circuit

1шт.

4

237-6008

O-RING,0.087" Thk x 0.644" ID, -908, Cl 6, 90 Duro

2шт.

5

131248A1

ELBOW,90 Degree, 9/16"-18 37 Degree Sw x 3/4"-16 O-Ring Fem

Special

2шт.

6

218-5222

TEE,37 Degree, 9/16"-18, x 9/16"-18, Fem Sw Run

Port C of Controller, See Note

1шт.

6a

218-5222

TEE,37 Degree, 9/16"-18, x 9/16"-18, Fem Sw Run

Port D of Controller, See Note

1шт.

7

326845A1

RELAY,24V

24V

1шт.

8

234198A1

SWITCH

Ride Control, No Longer Used, Order 374425A2

1шт.

8

374425A2

SWITCH

Ride Control

1шт.

9

218-5222

TEE,37 Degree, 9/16"-18, x 9/16"-18, Fem Sw Run

Port A of Controller, See Note

1шт.

10

131248A1

ELBOW,90 Degree, 9/16"-18 37 Degree Sw x 3/4"-16 O-Ring Fem

Special

1шт.

11

237-6008

O-RING,0.087" Thk x 0.644" ID, -908, Cl 6, 90 Duro

1шт.

12

132905A1

SWITCH

Rollback Circuit

1шт.

Note: See arrows on illustration for front direction of machine. See port letters on bottom view of controllers for assembly to proper hydraulic fittings and electrical switches

1шт.

Note: Voir la flèches sur schéma pour déterminer le sens de marche avant de la machine. Voir les caractères sur la partie inferérieure du contrôleur pour les raccords hydrauliques et les contacteurs électriques appropriés.

1шт.

Nota: Ver la flecha en la ilustración para la dirección delantera de la máquina. Ver las letras de los orificios de conexión en el bajo de los controladores para el montaje a los acoplamientos hidráulicos apropiados y para los interruptores eléctrico.

1шт.

Выбрано товаров: 20