Запчасти Case 921C (04-47) - RADIO - MOUNTING (04) - ELECTRICAL SYSTEMS

Схема запчастей Case 921C - (04-47) - RADIO - MOUNTING (04) - ELECTRICAL SYSTEMS
5
13
2
15
14
6
18
22
10
1
3
9
11
22
7
8
21
19
17
4
12
16
FIT
1:1
100%

Артикул

Название

Примечание

Количество

Remote Radio System

1шт.

24 Volt

1шт.

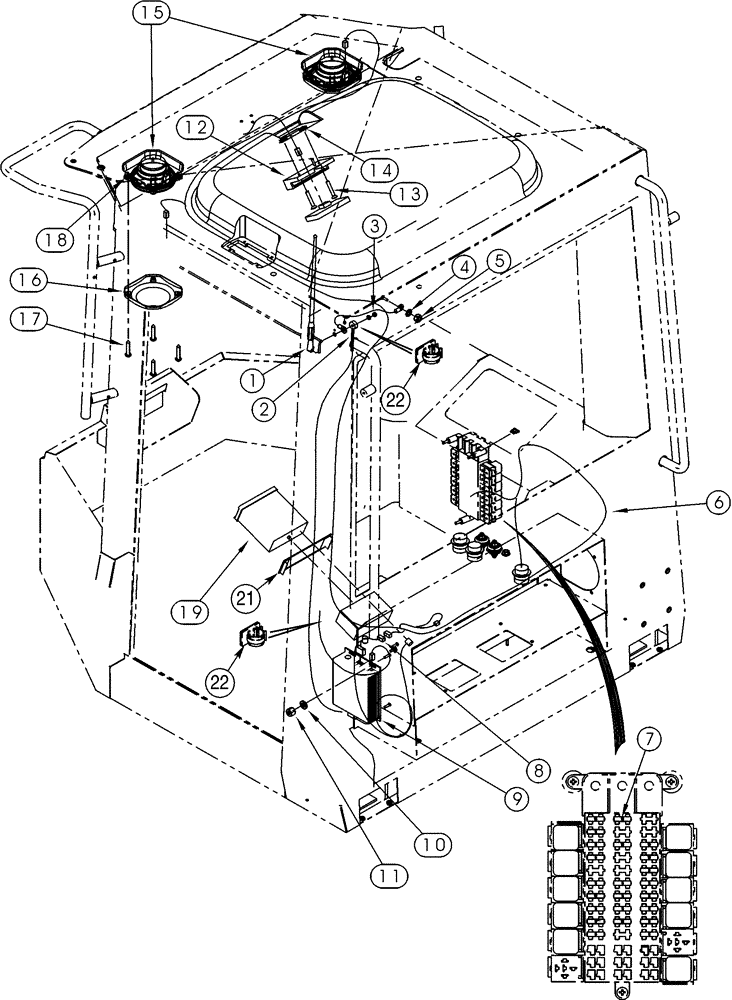
1

197745A1

ANTENNA

1шт.

2

316654A1

CABLE ASSY.

Antenna

1шт.

3

316655A1

GROUND CABLE

1шт.

4

893-11006

LOCK WASHER,Ext Tooth, M6

1шт.

5

829-1406

NUT,Hex, M6 x 1, Cl 10.9

M6; 10.9

1шт.

6

277919A2

HARNESS

Radio, Replaces 277919A1

1шт.

7

A149799

FUSE

7,5 amp

1шт.

8

431942A1

HARNESS

Radio Installation, Replaces 277918A2

1шт.

9

316781A2

RADIO

Main Chassis, 24 Volt, Use Existing Hardware, Replaces 316781A1

1шт.

10

895-11006

WASHER,6.6mm ID x 12mm OD x 1.6mm Thk

No Longer Used

3шт.

11

832-10406

NUT,M6 x 1, Cl 8

No longer used

3шт.

12

186082A1

REMOTE CONTROL

Radio

1шт.

13

842-1425

SCREW,Phillips Drive, Oval HD, M4 x 25mm, Cl 4.8

2шт.

14

302862A1

SPRING NUT,4.2 Thread

2шт.

15

182721A2

SPEAKER

5-1/2

2шт.

16

187281A1

COVER

2шт.

17

761-17325

SELF-TAP SCREW,Pan Hd, M4.2 x 25

8шт.

18

302862A1

SPRING NUT,4.2 Thread

8шт.

19

186084A1

RADIO

24 volt, Tape Player, If Equipped

1шт.

20

L18337

CABLE TIE,9.95"-12.1" lg

CABLE STRAP 15 in

2шт.

21

334569A1

PLATE

1шт.

22

169850C2

CABLE CLIP

2шт.

Выбрано товаров: 24