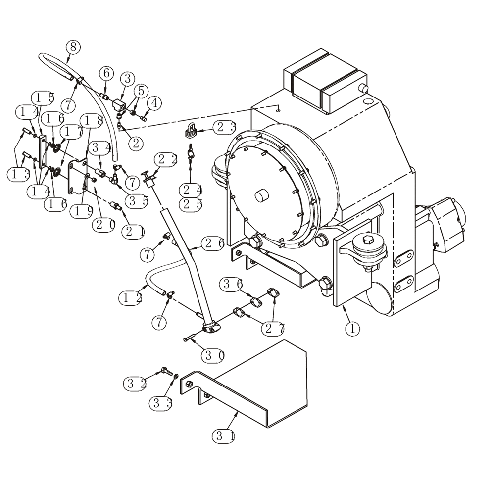
Запчасти Case 921C (06-04) - TRANSMISSION FILL TUBE - GAUGE, SIGHT (06) - POWER TRAIN

Схема запчастей Case 921C - (06-04) - TRANSMISSION FILL TUBE - GAUGE, SIGHT (06) - POWER TRAIN
33
21
16
24
27
16
32
20
3
19
26
23
7
12
13
14
7
25
4
7
36
1
35
34
17
5
6
18
15
8
14
2
22
31
7
30
FIT
1:1
100%

Артикул

Название

Примечание

Количество

1

196175A1

TRANSMISSION

See Figures 06-06 - 06-20, 07-01, No Longer Available, Order 380529A1

1шт.

1

380529A1

TRANSMISSION

See Figure 06-20A - 06-20Q, 07-01A, Replaces 196175A1

1шт.

1

380529A1R

REMAN-TRANSMISSION

Remanufactured Transmission; For N.A. only; 921C, Prior to PIN JEE0155000, Model Number 4WG260, Stock Number 4646 054 010

1шт.

1

380529A1C

CORE-TRANSMISSION

Return number - For N.A. only

1шт.

2

221-103

FITTING

1/8 PT x 1

1шт.

3

221-423

TEE,3/8" NPT

1шт.

4

N14704

BREATHER

Included With Transmission

1шт.

5

221-85

REDUCER,Hex, 3/8" x 1/8" NPT

2шт.

6

217-123

FITTING,1/2" Hose Barb x 3/8" Male NPTF

1шт.

7

214-1406

HOSE CLAMP,#06, 0.44" - 0.78", Type F Worm

4шт.

8

L128676

RADIATOR HOSE,12.70 mm ID x 1150.00, SAE 30R2 Type I

1шт.

12

L71252

HOSE,12.7 mm ID x 508.00 mm, SAE 30R2 Type I

508 mm (20 in)

1шт.

L116247

GAUGE

Sight Gauge, Transmission, Incl. 13 - 16, No Longer Used, Order 86988366, REF 37

2шт.

13

N13213

BOLT

2шт.

14

238-7112

O-RING,0.103" Thk x 0.487" ID, -112, Cl 7, 75 Duro

4шт.

15

NSS

NOT SOLD SEPARAT

Gauge, Order L116247

1шт.

16

829-1412

NUT,M12, Cl 10.9

2шт.

17

131-141

PUSH-ON NUT,.74", Push-on

2шт.

18

L129629

SUPPORT

Sight Gauge

1шт.

19

495-21044

WASHER,3/8"

(7/16 x 1 x 5/64 in)

2шт.

20

231-1446

NUT,3/8" - 16, Gr 5

2шт.

21

L125836

FITTING

Straight, Special, Lower

1шт.

22

L126498

PLUG

Fill Tube, If Used

1шт.

22

349446A1

CAP ASSY.

Fill Tube, If Used

1шт.

23

D93753

PADLOCK

Incl. 24, 25, If Used

1шт.

24

D93751

SET OF 2 KEYS

Yale Lock, If Used

2шт.

25

R29555

KEY

Master Lock, If Used

2шт.

26

235052A1

TUBE,31.75 mm OD

Fill, Transmission

1шт.

27

S300507

GASKET

Fill Tube

2шт.

30

827-8050

BOLT,Hex, M8 x 1.25 x 50mm, Cl 10.9

2шт.

31

256404A1

PROTECTOR

Transmission Fill Tube, North America Only

1шт.

32

627-12040

BOLT,Hex, M12 x 1.75 x 40mm, Cl 10.9, Full Thd

North America Only

3шт.

33

896-15012

WASHER,13.5mm ID x 28mm OD x 4mm Thk

13,5 x 28 x 4 mm, North America Only

3шт.

34

L129630

ADAPTER

Straight, Special, Upper

1шт.

35

217-290

FITTING,90 Degree Elbow, 1/2" Hose Barb x 3/8" Male NPTF

1шт.

36

E135229

FILTER SCREEN

Fill Tube

1шт.

37

86988366

SIGHTGLASS

Sight Gauge, Transmission, Component Parts Not Available at Time of Printing, Not Illustrated

1шт.

Выбрано товаров: 37