Запчасти Case 921C (06-06) - TRANSMISSION ASSY - FILTERS AND SENSORS (06) - POWER TRAIN

Схема запчастей Case 921C - (06-06) - TRANSMISSION ASSY - FILTERS AND SENSORS (06) - POWER TRAIN
11
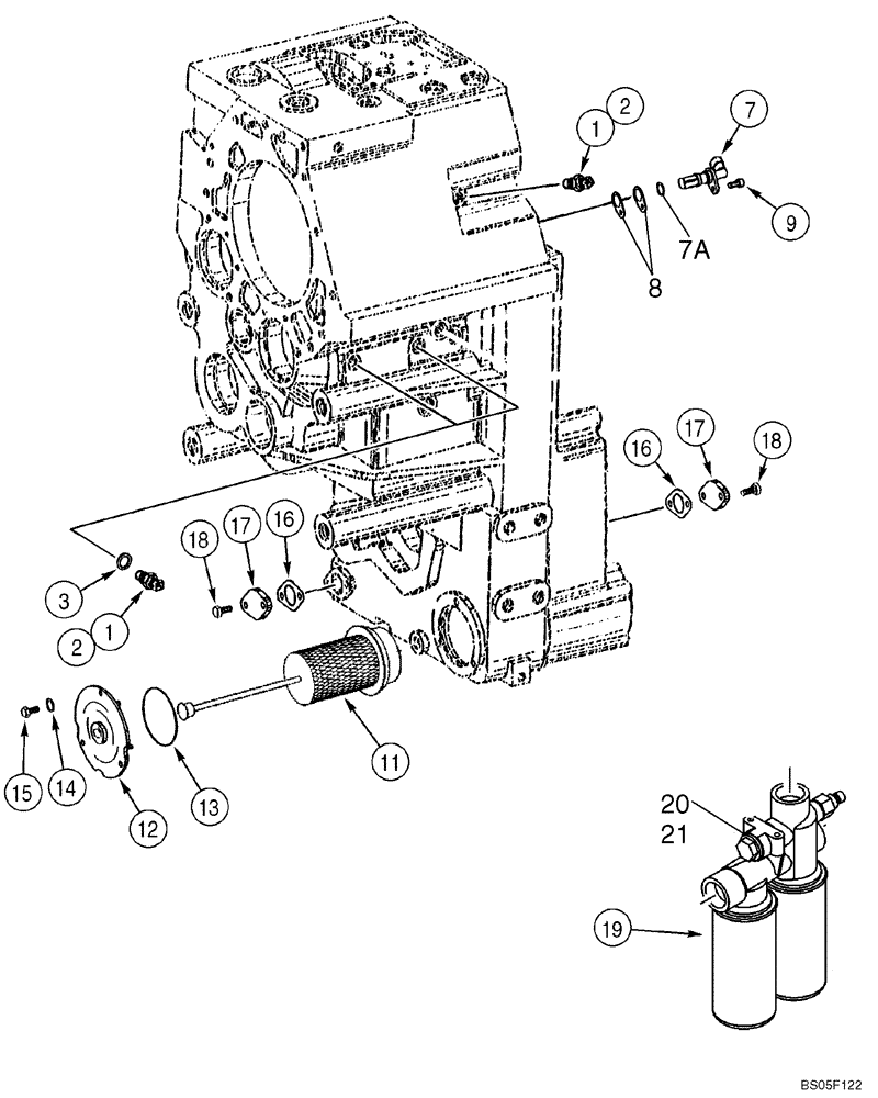
19
1
2
7a
12
7
2
21
14
16
1
17
18
17
3
13
18
15
20
16
9
8
FIT
1:1
100%

Артикул

Название

Примечание

Количество

196175A1

TRANSMISSION

Incl. Figures 06-06 - 06-20, 07-01, No Longer Available, Order 380529A1, See Figures 06-20A - 06-20Q

1шт.

1

331324A1

SENSOR

Incl. 2

3шт.

2

S300495

O-RING,2mm Thk x 15mm ID

1шт.

3

S300497

SHIM,1.5mm Thk

Optional

1шт.

3

S300498

SHIM,1.4mm Thk

Optional

1шт.

3

S300499

SHIM,1.2mm Thk

Optional

1шт.

3

S300500

SHIM,1mm Thk

Optional

1шт.

3

S300501

SHIM,2mm Thk

Optional

1шт.

3

S300502

SHIM,0.5mm Thk

Optional

1шт.

3

S300503

SHIM,0.3mm Thk

Optional

1шт.

3

S300504

SHIM,0.2mm Thk

Optional

1шт.

3

S300505

BLOCK

1,6 mm, Optional

1шт.

3

S300506

SHIM,1.8mm Thk

Optional

1шт.

7

331325A1

SENSOR

Speed, Incl. 7A

1шт.

7a

76081104

O-RING

Replaces 387564A1

1шт.

8

335604A1

SHIM

2шт.

9

934660R1

HEX SOC SCREW,M8 x 16mm, Cl 8.8

M8 x 16

1шт.

11

87453987

HYDRAULIC OIL FILTER

1шт.

12

86989635

COVER

Incl. 13

1шт.

13

8900126963

SEALING RING

1шт.

14

895-11008

WASHER,9mm ID x 16mm OD x 1.6mm Thk

3шт.

15

613-8018

BOLT,Hex, M8 x 1.25 x 18mm, Cl 8.8, Full Thd

M8 x 18

3шт.

16

237302A1

GASKET

1шт.

17

S300508

COVER

1шт.

18

613-8016

BOLT,Hex, M8 x 1.25 x 16mm, Cl 8.8, Full Thd

M8 x 16

2шт.

19

332202A1

FILTER

2шт.

20

8900130170

FILTER HEAD

Incl. 20

1шт.

21

8603537

SWITCH

Filter Maintenance

1шт.

Выбрано товаров: 28