Запчасти Case 921C (06-07) - TRANSMISSION - HOUSING (06) - POWER TRAIN

Схема запчастей Case 921C - (06-07) - TRANSMISSION - HOUSING (06) - POWER TRAIN
18
7
9
24
22
16
14
34
31
5
2
13
10
4
30
15
23
17
12
32
25
20
21
33
8
11
1
28
29
19
3
6
FIT
1:1
100%

Артикул

Название

Примечание

Количество

196175A1

TRANSMISSION

Includes Figures 06-06 - 06-20, 07-01, No Longer Available, Order 380529A1, See Figures 06-20A - 06-XXXX

1шт.

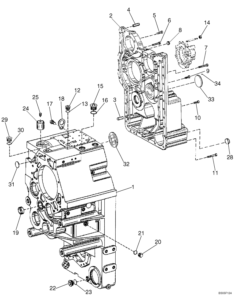
1

8605385

HOUSING

1шт.

2

387112A1

COVER

1шт.

3

100073A1

PIN, SPLIT (COTTER)

PIN, COTTER

2шт.

4

100089A1

PIN, SPLIT (COTTER)

PIN, COTTER

1шт.

5

120112

BOLT,Hex, M10 x 1.5 x 40mm, Cl 8.8, Full Thd

7шт.

6

412151

BOLT,M10 x 1.5 x 61.58mm, Cl 8.8

1шт.

7

814-10070

BOLT,Hex, M10 x 1.5 x 70mm, Cl 8.8

7шт.

8

641-3320

PLUG,M20, Conical

Sealing

1шт.

9

100071A1

BOLT

M10 x 32

12шт.

10

129794A1

SCREW,M10 x 32mm, Gr 8.8

2шт.

11

252168A1

SCREW

8шт.

12

8605386

PLUG

1шт.

13

8963100345

SEALING RING

1шт.

14

825-1010

NUT,M10, Cl 8

2шт.

15

100087A1

PLUG

1шт.

16

8603207

O-RING,2.5mm Thk x 38mm ID

1шт.

17

100082A1

BOLT

M16 x 25

2шт.

18

100081A1

LARGE PLATE

PLATE, LARGE

2шт.

19

100083A1

CAP

1шт.

20

8603210

PLUG

1шт.

21

8963100345

SEALING RING

1шт.

22

330820A1

PLUG

1шт.

23

8603318

O-RING

1шт.

24

129650A1

ADAPTER

1шт.

25

N14704

BREATHER

1шт.

27

100079A1

BOLT

M10 x 175

1шт.

28

8900126574

COVER

Sealing

2шт.

29

8963100340

PLUG

1шт.

30

8963100341

O-RING

1шт.

31

933085R1

PLUG,Exp, M52

1шт.

32

387116A1

COVER

1шт.

33

100113A1

PLUG

1шт.

34

E135201

SEAL

1шт.

Выбрано товаров: 34