Запчасти Case 921C (06-08) - TRANSMISSION - CONVERTER (06) - POWER TRAIN

Схема запчастей Case 921C - (06-08) - TRANSMISSION - CONVERTER (06) - POWER TRAIN
21
24
1
26
28
5
26
10
3
16
6
27
8
20
11
7
22
13
14
17
9
19
29
2
4
15
23
12
FIT
1:1
100%

Артикул

Название

Примечание

Количество

196175A1

TRANSMISSION

Includes Figures 06-06 - 06-20, 07-01, No Longer Available, Order 380529A1, See Figures 06-20A - 06-20Q

1шт.

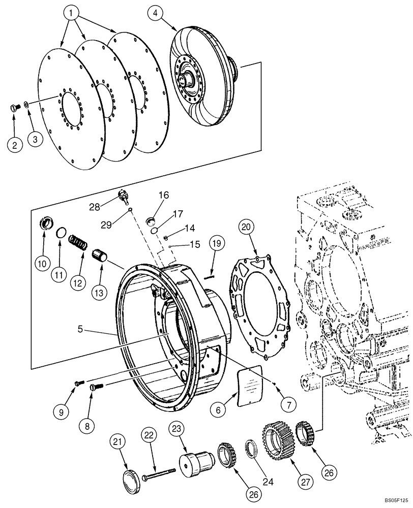
1

S301901

LARGE PLATE

PLATE, LARGE

3шт.

2

111981A1

BOLT

M10 x 18

16шт.

3

86624176

WASHER,11mm ID x 20mm OD x 2mm Thk

16шт.

4

8605376

TORQUE CONVERTER

1шт.

4

8605376R

REMAN-TORQUE CONVERT

ER Remanufactured

1шт.

4

8605376C

CORE-TORQUE CONVERTR

CORE-TORQUE CONVERTER Return Number

1шт.

5

387097A1

CONVERTER

1шт.

6

S301826

LARGE PLATE

PLATE, LARGE

1шт.

7

S301491

STUD

2шт.

8

626-12035

BOLT,Hex, M12 x 1.75 x 35mm, Cl 10.9, Full Thd

10шт.

9

100099A1

BOLT

M8 x 30

4шт.

10

E135077

PLUG,Hex, M36 x 1.5

1шт.

11

81168C1

O-RING,2.65mm Thk x 32.5mm ID, Cl 5, 75 Duro

1шт.

12

100103A1

SPRING

1шт.

13

100101A1

PISTON

1шт.

14

100113A1

PLUG

1шт.

15

S300491

O-RING,8mm ID x 1.5mm Width

1шт.

16

100087A1

PLUG

1шт.

17

8603207

O-RING,2.5mm Thk x 38mm ID

1шт.

19

100105A1

PIN

1шт.

20

S301836

GASKET

1шт.

21

100130A1

COVER

1шт.

22

100127A1

BOLT

M10 x 120

1шт.

23

387145A1

AXLE

1шт.

24

387137A1

RING

7,7 mm

1шт.

26

387128A1

BEARING, ROLLER

2шт.

27

8900134429

GEAR

Replaces 87400953

1шт.

28

8603622

SENSOR

Temperature

1шт.

29

8603402

O-RING

1шт.

Выбрано товаров: 30