Запчасти Case 921C (06-22A) - AXLE, REAR - HOUSING (06) - POWER TRAIN

Схема запчастей Case 921C - (06-22A) - AXLE, REAR - HOUSING (06) - POWER TRAIN
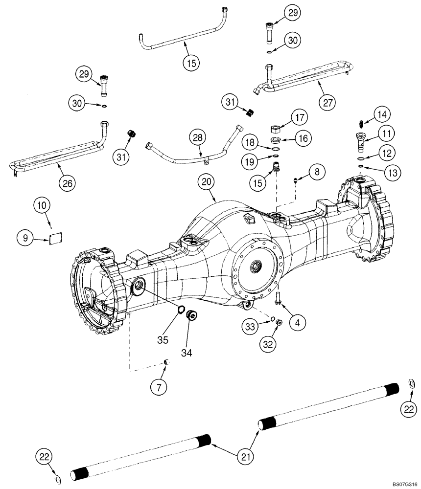
22
18
27
10
31
32
21
15
4
22
31
29
12
29
3
28
7
16
11
3
30
35
17
14
15
8
26
13
19
30
8
20
FIT
1:1
100%

Артикул

Название

Примечание

Количество

298446A2

REAR AXLE

Incl. Figure 06-20, 06-22 - 06-24, 07-01

1шт.

87313937

REAR AXLE

ZF No 4474 054 026; Same As 298446A2 Except Oil Filled

1шт.

87358599

REAR AXLE

ZF No 4474 054 048; New Brake Discs

1шт.

4

384510A1

SCREW

18шт.

7

384281A1

PLUG

2шт.

8

A48855

VALVE

1шт.

9

NSS

NOT SOLD SEPARAT

Plate

1шт.

10

932658R1

GROOVED PIN,Rd Hd, M3 x 5

4шт.

11

384282A1

FITTING

2шт.

12

81284C1

O-RING,2.2mm Thk x 33mm ID

2шт.

13

384283A1

FITTING

2шт.

14

3222214R1

VALVE

2шт.

15

384525A1

TUBE ASSY.

No Longer Used; Replaced By 87436740

2шт.

15

87436740

TUBE

Replaces 384525A1

2шт.

16

384285A1

UNION

2шт.

17

384527A1

NUT

2шт.

18

A52096

O-RING,2.5mm Thk x 38mm ID

2шт.

19

716582R1

O-RING

2шт.

20

384558A1

AXLE HOUSING

1шт.

21

384529A1

AXLE SHAFT

2шт.

22

384408A1

SHIM

2шт.

26

384531A2

TUBE

1шт.

27

384532A2

TUBE

1шт.

28

384533A2

TUBE

1шт.

29

384534A1

FITTING

2шт.

30

A52368

SEAL

2шт.

31

S301930

FITTING

2шт.

32

384281A1

PLUG

1шт.

33

A52097

O-RING,2mm Thk x 21mm ID

1шт.

34

87521402

PLUG

1шт.

35

8605636

O-RING,2.2mm Thk x 33mm ID

1шт.

Выбрано товаров: 0