Запчасти Case 921C (02-02) - MOUNTING, ENGINE (Apr 8 2011 4:45PM) (02) - ENGINE

Схема запчастей Case 921C - (02-02) - MOUNTING, ENGINE (Apr 8 2011 4:45PM) (02) - ENGINE
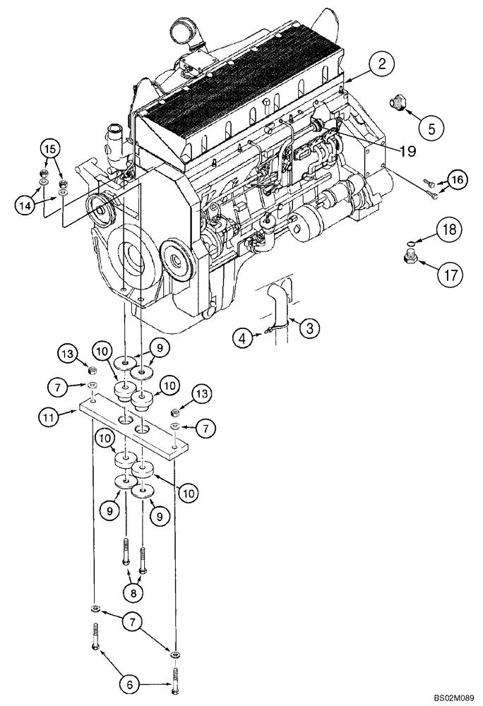
18
10
8
9
6
13
10
4
9
5
10
11
9
14
7
3
13
2
16
7
7
19
15
10
17
FIT
1:1
100%

Артикул

Название

Примечание

Количество

2

395730A1

QSM11-C270 Cummins; Emissions Certified Engine; See Your Authorized Cummins Engine Dealer For Serviceable Parts And Engine Replacement; For Engine Oil Filter Use 87408494 Filter

1шт.

87408494

ENGINE OIL FILTER

1шт.

3

L128677

HOSE,15.9mm ID x 1230mm L

Breather

1шт.

4

L18337

CABLE TIE,9.95"-12.1" lg

CABLE STRAP 15 in

2шт.

5

217-407

PLUG,Hex Hd, 3/8" - 18 NPT

Flywheel Housing

1шт.

6

827-20085

BOLT,Hex, M20 x 2.5 x 85mm, Cl 10.9

2шт.

7

896-15020

WASHER,22mm ID x 44mm OD x 5mm Thk

4шт.

8

827-20140

BOLT,Hex, M20 x 2.5 x 140mm, Cl 10.9

2шт.

9

L129148

WASHER

4шт.

10

114360A1

HITCH DAMPER

Set Of Two

2шт.

11

L129153

LARGE PLATE

PLATE, LARGE

1шт.

13

832-41320

NUT,M20 x 2.5, Cl 10

2шт.

14

896-15020

WASHER,22mm ID x 44mm OD x 5mm Thk

2шт.

15

832-41320

NUT,M20 x 2.5, Cl 10

2шт.

16

627-16025

BOLT,Hex, M16 x 2 x 25mm, Cl 10.9, Full Thd

4шт.

17

214389

PLUG,3/4" - 16 ORB

Flywheel Housing, Includes 18

1шт.

18

237-6008

O-RING,0.087" Thk x 0.644" ID, -908, Cl 6, 90 Duro

1шт.

19

86991514

COVER

1шт.

Выбрано товаров: 18