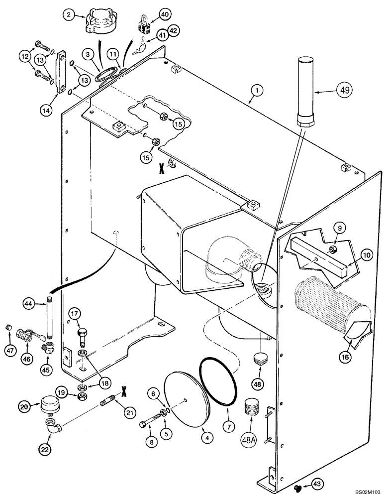
Запчасти Case 921C (08-01) - RESERVOIR (Dec 4 2009 4:39PM) (08) - HYDRAULICS

Схема запчастей Case 921C - (08-01) - RESERVOIR (Dec 4 2009 4:39PM) (08) - HYDRAULICS
19
2
15
48
49
5
40
12
4
48a
13
14
20
22
17
47
41
3
21
6
44
8
42
15
18
46
11
16
9
45
10
43
1
13
FIT
1:1
100%

Артикул

Название

Примечание

Количество

434080A1

TANK, HYDRAULIC OIL

1шт.

Incl. 1-11

1шт.

1

NSS

NOT SOLD SEPARAT

Reservoir

1шт.

2

L128669

CAP

1шт.

3

R46984

GASKET

1шт.

4

L128352

COVER

1шт.

Access

1шт.

5

L78045

WASHER

1шт.

6

238-5112

O-RING,0.103" Thk x 0.487" ID, -112, Cl 5, 75 Duro

1шт.

7

238-5442

O-RING,0.275" Thk x 7.22" ID, -442, Cl 5, 75 Duro

7-1/4 x 1/4

1шт.

8

113-2462

BOLT,Hex, 1/2" - 13 x 3", Gr 5

1/2 x 1

1шт.

9

131-510

LOCK NUT,1/2"-13

1шт.

10

L50741

BAR

1шт.

11

R46704

BRACKET

1шт.

Locking

1шт.

86988366

SIGHTGLASS

1шт.

Sight

1шт.

Oil Level

1шт.

Incl. 12-15

1шт.

12

NSS

NOT SOLD SEPARAT

Bolt

2шт.

13

238-7112

O-RING,0.103" Thk x 0.487" ID, -112, Cl 7, 75 Duro

4шт.

14

NSS

NOT SOLD SEPARAT

Gauge

1шт.

15

NSS

NOT SOLD SEPARAT

Nut

2шт.

16

L128515

STRAINER ELEMENT

1шт.

Suction

1шт.

17

827-16060

BOLT,Hex, M16 x 2 x 60mm, Cl 10.9

4шт.

18

896-15016

WASHER,17.5mm ID x 34mm OD x 5mm Thk

8шт.

19

829-1416

NUT,M16, Cl 10

4шт.

20

302694A1

BREATHER

1шт.

21

221-1170

PIPE FITTING

3/8 PT x 5

1шт.

22

221-1383

ELBOW

3/4 x 3/8

1шт.

40

D93753

PADLOCK

1шт.

Incl. Keys

1шт.

Incl. 41, 42

1шт.

If Used

1шт.

41

D93751

SET OF 2 KEYS

2шт.

Yale Lock

1шт.

If Used

1шт.

42

R29555

KEY

2шт.

Master Lock

1шт.

If Used

1шт.

43

L126856

RIVET

4шт.

44

221-1223

PIPE,Nipple, 3/4" NPT x 6"

1шт.

45

217-1020

90 ELBOW,3/4" - 14 Female x 3/4" - 14 Male

1шт.

46

L124327

DRAIN VALVE

1шт.

47

217-415

PLUG,Hex Hd, 3/4" - 14 NPT

1шт.

48

217-532

DRAIN PLUG,Sq Hd, 1 1/4"-11 1/2 NPTF

1шт.

If Used

1шт.

48a

217-445

PLUG,Hex Soc, 1-1/4" - 11-1/2 NPTF

1шт.

If Used

1шт.

49

L129303

FILTER SCREEN

1шт.

Auxiliary Steering

1шт.

If Used

1шт.

Выбрано товаров: 53