Запчасти Case 921C (08-13) - VALVE ASSY - LOADER CONTROL, THREE SPOOL (Nov 1 2006 1:31PM) (08) - HYDRAULICS

Схема запчастей Case 921C - (08-13) - VALVE ASSY - LOADER CONTROL, THREE SPOOL (Nov 1 2006 1:31PM) (08) - HYDRAULICS
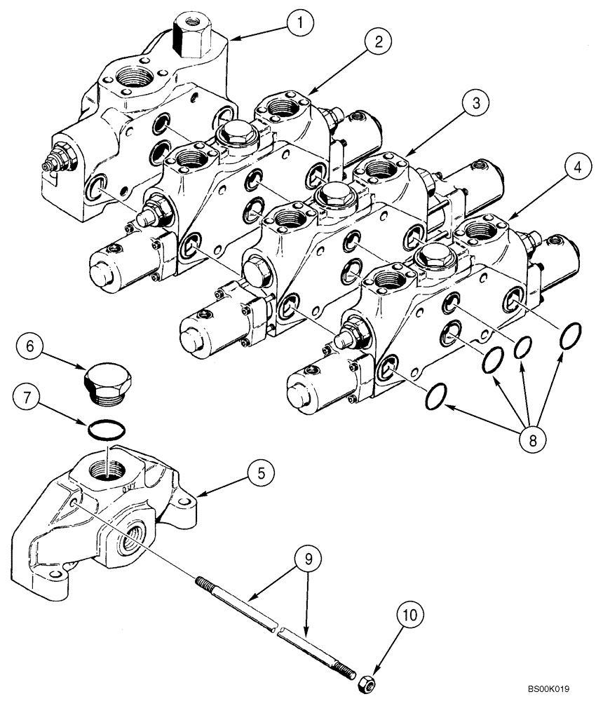
1
6
3
5
8
4
9
10
2
7
FIT
1:1
100%

Артикул

Название

Примечание

Количество

301084A1

VALVE

1шт.

Loader Control

1шт.

Three Spool

1шт.

Incl. 1-10

1шт.

1

336993A1

COVER ASSY

1шт.

Inlet And Outlet

1шт.

See Figure 08-16A

1шт.

2

336994A1

VALVE, CONTROL

1шт.

Bucket

1шт.

See Figure 08-16

1шт.

3

336995A1

VALVE SECTION

1шт.

Lift

1шт.

See Figure 08-15

1шт.

4

336996A1

VALVE

1шт.

Auxiliary

1шт.

See Figure 08-17

1шт.

5

336997A1

COVER ASSY

1шт.

End Cover

1шт.

Incl. 6, 7

1шт.

6

218-5162

PLUG,Hex Hd, 1 7/8"-12 ORB

1-7/8 Or

2шт.

Incl. 7

1шт.

7

237-6024

O-RING,0.118" Thk x 1.720" ID, -924, Cl 6, 90 Duro

1шт.

8

337007A1

SEAL KIT

4шт.

9

N9247

STUD

4шт.

10

425-108

NUT,1/2" - 13, Gr 5

4шт.

Выбрано товаров: 25