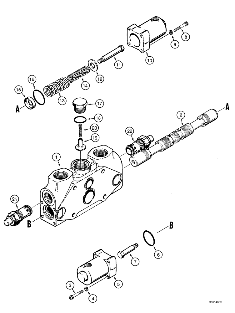
Запчасти Case 921C (08-16) - VALVE SECTION - LOADER BUCKET TILT (Mar 20 2008 3:58PM) (08) - HYDRAULICS

Схема запчастей Case 921C - (08-16) - VALVE SECTION - LOADER BUCKET TILT (Mar 20 2008 3:58PM) (08) - HYDRAULICS
8
12
2
1
17
20
3
16
14
6
11
10
9
22
21
19
5
7
18
13
4
15
FIT
1:1
100%

Артикул

Название

Примечание

Количество

336994A1

VALVE, CONTROL

1шт.

Loader Bucket

1шт.

Incl. 1-22

1шт.

1

NSS

NOT SOLD SEPARAT

Housing

1шт.

2

NSS

NOT SOLD SEPARAT

Spool

1шт.

3

61-32524

HEX SOC SCREW,1/4"-20 x 1 1/2"

1/4 x 1-1/2

4шт.

4

492-11025

LOCK WASHER,1/4"

4шт.

5

N9447

COVER

1шт.

6

238-5132

O-RING,0.103" Thk x 1.737" ID, -132, Cl 5, 75 Duro

1-3/4 ID x 3/32

1шт.

7

N9480

BOLT

1шт.

8

61-32532

HEX SOC SCREW,1/4"-20 x 2"

1/4 x 2

4шт.

9

492-11025

LOCK WASHER,1/4"

4шт.

10

N9447

COVER

1шт.

11

N9480

BOLT

1шт.

12

N9451

SPACER

1шт.

13

N9481

SPRING

1шт.

14

N9482

SPRING

1шт.

15

N9483

SPACER

1шт.

16

238-5132

O-RING,0.103" Thk x 1.737" ID, -132, Cl 5, 75 Duro

1-3/4 ID x 3/32

1шт.

17

N9455

PLUG

1шт.

18

237-6016

O-RING,0.116" Thk x 1.171" ID, -916, Cl 6, 90 Duro

1шт.

19

N9456

PIN

1шт.

20

D28840

SPRING

1шт.

21

N9469

VALVE

1шт.

See Figure 08-18

1шт.

22

337067A1

VALVE

1шт.

See Figure 08-17

1шт.

Выбрано товаров: 27