Запчасти Case 921C (08-24) - HYDRAULICS - LOADER CONTROL (08) - HYDRAULICS

Схема запчастей Case 921C - (08-24) - HYDRAULICS - LOADER CONTROL (08) - HYDRAULICS
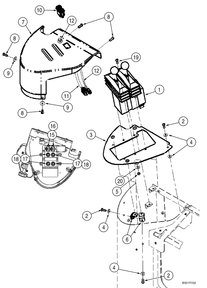
7
15
11
5
18
2
8
3
8
19
20
9
9
2
17
16
12
2
18
4
1
4
8
10
4
6
12
17
FIT
1:1
100%

Артикул

Название

Примечание

Количество

DUAL LEVER WITH TWO SPOOL VALVE

1шт.

If Used

1шт.

1

414157A1

VALVE

1шт.

Dual Lever With Two Spool Valve

1шт.

Component Parts Not Illustrated

1шт.

Incl. 21-33

1шт.

2

840-1620

SCREW,Pan, M6 x 20mm, Cl 4.8

6шт.

3

407999A2

PLATE

1шт.

4

895-25006

WASHER,6.6mm ID x 18mm OD x 1.6mm Thk

6шт.

5

832-10405

NUT,M5 x .8, Cl 8

4шт.

6

400843A2

BRACKET

2шт.

7

407870A1

COVER

1шт.

8

239105A1

SCREW,Cross Pan Hd, M6 x 20mm

4шт.

9

1990502C1

WASHER

1/4 x 13/16 x 1/16 in

2шт.

10

400833A2

SWITCH

1шт.

Forward/Neutral/Reverse

1шт.

11

402060A1

WIRE HARNESS

1шт.

Forward / Neutral / Reverse Switch

1шт.

12

402390A1

SWITCH

1шт.

Downshift

1шт.

Incl. 13, 14

1шт.

13

NSS

NOT SOLD SEPARAT

Washer, Lock

1шт.

Not Illustrated

1шт.

14

NSS

NOT SOLD SEPARAT

Nut

1шт.

Not Illustrated

1шт.

15

218-5135

ELBOW,45 Degree Elbow, 9/16" - 18 Male JIC x 9/16" - 18 Male ORB

2шт.

Incl. 16

1шт.

17

218-5057

HYD CONNECTOR,9/16" - 18 JIC x 9/16" - 18 ORB

4шт.

Incl. 18

1шт.

19

840-1516

SCREW,Pan, M5 x 16mm, Cl 4.8

4шт.

20

895-11005

WASHER,5.5mm ID x 10mm OD x 1mm Thk

4шт.

21

410879A1

KIT

3шт.

Handle

1шт.

22

410881A1

KIT

3шт.

Magnet

1шт.

23

449520A1

KIT

3шт.

Tie Rod

1шт.

24

410883A1

KIT

3шт.

Pin

1шт.

25

449524A1

SPRING

3шт.

26

449526A1

SPRING

3шт.

27

449527A1

SPRING

3шт.

Return

1шт.

28

449528A1

LEVER

1шт.

Bucket

1шт.

29

449529A1

LEVER

1шт.

Boom

1шт.

30

449530A1

MOUNTING PLATE

3шт.

Mounting

1шт.

31

449531A1

KIT

3шт.

Plug

1шт.

32

449533A1

SEAL KIT

3шт.

Seal

1шт.

33

410885A1

SEAL

3шт.

16

237-6006

O-RING,0.078" Thk x 0.468" ID, -906, Cl 6, 90 Duro

1шт.

18

237-6006

O-RING,0.078" Thk x 0.468" ID, -906, Cl 6, 90 Duro

1шт.

Выбрано товаров: 56