Запчасти Case 921C (04-01) - ALTERNATOR ASSY (Jul 15 2010 11:38AM) (04) - ELECTRICAL SYSTEMS

Схема запчастей Case 921C - (04-01) - ALTERNATOR ASSY (Jul 15 2010 11:38AM) (04) - ELECTRICAL SYSTEMS
26
17
4
5
32
20
25
12
15
9
2
18
10
1
11
21
7
30
19
33
23
29
3
22
6
31
24
8
28
16
9
27
14
13
FIT
1:1
100%

Артикул

Название

Примечание

Количество

A187508

ALTERNATOR

24V, 70 amp; Incl. 1 - 33; See Your Authorized Cummins Dealer For Pulley And Alternator Mounting Hardware

1шт.

AR187508

REMAN-ALTERNATOR

Remanufactured Alternator

1шт.

AC187508

CORE-ALTERNATOR

Return Number

1шт.

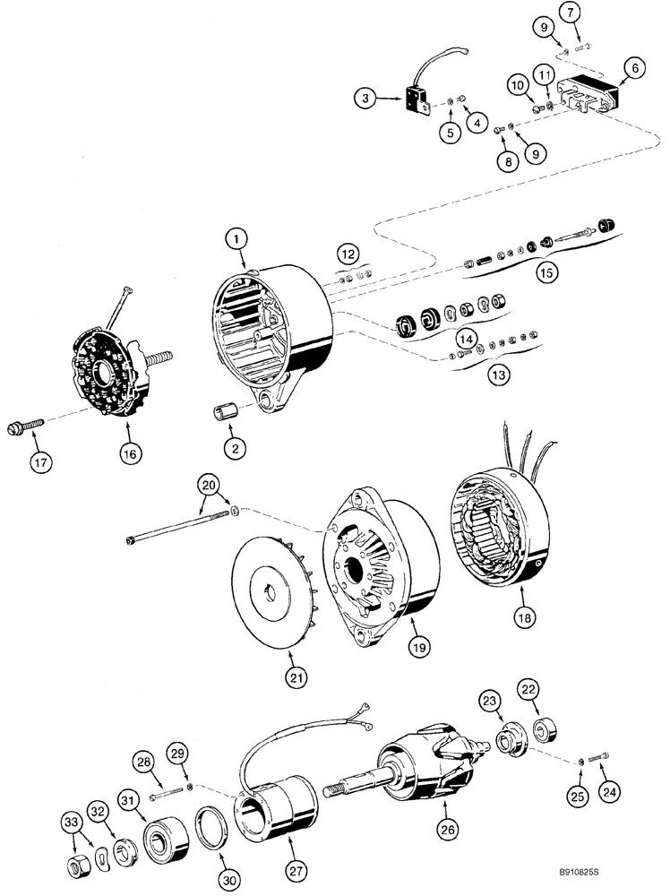
1

1546512C1

HOUSING

Incl. 2

1шт.

2

1546513C1

INSERT

1шт.

3

1546532C1

CAPACITOR

Incl. 4, 5

1шт.

4

840-3610

SCREW,Pan, M6 x 10mm, Cl 4.8

1шт.

5

892-11006

LOCK WASHER,M6

1шт.

6

1546520C1

REGULATOR

Voltage; Incl. 7 - 11

1шт.

7

3079379R1

SCREW,Slot Cheese Hd, M4 x .7 x 16, 5.8

2шт.

8

840-148

SCREW,Pan, M4 x 8mm, Cl 4.8

1шт.

9

892-11004

LOCK WASHER,M4

3шт.

10

840-258

SCREW,Pan, M5 x 8mm, Cl 4.8

1шт.

11

892-11005

LOCK WASHER,M5

1шт.

12

1546529C1

KIT

B-; Hardware

1шт.

13

1546511C1

KIT

D+; Hardware

1шт.

14

1546514C1

KIT

B+; Hardware

1шт.

15

1546530C1

KIT

W; Hardware

1шт.

16

1546515C1

REGULATOR

Incl. 17

1шт.

17

A186188

SCREW

2шт.

18

1546509C1

STATOR

1шт.

19

1546503C1

HOUSING

1шт.

20

1546531C1

KIT

Incl. Washer

4шт.

21

1964736C1

FAN

1шт.

22

1546508C1

BEARING, ROLLER, CYL,15 mm ID x 35 mm OD x 11 mm

1шт.

23

1546526C1

BUSHING

Incl. 24, 25

1шт.

24

E156747

SCREW

4 x 25 mm

3шт.

25

892-11004

LOCK WASHER,M4

3шт.

26

1546506C1

ROTOR ASSY.

1шт.

27

1546517C1

COIL ASSY.

Incl. 28, 29

1шт.

28

1546518C1

SCREW,Sl Pan Hd, M4 x 40mm, Gr 10.9

4 x 40 mm

6шт.

29

892-11004

LOCK WASHER,M4

6шт.

30

1546505C1

SPACER

1шт.

31

127095A1

BEARING, BALL

1шт.

32

1546507C1

RING RACE

1шт.

33

1546535C1

LOCK NUT

Incl. Washer

1шт.

34

896-11012

WASHER,13.5mm ID x 24mm OD x 3mm Thk

Not Included In Assembly; Use For Mounting Upper Shield and Alternator to Engine

2шт.

35

895-15010

WASHER,11mm ID x 24mm OD x 2mm Thk

Not Included In Assembly; Use at Upper Shield Mounting to Alternator; Not Illustrated

1шт.

36

189777A1

PROTECTOR

Not Illustrated

1шт.

Выбрано товаров: 39