Запчасти Case 921C (04-11) - HARNESS - RIDE CONTROL (04) - ELECTRICAL SYSTEMS

Схема запчастей Case 921C - (04-11) - HARNESS - RIDE CONTROL (04) - ELECTRICAL SYSTEMS
12
3
4
8
4
9
10
7
6
11
2
1
6a
5
1
5
FIT
1:1
100%

Артикул

Название

Примечание

Количество

REF

INSTRUCTION

ALL NORTH AMERICAN LOADERS

1шт.

REF

INSTRUCTION

EUROPEAN Z-BAR ONLY

1шт.

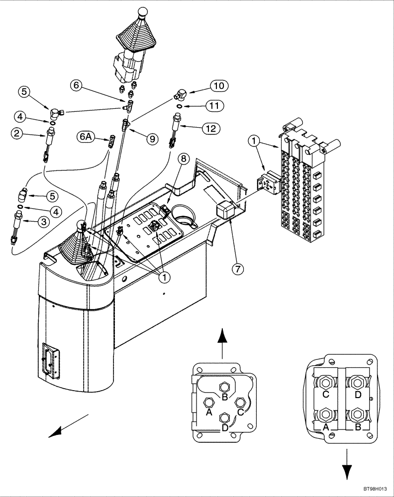
1

429188A2

HARNESS

Cab Main

1шт.

2

132905A1

SWITCH

Bucket Tilt Circuit

1шт.

3

132906A1

SWITCH

Loader Lift Circuit

1шт.

4

237-6008

O-RING,0.087" Thk x 0.644" ID, -908, Cl 6, 90 Duro

2шт.

5

131248A1

ELBOW,90 Degree, 9/16"-18 37 Degree Sw x 3/4"-16 O-Ring Fem

2шт.

6

218-5222

TEE,37 Degree, 9/16"-18, x 9/16"-18, Fem Sw Run

Port C of Controller

1шт.

6a

218-5222

TEE,37 Degree, 9/16"-18, x 9/16"-18, Fem Sw Run

Port D of Controller

1шт.

7

326845A1

RELAY,24V

24V

1шт.

8

374425A2

SWITCH

Ride Control

1шт.

9

218-5222

TEE,37 Degree, 9/16"-18, x 9/16"-18, Fem Sw Run

Port A of Controller

1шт.

10

131248A1

ELBOW,90 Degree, 9/16"-18 37 Degree Sw x 3/4"-16 O-Ring Fem

1шт.

11

237-6008

O-RING,0.087" Thk x 0.644" ID, -908, Cl 6, 90 Duro

1шт.

12

132905A1

SWITCH

Rollback Circuit

1шт.

Выбрано товаров: 15