Запчасти Case 921C (06-11) - TRANSMISSION - CLUTCH ASSY, FORWARD (Sep 29 2010 12:34PM) (06) - POWER TRAIN

Схема запчастей Case 921C - (06-11) - TRANSMISSION - CLUTCH ASSY, FORWARD (Sep 29 2010 12:34PM) (06) - POWER TRAIN
10
20
25
16
14
9
22
18
8
4
3
12
13
1
12
21
24
15
2
5
23
11
2
13
3
7
13
14
6
19
1
13
13
17
13
FIT
1:1
100%

Артикул

Название

Примечание

Количество

86992950

TRANSMISSION

1шт.

See Figure 06-01 - 06-17, 07-01

1шт.

8605672

REMAN-TRANSMISSION

Remanufactured Transmission; For N.A. only; 921C, PIN JEE0155001 & After, Model Number 4WG260, Stock Number 4646 054 068

1шт.

8605671

CORE-TRANSMISSION

Return number - For N.A. only

1шт.

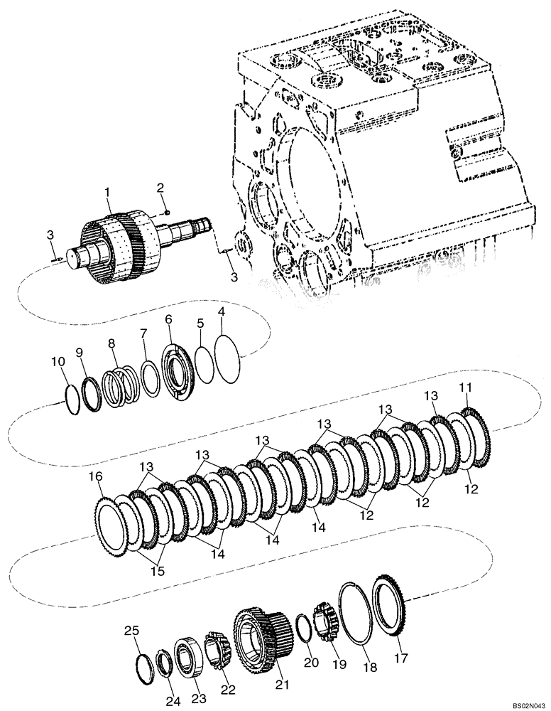
1

8605430

CARRIER

Disc Carrier

1шт.

2

335157A1

VALVE

2шт.

3

426171A1

PLUG

3шт.

4

252176A1

O-RING

150 x 3 mm

1шт.

5

252177A1

O-RING

110 x 3 mm

1шт.

6

8605399

PISTON

Piston

1шт.

7

252178A1

WASHER

2шт.

8

100146A1

SPRING

2шт.

9

252179A1

RING, SNAP

RING SNAP

2шт.

10

100147A1

RING, SNAP

RING SNAP

2шт.

11

335167A1

CLUTCH DISC

CLUTCH DISK

2шт.

12

8605432

CLUTCH DISC

CLUTCH DISK Disc

5шт.

13

8605434

CLUTCH DISC

CLUTCH DISK Disc

11шт.

14

8605433

CLUTCH DISC

CLUTCH DISK Disc

5шт.

15

8605432

CLUTCH DISC

CLUTCH DISK 2,5 mm

2шт.

15

8605433

CLUTCH DISC

CLUTCH DISK 3,0 mm

2шт.

16

335167A1

CLUTCH DISC

CLUTCH DISK

2шт.

17

8605401

SHIM

End Shim

2шт.

18

387177A1

RETAINER

2,1 mm

2шт.

18

387178A1

RETAINER

2,15 mm

2шт.

18

387179A1

RETAINER

2,25 mm

2шт.

18

387180A1

RETAINER

2,35 mm

2шт.

18

252191A1

RING, SNAP

RING SNAP 2,45 mm

2шт.

18

252190A1

RING, SNAP

RING SNAP 2,55 mm

2шт.

18

252189A1

RING, SNAP

RING SNAP 2,60 mm

2шт.

18

252188A1

RING, SNAP

RING SNAP 2,65 mm

2шт.

18

252187A1

RING, SNAP

RING SNAP 2,70 mm

2шт.

18

252186A1

RING, SNAP

RING SNAP 2,75 mm

2шт.

18

252185A1

RING, SNAP

RING SNAP 2,80 mm

2шт.

18

252184A1

RING, SNAP

RING SNAP 2,85 mm

2шт.

18

252183A1

RING, SNAP

RING SNAP 2,90 mm

2шт.

18

252182A1

RING, SNAP

RING SNAP 2,95 mm

2шт.

18

335412A1

RETAINER

3,00 mm

2шт.

18

335413A1

RETAINER

3,05 mm

2шт.

18

335414A1

RETAINER

3,10 mm

2шт.

19

8605436

TAPERED BEARING

Roller Bearing

1шт.

20

8605437

RING

Ring

1шт.

21

8605435

GEAR

Spur Gear

1шт.

22

8605438

TAPERED BEARING

Roller Bearing

1шт.

23

387225A1

BEARING, ROLLER

1шт.

24

8605439

SLOTTED NUT

Slotted Nut

1шт.

25

100161A1

COVER

1шт.

Выбрано товаров: 0