Запчасти Case 921C (06-14) - TRANSMISSION - POWER TAKE OFF (Sep 29 2010 12:36PM) (06) - POWER TRAIN

Схема запчастей Case 921C - (06-14) - TRANSMISSION - POWER TAKE OFF (Sep 29 2010 12:36PM) (06) - POWER TRAIN
12
6
10
11
14
15
9
1
2
13
8
5
7
4
3
FIT
1:1
100%

Артикул

Название

Примечание

Количество

86992950

TRANSMISSION

1шт.

See Figure 06-01 - 06-17, 07-01

1шт.

8605672

REMAN-TRANSMISSION

Remanufactured Transmission; For N.A. only; 921C, PIN JEE0155001 & After, Model Number 4WG260, Stock Number 4646 054 068

1шт.

8605671

CORE-TRANSMISSION

Return number - For N.A. only

1шт.

8603527

O-RING

1шт.

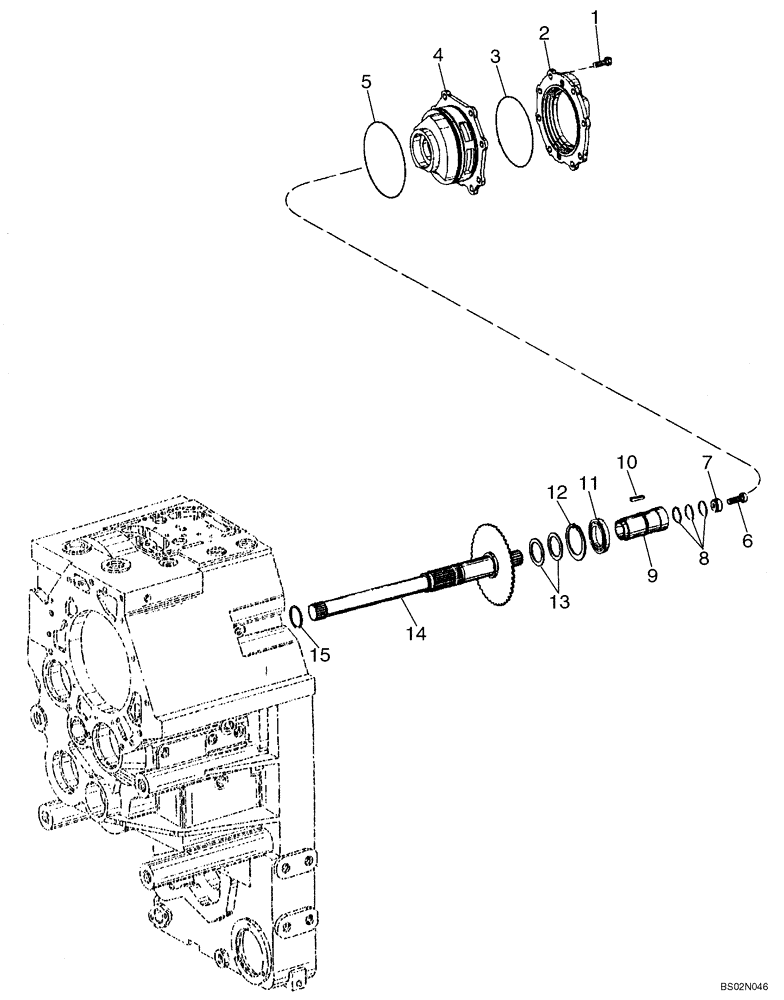
1

814-12045

BOLT,Hex, M12 x 1.75 x 45mm, Cl 8.8

8шт.

2

8605455

FLANGE

Flange

1шт.

3

335463A1

O-RING

158 x 2

1шт.

4

8605459

PUMP

Gear Pump

1шт.

5

335601A1

O-RING,160mm ID x 3mm Width

1шт.

6

100270A1

BOLT

M10 x 25

1шт.

7

S301879

SPACER

1шт.

8

S301878

SNAP RING

3шт.

9

S301877

PISTON

1шт.

10

100321A1

BUCKET TOOTH KEY

1шт.

11

P0239636Z

Ball Bearing

1шт.

12

100272A1

CIRCLIP

1шт.

13

129782A1

WASHER

0,1 mm

1шт.

13

129784A1

WASHER

0,2 mm

1шт.

13

129781A1

WASHER

0,3 mm

1шт.

13

129780A1

WASHER

0,5 mm

1шт.

13

387536A1

WASHER

1,0 mm

1шт.

13

129785A1

WASHER

1,5 mm

1шт.

13

129779A1

WASHER

2,0 mm

1шт.

14

387535A1

SHAFT

1шт.

15

S301874

RING

1шт.

Выбрано товаров: 0