Запчасти Case 521D (02-02) - RADIATOR - MOUNTING (02) - ENGINE

Схема запчастей Case 521D - (02-02) - RADIATOR - MOUNTING (02) - ENGINE
22
11
28
6
1
26
4
10
29
24
15
21
16
19
13
10
7
15
20
13
3
2
25
23
18
20
9
14
14
11
19
17
8
22
27
19
5
12
FIT
1:1
100%

Артикул

Название

Примечание

Количество

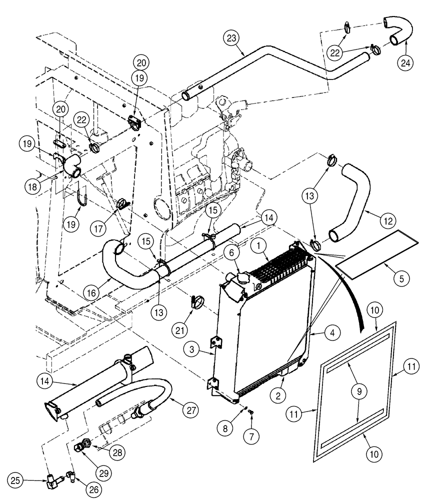
347611A3

RADIATOR

Incl. Ref 1 - 6

1шт.

1

403767A1

TANK

Upper

1шт.

2

403768A1

TANK

Bottom

1шт.

3

403769A1

CHANNEL

Left Side

1шт.

4

403770A1

HOLDER

CHANNEL, Right Side

1шт.

5

254409A1

GASKET,3.15mm Thk

2шт.

6

A170241

RADIATOR CAP

15 psi

1шт.

7

627-8020

BOLT,Hex, M8 x 1.25 x 20mm, Cl 10.9, Full Thd

4шт.

8

892-11008

LOCK WASHER,8mm ID

4шт.

9

381963A1

SEAL

Upper and Lower

2шт.

10

381962A1

SEAL

Upper and Lower

2шт.

11

381938A1

SEAL

Side Support

2шт.

12

380178A1

HOSE,57.20 mm ID x 252.00 mm, SAE 20R4 Class D1, SAE J20R4

1шт.

13

214-1440

HOSE CLAMP,#40, 2.06" - 3", Type F Worm

3шт.

14

393938A2

PIPE ASSY.

1шт.

15

393632A1

CLAMP

U-Bolt Assy

2шт.

16

380125A1

RADIATOR HOSE,57.20 mm ID x 218.00 mm, SAE J20R4 CLASS D1

1шт.

17

254026A1

HOSE CLAMP,44.45mm - 66.67mm

1шт.

18

381232A1

HOSE,44.50 mm ID x 87.00 mm, SAE J20R4 Class D1

1шт.

19

382189A1

CLAMP

U-Bolt Assy

2шт.

20

382188A2

PLATE

2шт.

21

L115548

CLAMP,57.15mm - 79.38mm

1шт.

22

214-1436

HOSE CLAMP,#36, 1.81" - 2.75", Type F Worm

3шт.

23

380194A1

PIPE

1шт.

24

380181A1

HOSE,44.50 mm ID x 336.00 mm, SAE 20R4 Class D1, SAE J20R4

1шт.

25

217-133

ELBOW,90 Degree Elbow, 1/2" Hose Barb x 3/8" Male NPTF

1шт.

26

214-1410

HOSE CLAMP,#10, 0.56" - 1.06", Type F Worm

1шт.

27

397438A1

HOSE ASSY.

1шт.

28

218-1255

BHD LOCK NUT,Blkhd, 3/4"-16

1шт.

29

218-755

CAP,37 Degree, 3/4"-16

1/2" tube

1шт.

Выбрано товаров: 0