Запчасти Case 521D (06-17) - TRANSMISSION - VALVE, CONTROL (06) - POWER TRAIN

Схема запчастей Case 521D - (06-17) - TRANSMISSION - VALVE, CONTROL (06) - POWER TRAIN
3
18
16
1
12
5
21
7
14
5
2
7
15
15
19
17
8
18
24
21
19
11
17
6
8
20
16
23
22
14
4
13
6
15
9
15
10
13
FIT
1:1
100%

Артикул

Название

Примечание

Количество

361424A1

TRANSMISSION

ZF No. 4656 024 017; See Figures 06-04 - 06-21, 07-01

1шт.

361424A1R

REMAN-TRANSMISSION

Remanufactured Transmission; 521D Tier 1 & 2, Model Number 4WG130, Stock Number 4656 024 017

1шт.

361424A1C

CORE-TRANSMISSION

Return number

1шт.

331759A1

SHIFTING UNIT

VALVE, CONTROL; Incl. Ref 1 - 24; Also Includes Parts On Figure 06-18

1шт.

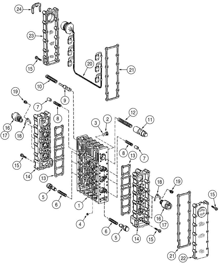
1

330970A1

VALVE BODY

Housing

1шт.

2

330971A1

PLUG

Incl. Ref 3

8шт.

3

S300491

O-RING,8mm ID x 1.5mm Width

8шт.

4

330972A1

PORT

Orifice

6шт.

5

330973A1

SPOOL

Piston

6шт.

6

330974A1

COMPRESSION SPRING

6шт.

7

330975A1

SPOOL

Piston

6шт.

8

330976A1

COMPRESSION SPRING

6шт.

9

330978A1

SPOOL

Piston

1шт.

10

330981A1

COMPRESSION SPRING

1шт.

11

387557A1

PISTON

1шт.

12

330982A1

COMPRESSION SPRING

1шт.

13

330983A1

SEAL

2шт.

14

330984A1

LARGE PLATE

PLATE, LARGE Housing

2шт.

15

330986A1

CAPSCREW,Flg, 5/16" - 18 x .625", Gr 8

64шт.

16

387558A1

REGULATOR

Pressure; Incl. Ref 17

6шт.

17

335600A1

O-RING,13.5mm ID x 2mm Width

6шт.

18

S300554

LARGE PLATE

PLATE, LARGE Locating

6шт.

19

330955A1

CAPSCREW,M10 x 1.25 x 20mm

6шт.

20

387559A1

HARNESS

1шт.

21

330961A1

GASKET

2шт.

22

330962A1

COVER

Closed

1шт.

23

330963A1

COVER

Harness Adapter

1шт.

24

330964A1

SHIN

Clamp

1шт.

Выбрано товаров: 0