Запчасти Case 521D (07-04) - HYDRAULICS - BRAKE, MAIN (RESERVOIR TO PUMP TO ACCUMULATOR VALVE) (07) - BRAKES

Схема запчастей Case 521D - (07-04) - HYDRAULICS - BRAKE, MAIN (RESERVOIR TO PUMP TO ACCUMULATOR VALVE) (07) - BRAKES
5
12
15
12
10
18
11
17
13
21
4
20
9
6
2
15
8
22
13
19
14
1
1
7
3
FIT
1:1
100%

Артикул

Название

Примечание

Количество

REF

INSTRUCTION

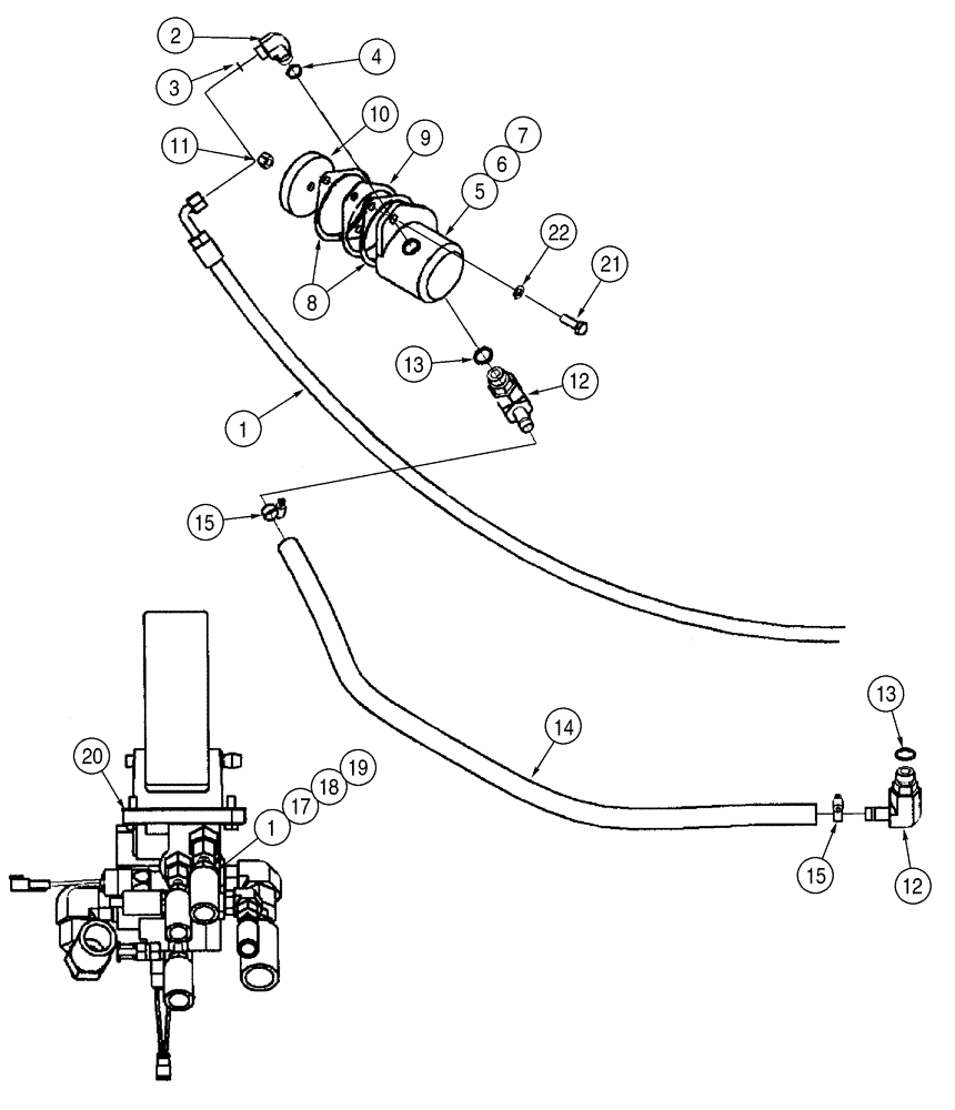
RESERVOIR TO PUMP TO ACCUMULATOR VALVE

1шт.

1

366821A1

HOSE ASSY.

3033 mm (119-3/8 in); Pressure, Brake Pump

1шт.

2

700-326

ELBOW,90 Degree Elbow, 13/16" - 16 Male ORFS x M22 x 1.5 Male ORB

Incl. 3, 4

1шт.

3

637-63153

O-RING,2.2mm Thk x 15.3mm ID, Cl 6, 90 Duro

Boss End

1шт.

4

238-6014

O-RING,0.07" Thk x 0.489" ID, -14, Cl 6, 90 Duro

Face Seal End

1шт.

5

385483A1

PUMP,14 CC

Incl. Ref 6, 7

1шт.

6

410069A1

SEAL

Shaft; Not Illustrated

1шт.

7

410068A1

SEAL KIT

Seal; Component Parts Not Serviced Separately; Not Illustrated

1шт.

8

A77441

GASKET

2шт.

9

J902603

SHIM,103.5mm ID x 120mm OD x 1.52mm Thk

1шт.

10

J924186

GEAR

1шт.

11

425-138

SLOTTED NUT,1/2"-20, G8

1шт.

12

372029A2

ELBOW

90 deg, Incl. Ref 13

1шт.

13

238-6018

O-RING,0.07" Thk x 0.739" ID, -18, Cl 6, 90 Duro

Face Seal End

1шт.

14

366780A1

HOSE,19.05 mm ID x 1200.00, SAE 100R4, Type II

1200 mm (47-1/4 in); Pump to Accumulator Valve

1шт.

15

214-1416

HOSE CLAMP,#16, 0.81" - 1.5", Type F Worm

2шт.

16

198828C1

GROMMET,25.4mm ID x 41.1mm OD x 26.9mm Thk

Not Illustrated

1шт.

17

700-348

ELBOW,45 Degree Elbow, 13/16" - 16 Male ORFS x M18 x 1.5 Male ORB

Incl. Ref 18, 19

1шт.

18

637-63153

O-RING,2.2mm Thk x 15.3mm ID, Cl 6, 90 Duro

Boss End

1шт.

19

238-6014

O-RING,0.07" Thk x 0.489" ID, -14, Cl 6, 90 Duro

Face Seal End

1шт.

20

414084A1

VALVE

Brake Accumulator Valve, Incl. 20a 20b 21

1шт.

20a

8604480

KIT

Seal Kit

1шт.

20b

8604479

SEAL KIT

Seal Kit

1шт.

21

627-12035

BOLT,Hex, M12 x 1.75 x 35mm, Cl 10.9, Full Thd

2шт.

22

892-11012

LOCK WASHER,M12

2шт.

Выбрано товаров: 25