Запчасти Case 521D (07-05) - HYDRAULICS - BRAKE, MAIN (VALVE DRAIN TO HYDRAULIC TANK, BRAKE VALVE, AND ACCUMULATOR) (07) - BRAKES

Схема запчастей Case 521D - (07-05) - HYDRAULICS - BRAKE, MAIN (VALVE DRAIN TO HYDRAULIC TANK, BRAKE VALVE, AND ACCUMULATOR) (07) - BRAKES
14
24
45
27
34
18
31
42
43
40
34
23
9
36
38
36
44
8
20
21
35
48
25
21
8
36
41
1
7
15
34
33
38
49
12
11
41
6
57
28
52
3
43
19
38
53
18
47
10
36
36
5
21
26
50
7
40
8
42
32
50
55
38
17
13
4
2
50
36
9
39
56
30
46
37
9
7
36
6
40
16
36
22
51
29
36
FIT
1:1
100%

Артикул

Название

Примечание

Количество

REF

INSTRUCTION

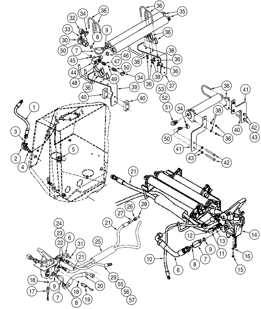
VALVE DRAIN TO HYDRAULIC TANK, BRAKE VALVE, AND ACCUMULATOR

1шт.

1

369881A1

HOSE ASSY.

480 mm (18-7/8 in); Drain

1шт.

2

372028A2

ELBOW

90 deg; Incl. Ref 3, 4

1шт.

3

637-63193

O-RING,2.2mm Thk x 19.3mm ID, Cl 6, 90 Duro

Boss End

1шт.

4

238-6012

O-RING,0.07" Thk x 0.364" ID, -12, Cl 6, 90 Duro

Face Seal End

1шт.

5

198826C1

GROMMET,19.05mm ID x 41.1mm OD x 26.9mm Thk

3/4 ID

1шт.

6

367014A1

HOSE ASSY.

423 mm (16-5/8 in); Accumulator; Right-Hand

1шт.

7

700-307

ELBOW,90 Degree Elbow, 1-3/16" - 12 Male ORFS x M27 x 2 Male ORB

Incl. 8, 9

3шт.

8

637-64236

O-RING,2.9mm Thk x 23.6mm ID, Cl 6, 90 Duro

Boss End

1шт.

9

238-6018

O-RING,0.07" Thk x 0.739" ID, -18, Cl 6, 90 Duro

Face Seal End

1шт.

10

367867A3

HOSE ASSY.

915 mm (36 in)

1шт.

11

700-368

ELBOW,90 Degree Elbow, 11/16" - 16 Male ORFS x M16 x 1.5 Male ORB

90 deg; Incl. Ref 12, 13

1шт.

12

637-63133

O-RING,2.2mm Thk x 13.3mm ID, Cl 6, 90 Duro

Boss End

1шт.

13

238-6012

O-RING,0.07" Thk x 0.364" ID, -12, Cl 6, 90 Duro

Face Seal End

1шт.

14

414084A1

VALVE

Brake; Component Parts Not Available At Time Of Printing

1шт.

16

895-15008

WASHER,9mm ID x 20mm OD x 1.6mm Thk

4шт.

17

390431A2

SWITCH

Brake Light Pressure

1шт.

18

396471A1

SEAL,11.71mm ID x 19.3mm OD x 1.68mm Thk

2шт.

19

390435A2

SWITCH

Brake Warning

1шт.

20

368166A1

HOSE ASSY.

370 mm (14-9/16 in); Accumulator; Right-Hand

1шт.

21

366745A1

HOSE ASSY.

1117 mm (44 in); Brake, Serial Range: Valve-Reservoir

1шт.

22

700-374

45 ELBOW,45 Degree Elbow, 11/16" - 16 Male ORFS x M16 x 1.5 Male ORB

Incl. Ref 23, 24

2шт.

23

238-6012

O-RING,0.07" Thk x 0.364" ID, -12, Cl 6, 90 Duro

1шт.

24

637-63193

O-RING,2.2mm Thk x 19.3mm ID, Cl 6, 90 Duro

1шт.

25

401525A1

HOSE PROTECTION,60.00 mm ID x 600.00 mm

Sleeve

1шт.

26

700-162

HYD CONNECTOR,13/16" - 16 Male ORFS x M22 x 1.5 Male ORB

Incl. Ref 27, 28

1шт.

27

637-63193

O-RING,2.2mm Thk x 19.3mm ID, Cl 6, 90 Duro

1шт.

28

238-6014

O-RING,0.07" Thk x 0.489" ID, -14, Cl 6, 90 Duro

1шт.

29

407634A1

HOSE ASSY.

644 mm (25-3/8 in); Parking Brake Accumulator

1шт.

30

407537A1

FITTING

Incl. Ref 31

1шт.

31

238-6018

O-RING,0.07" Thk x 0.739" ID, -18, Cl 6, 90 Duro

2шт.

32

700-304

ELBOW,90 Degree Elbow, 11/16" - 16 Male ORFS x M14 x 1.5 Male ORB

Incl. 33

1шт.

33

238-6012

O-RING,0.07" Thk x 0.364" ID, -12, Cl 6, 90 Duro

1шт.

34

H434163

DUST CAP

3шт.

35

364109A1

ACCUMULATOR

See Figure 07-08

2шт.

36

A13240

CLAMP,2-5/8" ID

5шт.

37

368675A2

BRACKET

1шт.

38

895-15008

WASHER,9mm ID x 20mm OD x 1.6mm Thk

12шт.

39

369279A2

BRACKET

1шт.

40

367610A1

SPACER

4шт.

41

413964A1

BRACKET

2шт.

42

627-10085

BOLT,Hex, M10 x 1.5 x 85mm, Cl 10.9, Full Thd

M10 x 85; 10.9

4шт.

44

372034A1

FITTING

Incl. Ref 45, 46

1шт.

45

238-6018

O-RING,0.07" Thk x 0.739" ID, -18, Cl 6, 90 Duro

Face Seal End

1шт.

46

637-64236

O-RING,2.9mm Thk x 23.6mm ID, Cl 6, 90 Duro

Boss End

1шт.

47

700-101

HYD CONNECTOR,11/16" - 16 Male ORFS x M14 x 1.5 Male ORB

Incl. 48, 49

1шт.

48

238-6012

O-RING,0.07" Thk x 0.364" ID, -12, Cl 6, 90 Duro

Face Seal End

1шт.

49

637-63113

O-RING,2.2mm Thk x 11.3mm ID, Cl 6

Boss End

1шт.

50

101792A1

COUPLING

3шт.

51

700-457

TEE,11/16" - 16 Male ORFS x 11/16" - 16 Male ORFS x M16 x 1.5 Male ORB

Tee, 11/16 fc sl x 16 Or; Incl. Ref 52, 53

1шт.

52

238-6012

O-RING,0.07" Thk x 0.364" ID, -12, Cl 6, 90 Duro

Face Seal End

2шт.

53

637-63133

O-RING,2.2mm Thk x 13.3mm ID, Cl 6, 90 Duro

Boss End

1шт.

54

413953A1

ACCUMULATOR

Parking Brake; See Figure 07-09

1шт.

55

700-438

TEE,11/16" - 16 Male ORFS x 11/16" - 16 Male ORFS x M18 x 1.5 Male ORB

Elbow, 45 deg, 11/16 fc sl x 18 Or; Incl. Ref 56, 57

1шт.

56

238-6012

O-RING,0.07" Thk x 0.364" ID, -12, Cl 6, 90 Duro

Face Seal End

1шт.

57

637-63153

O-RING,2.2mm Thk x 15.3mm ID, Cl 6, 90 Duro

Boss End

1шт.

15

627-8030

BOLT,Hex, M8 x 1.25 x 30mm, Cl 10.9, Full Thd

4шт.

43

895-11010

WASHER,11mm ID x 20mm OD x 2mm Thk

4шт.

Выбрано товаров: 58