Запчасти Case 521D (08-01) - RESERVOIR (08) - HYDRAULICS

Схема запчастей Case 521D - (08-01) - RESERVOIR (08) - HYDRAULICS
4
15
25
28
35
20
34
4
23
39
42
38
2
11
16
23
15b
5
23
33
18
31
14
6
32
41
36
9
15a
22
7
33
29
1
27
18
3
12
30
37
10
40
19
39
26
29
26
23
21
30
18
3
8
17
FIT
1:1
100%

Артикул

Название

Примечание

Количество

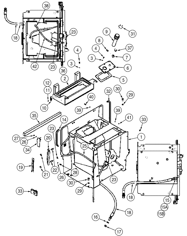
1

397433A3

FRAME

1шт.

2

398882A2

SUPPORT ASSY.

Reservoir

1шт.

3

895-11008

WASHER,9mm ID x 16mm OD x 1.6mm Thk

16шт.

5

379587A1

GASKET

1шт.

6

379584A3

COVER ASSY

Hydraulic Tank

1шт.

7

217-1063

TEE,3/8" - 18 Female x 3/8" - 18 Male Run

1шт.

8

217-123

FITTING,1/2" Hose Barb x 3/8" Male NPTF

1шт.

9

367149A1

STRAINER ASSY.

1шт.

10

60-4640T1

LATCH

1шт.

11

440-1088

SCREW,Cross Pan Hd, #8-32 x 1/2"

2шт.

12

225-14108

NUT,#8-32

2шт.

13

382665A1

SEAL

Air Conditioning Condenser; Not Illustrated

1шт.

14

394866A1

SEAL

Hood

1шт.

15

700-307

ELBOW,90 Degree Elbow, 1-3/16" - 12 Male ORFS x M27 x 2 Male ORB

Incl. 15A, 15B

1шт.

15a

238-6018

O-RING,0.07" Thk x 0.739" ID, -18, Cl 6, 90 Duro

Face Seal End

1шт.

15b

637-64236

O-RING,2.9mm Thk x 23.6mm ID, Cl 6, 90 Duro

Boss End

1шт.

16

218-1256

BHD LOCK NUT,Blkhd, 1 1/16"-12

1шт.

17

218-335

CAP,37 Degree, 1 1/16"-12

1шт.

18

397439A1

HOSE ASSY.

1448 mm (57 in); Drain

1шт.

19

383921A2

GAUGE

1шт.

20

384053A2

BRACKET

1шт.

21

131-141

PUSH-ON NUT,.74", Push-on

2шт.

22

L125836

FITTING

2шт.

23

214-1406

HOSE CLAMP,#06, 0.44" - 0.78", Type F Worm

5шт.

24

198826C1

GROMMET,19.05mm ID x 41.1mm OD x 26.9mm Thk

3/4 ID

2шт.

25

384106A1

RADIATOR HOSE,12.70 mm ID x 1008.00, SAE 100R6

Lower

1шт.

27

832-10410

NUT,M10 x 1.5, Cl 8

2шт.

29

896-11016

WASHER,17.5mm ID x 30mm OD x 4mm Thk

4шт.

30

627-16040

BOLT,Hex, M16 x 2 x 40mm, Cl 10.9, Full Thd

4шт.

31

385818A1

SCREW,Phil Hd, M5 x 25mm, Cl 4.8, Self Seal Patch

M5 x 25

6шт.

32

394867A1

SEAL

354 mm (14 in); Hood; Cut From L107724

1шт.

33

833-40408

NUT,M8, U

22шт.

34

403653A1

BRACKET

1шт.

35

394264A1

FOAM INSULATION

1шт.

36

384105A1

RADIATOR HOSE,12.70 mm ID x 740.00, SAE 100R6

Sight Gauge; Upper

1шт.

37

235417A1

VENT

Pressure Relief

1шт.

38

198825C1

GROMMET,15.88mm ID x 41.1mm OD x 26.9mm Thk

5/8 ID

1шт.

39

896-15008

WASHER,9mm ID x 21mm OD x 2.5mm Thk

9 x 21 x 2,5 mm

8шт.

40

614-8030

BOLT,Hex, M8 x 1.25 x 30mm, Cl 8.8, Full Thd

4шт.

41

829-1408

NUT,Hex, M8 x 1.25, Cl 10.9

4шт.

42

408523A1

HOSE

1630 mm (64-3/16 in)

1шт.

4

627-8025

BOLT,Hex, M8 x 1.25 x 25mm, Cl 10.9, Full Thd

16шт.

28

627-10030

BOLT,Hex, M10 x 1.5 x 30mm, Cl 10.9, Full Thd

2шт.

26

895-11010

WASHER,11mm ID x 20mm OD x 2mm Thk

4шт.

Выбрано товаров: 44