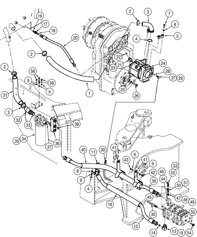
Запчасти Case 521D (08-02) - HYDRAULICS - RESERVOIR TO HYDRAULIC PUMP (08) - HYDRAULICS

Схема запчастей Case 521D - (08-02) - HYDRAULICS - RESERVOIR TO HYDRAULIC PUMP (08) - HYDRAULICS
6
30
8
20
24
19
14
36
49
9
35
45
53
30
55
27
26
48
34
3
37
25
7
13
2
17
50
9
46
5
40
22
2
38
15
2
54
4
2
1
33
43
56
39
47
28
31
41
21
29
41
9
52
42
4
16
12
23
32
9
56
18
44
11
9
51
FIT
1:1
100%

Артикул

Название

Примечание

Количество

RESERVOIR TO PUMP AND LOADER CONTROL VALVE

1шт.

2

L126871

CLAMP

Hose

4шт.

1

365454A1

HOSE,50.80 mm ID x 797.00, SAE 100R4

797 mm (31-3/8 in); Suction, Reservoir to Pump Inlet

1шт.

3

365417A1

TUBE,50.8 mm OD, 130, 100 mm Length

1шт.

4

238-5228

O-RING,0.139" Thk x 2.234" ID, -228, Cl 5, 75 Duro

1шт.

5

A14141

FLANGE

2шт.

6

895-11012

WASHER,13.5mm ID x 24mm OD x 2.5mm Thk

4шт.

7

627-12040

BOLT,Hex, M12 x 1.75 x 40mm, Cl 10.9, Full Thd

4шт.

8

A12306

FLANGE

2шт.

11

238-6219

O-RING,0.139" Thk x 1.296" ID, -219, Cl 6, 90 Duro

1шт.

12

404041A1

HOSE ASSY.

1290 mm (50-3/4 in); Pressure

1шт.

13

700-308

ELBOW,90 Degree Elbow, 1-7/16" - 12 Male ORFS x M33 x 2 Male ORB

Incl. 14, 15

1шт.

14

637-64296

O-RING,2.9mm Thk x 29.6mm ID, Cl 6, 90 Duro

Boss End

1шт.

16

401525A1

HOSE PROTECTION,60.00 mm ID x 600.00 mm

1шт.

17

700-103

HYD CONNECTOR,1" - 14 Male ORFS x M22 x 1.5 Male ORB

Incl. 18, 19

1шт.

18

637-63193

O-RING,2.2mm Thk x 19.3mm ID, Cl 6, 90 Duro

Boss End

1шт.

19

238-6016

O-RING,0.07" Thk x 0.614" ID, -16, Cl 6, 90 Duro

Face Seal End

1шт.

20

365477A2

HOSE ASSY.

743 mm (29-1/4 in)

1шт.

21

700-316

ELBOW,45 Degree Elbow, 1" - 14 Male ORFS x M22 x 1.5 Male ORB

1 fc sl x 22 Or; Incl. 22, 23

1шт.

22

637-63193

O-RING,2.2mm Thk x 19.3mm ID, Cl 6, 90 Duro

Boss End

1шт.

23

238-6016

O-RING,0.07" Thk x 0.614" ID, -16, Cl 6, 90 Duro

Face Seal End

1шт.

24

406345A1

PUMP

Replaced By 406345A2

1шт.

87436172R

REMAN-HYD PUMP

521D BEFORE S/N JEE0135500, Reman for New P/N 406345A1

1шт.

87436172C

CORE-INJECTION PUMP

Return Number

1шт.

24

406345A2

PUMP

Case Drain Size Increased; Torque Limiting Set To 2300 PSI @ 2000 RPM; Replaced By 406345A3

1шт.

87436172R

REMAN-HYD PUMP

521D BEFORE S/N JEE0135500), Reman for New P/N 406345A2

1шт.

87436172C

CORE-INJECTION PUMP

Return Number

1шт.

24

406345A3

PUMP

Torque Limiting Set To 1725 PSI @ 2000 RPM; Replaced By 406345A4

1шт.

87436172R

REMAN-HYD PUMP

521D BEFORE S/N JEE0135500, Reman for New P/N 406345A3

1шт.

87436172C

CORE-INJECTION PUMP

Return Number

1шт.

24

406345A4

PUMP

See Figure 08-14A

1шт.

87436172R

REMAN-HYD PUMP

521D BEFORE S/N JEE0135500, Reman for New P/N 406345A4

1шт.

87436172C

CORE-INJECTION PUMP

Return Number

1шт.

25

896-11016

WASHER,17.5mm ID x 30mm OD x 4mm Thk

2шт.

26

627-16045

BOLT,Hex, M16 x 2 x 45mm, Cl 10.9, Full Thd

2шт.

27

700-303

ELBOW,90 Degree Elbow, 9/16" - 18 Male ORFS x M12 x 1.5 Male ORB

Incl. 28, 29; Reservoir to Pump and Loader Control Valve

1шт.

28

238-6011

O-RING,0.07" Thk x 0.301" ID, -11, Cl 6, 90 Duro

Face Seal End

1шт.

29

637-63093

O-RING,2.2mm Thk x 9.3mm ID, Cl 6, 90 Duro

Boss End

1шт.

30

366008A1

HOSE ASSY.

1442 mm (56-3/4 in); Load Sensing

1шт.

31

390219A1

HOSE,50.80 mm ID x 257.00 mm, SAE 30R6

1шт.

32

390208A2

ADAPTER

1шт.

33

637-64386

O-RING,2.9mm Thk x 38.6mm ID, Cl 6, 90 Duro

(1-1/2 ID x 7/64)

1шт.

34

407475A1

FILTER ASSY

Models With Ride Control; See Figure 08-03

1шт.

35

364596A1

FILTER ASSY

Models Without Ride Control; See Figure 08-03

1шт.

36

370524A2

MANIFOLD

Incl. 37, 38

1шт.

37

637-64386

O-RING,2.9mm Thk x 38.6mm ID, Cl 6, 90 Duro

(1-1/2 ID x 7/64); Boss End

1шт.

39

365516A2

HOSE ASSY.

1613 mm (63-1/2 in ); Valve Return Hose

1шт.

40

401526A1

HOSE PROTECTION,60mm ID x 1200mm L

1шт.

41

401527A1

STRAP

Hose

2шт.

42

627-10025

BOLT,Hex, M10 x 1.5 x 25mm, Cl 10.9, Full Thd

2шт.

43

832-10410

NUT,M10 x 1.5, Cl 8

2шт.

44

700-308

ELBOW,90 Degree Elbow, 1-7/16" - 12 Male ORFS x M33 x 2 Male ORB

Incl. 45, 36; Models without Ride Control

1шт.

45

637-64296

O-RING,2.9mm Thk x 29.6mm ID, Cl 6, 90 Duro

Boss End

1шт.

47

700-153

HYD CONNECTOR,9/16" - 18 Male ORFS x M14 x 1.5 Male ORB

M8 fc sl x 14 orb; Incl. 48, 49

1шт.

48

238-6011

O-RING,0.07" Thk x 0.301" ID, -11, Cl 6, 90 Duro

Face Seal End

1шт.

49

637-63113

O-RING,2.2mm Thk x 11.3mm ID, Cl 6

Face Seal End

1шт.

50

701-421

TEE,9/16" - 18 Male ORFS x 9/16" - 18 Male ORFS x 9/16" - 18 Female ORFS

Incl. 51; Models With Ride Control

1шт.

51

238-6011

O-RING,0.07" Thk x 0.301" ID, -11, Cl 6, 90 Duro

Face Seal End

1шт.

52

190117A1

COUPLING

Incl. 53; Models With Ride Control

1шт.

53

238-6011

O-RING,0.07" Thk x 0.301" ID, -11, Cl 6, 90 Duro

Face Seal End

1шт.

54

178889A1

DIAGNOSTIC COUPLER

Incl. 55

1шт.

55

637-63113

O-RING,2.2mm Thk x 11.3mm ID, Cl 6

Boss End

1шт.

56

627-10020

BOLT,Hex, M10 x 1.5 x 20mm, Cl 10.9, Full Thd

4шт.

10

627-10030

BOLT,Hex, M10 x 1.5 x 30mm, Cl 10.9, Full Thd

4шт.

15

238-6021

O-RING,15/16 X 1 - 1/16, Cl 6

Face Seal End

1шт.

38

238-6021

O-RING,15/16 X 1 - 1/16, Cl 6

Face Seal End

1шт.

46

238-6021

O-RING,15/16 X 1 - 1/16, Cl 6

Face Seal End

1шт.

9

895-11010

WASHER,11mm ID x 20mm OD x 2mm Thk

12шт.

Выбрано товаров: 68