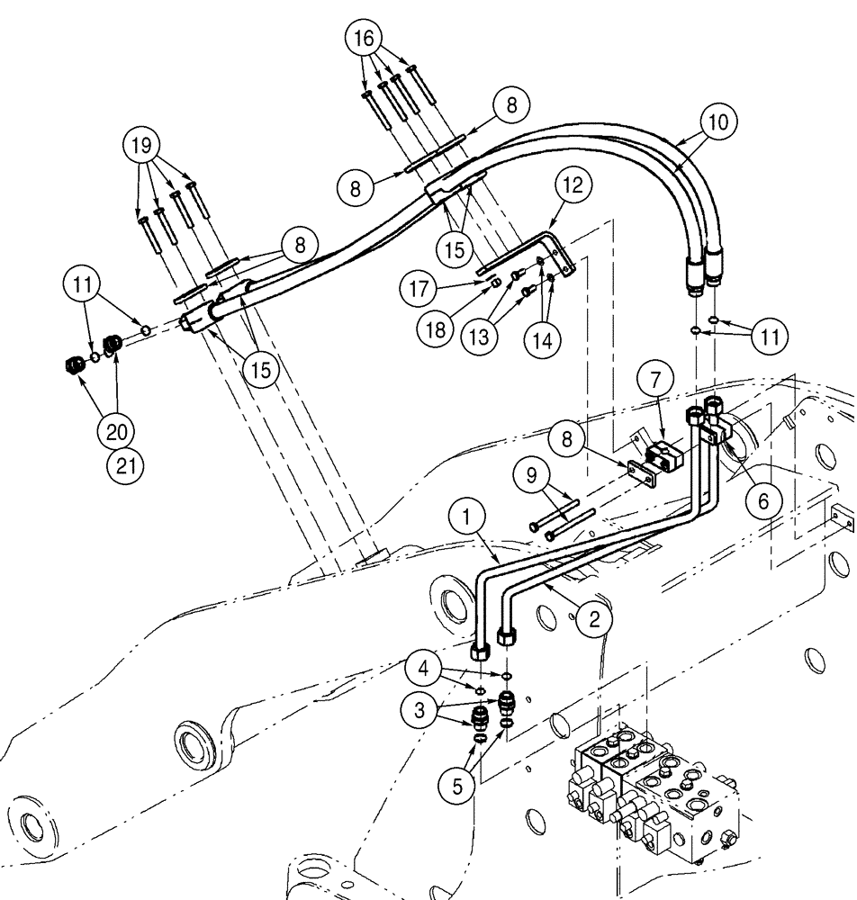
Запчасти Case 521D (08-09) - HYDRAULICS - LOADER AUXILIARY (08) - HYDRAULICS

Схема запчастей Case 521D - (08-09) - HYDRAULICS - LOADER AUXILIARY (08) - HYDRAULICS
8
9
3
2
8
20
11
8
13
12
7
15
17
4
16
8
21
6
19
18
11
15
10
14
5
1
FIT
1:1
100%

Артикул

Название

Примечание

Количество

XT Loader, Three Spool

1шт.

1

404663A1

TUBE

Left Hand

1шт.

2

404665A1

TUBE

Right Hand

1шт.

3

700-104

HYD CONNECTOR,1-3/16" - 12 Male ORFS x M27 x 2 Male ORB

Incl. 4, 5

2шт.

4

637-64236

O-RING,2.9mm Thk x 23.6mm ID, Cl 6, 90 Duro

Boss End

1шт.

5

238-6018

O-RING,0.07" Thk x 0.739" ID, -18, Cl 6, 90 Duro

Face Seal End

1шт.

6

367658A1

PLATE

1шт.

7

379374A1

BLOCK

Mounting

2шт.

8

367658A1

PLATE

15шт.

9

827-10120

BOLT,Hex, M10 x 1.5 x 120mm, Cl 10.9

2шт.

10

391239A1

HOSE ASSY.

2269 mm (89-5/16 in); Incl. 11

2шт.

11

238-6018

O-RING,0.07" Thk x 0.739" ID, -18, Cl 6, 90 Duro

Face Seal End

2шт.

12

373040A1

BRACKET

1шт.

13

627-10025

BOLT,Hex, M10 x 1.5 x 25mm, Cl 10.9, Full Thd

2шт.

15

372453A1

BLOCK

Mounting

4шт.

16

827-10080

BOLT,Hex, M10 x 1.5 x 80mm, Cl 10.9

4шт.

18

832-10410

NUT,M10 x 1.5, Cl 8

4шт.

19

827-10070

BOLT,Hex, M10 x 1.5 x 70mm, Cl 10.9

4шт.

20

701-914

PLUG,Hex, 1-3/16" - 12 ORFS

Incl. 21

2шт.

21

238-6018

O-RING,0.07" Thk x 0.739" ID, -18, Cl 6, 90 Duro

Face Seal End

1шт.

14

895-11010

WASHER,11mm ID x 20mm OD x 2mm Thk

2шт.

17

895-11010

WASHER,11mm ID x 20mm OD x 2mm Thk

4шт.

Выбрано товаров: 22