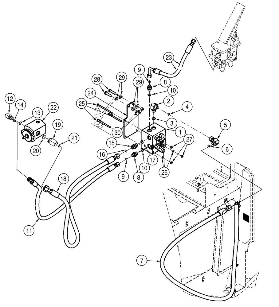
Запчасти Case 521D (02-09) - COOLING SYSTEM - MOTOR, DRIVE, REVERSIBLE FAN DRIVE MOTOR (02) - ENGINE

Схема запчастей Case 521D - (02-09) - COOLING SYSTEM - MOTOR, DRIVE, REVERSIBLE FAN DRIVE MOTOR (02) - ENGINE
21
10
2
7
15
12
3
30
29
9
27
8
26
6
4
24
18
17
13
28
23
16
8
10
11
1
19
22
20
25
5
9
14
29
FIT
1:1
100%

Артикул

Название

Примечание

Количество

REF

INSTRUCTION

REVERSIBLE FAN DRIVE MOTOR

1шт.

1

407240A1

CONTROL VALVE

Fan Reversing; Component Parts Not Serviced Separately

1шт.

2

700-306

ELBOW,90 Degree Elbow, 1" - 14 Male ORFS x M22 x 1.5 Male ORB

Incl. 3, 4

1шт.

3

238-6014

O-RING,0.07" Thk x 0.489" ID, -14, Cl 6, 90 Duro

1шт.

4

637-63153

O-RING,2.2mm Thk x 15.3mm ID, Cl 6, 90 Duro

1шт.

5

701-361

ELBOW,90 Degree Elbow, 1" - 14 Male ORFS x 1" - 14 Female ORFS

Incl. Ref 6

1шт.

6

238-6016

O-RING,0.07" Thk x 0.614" ID, -16, Cl 6, 90 Duro

1шт.

7

376181A2

HOSE ASSY.

Return

1шт.

8

700-162

HYD CONNECTOR,13/16" - 16 Male ORFS x M22 x 1.5 Male ORB

Incl. Ref 9, 10

2шт.

9

637-63193

O-RING,2.2mm Thk x 19.3mm ID, Cl 6, 90 Duro

1шт.

10

238-6014

O-RING,0.07" Thk x 0.489" ID, -14, Cl 6, 90 Duro

1шт.

11

376178A1

HOSE ASSY.

Forward

1шт.

12

700-326

ELBOW,90 Degree Elbow, 13/16" - 16 Male ORFS x M22 x 1.5 Male ORB

Incl. 13, 14

1шт.

13

238-6014

O-RING,0.07" Thk x 0.489" ID, -14, Cl 6, 90 Duro

1шт.

14

637-63153

O-RING,2.2mm Thk x 15.3mm ID, Cl 6, 90 Duro

1шт.

15

700-103

HYD CONNECTOR,1" - 14 Male ORFS x M22 x 1.5 Male ORB

Incl. 16, 17

1шт.

16

637-63193

O-RING,2.2mm Thk x 19.3mm ID, Cl 6, 90 Duro

1шт.

17

238-6016

O-RING,0.07" Thk x 0.614" ID, -16, Cl 6, 90 Duro

1шт.

18

376179A1

HOSE ASSY.

Reverse

1шт.

19

700-387

ELBOW,45 Degree Elbow, 1-3/16" - 12 Male ORFS x M27 x 2 Male ORB

M20 fc sl x 2,7 Or; Incl. Ref 20, 21

1шт.

20

238-6018

O-RING,0.07" Thk x 0.739" ID, -18, Cl 6, 90 Duro

1шт.

21

637-64236

O-RING,2.9mm Thk x 23.6mm ID, Cl 6, 90 Duro

1шт.

22

400337A1

MOTOR, HYDRAULIC

Fan Drive; Reversible

1шт.

23

408003A2

HOSE ASSY.

Valve Supply

1шт.

24

407750A1

BRACKET

1шт.

25

827-8120

BOLT,Hex, M8 x 1.25 x 120mm, Cl 10.9

3шт.

26

895-11008

WASHER,9mm ID x 16mm OD x 1.6mm Thk

3шт.

27

832-10408

NUT,M8 x 1.25, Cl 8.8

3шт.

28

827-12050

BOLT,Hex, M12 x 1.75 x 50mm, Cl 10.9

2шт.

29

896-15012

WASHER,13.5mm ID x 28mm OD x 4mm Thk

13,5 x 28 x 4 mm

4шт.

30

832-10412

NUT,M12 x 1.75, Cl 8

2шт.

Выбрано товаров: 31