Запчасти Case 521D (08-42) - HYDRAULICS - LOADER CONTROL (08) - HYDRAULICS

Схема запчастей Case 521D - (08-42) - HYDRAULICS - LOADER CONTROL (08) - HYDRAULICS
6
18
18
5
8
1
19
10
20
12
2
8
8
17
20
2
4
3
4
19
2
16
4
2
9
11
12
15
9
1
FIT
1:1
100%

Артикул

Название

Примечание

Количество

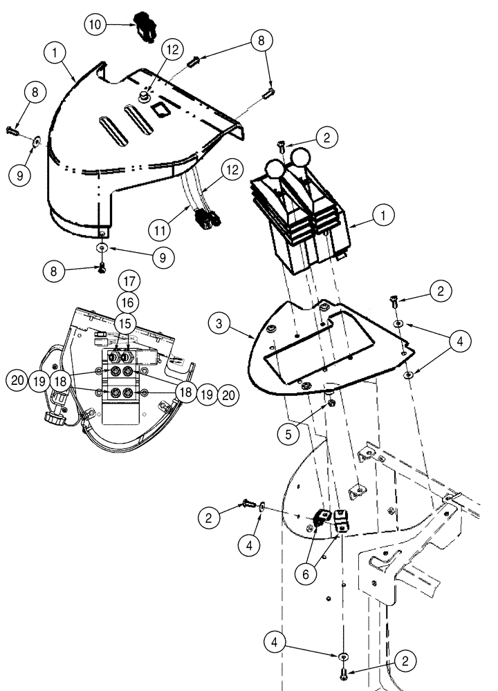
1

407868A1

VALVE, CONTROL

Dual Lever With Two Spool Valve; See Figure 08-26

1шт.

2

840-1620

SCREW,Pan, M6 x 20mm, Cl 4.8

10шт.

3

407999A1

PLATE

1шт.

4

895-25006

WASHER,6.6mm ID x 18mm OD x 1.6mm Thk

10шт.

5

832-10406

NUT,M6 x 1, Cl 8

4шт.

6

400843A1

BRACKET

2шт.

7

407870A1

COVER

1шт.

8

239105A1

SCREW,Cross Pan Hd, M6 x 20mm

4шт.

9

1990502C1

WASHER

1/4 x 13/16 x 1/16 in

2шт.

10

400833A2

SWITCH

Forward/Neutral/Reverse

1шт.

11

402060A1

WIRE HARNESS

Forward/Neutral/Reverse Switch

1шт.

12

402390A1

SWITCH

Downshift; Inc. 13, 14

1шт.

13

NSS

NOT SOLD SEPARAT

Washer, Lock; Not Illustrated

1шт.

14

NSS

NOT SOLD SEPARAT

Nut; Not Illustrated

1шт.

15

700-315

ELBOW,45 Degree Elbow, 11/16" - 16 Male ORFS x M14 x 1.5 Male ORB

Incl. 16, 17

2шт.

16

238-6012

O-RING,0.07" Thk x 0.364" ID, -12, Cl 6, 90 Duro

Face Seal End

1шт.

17

637-63113

O-RING,2.2mm Thk x 11.3mm ID, Cl 6

Boss End

1шт.

18

700-153

HYD CONNECTOR,9/16" - 18 Male ORFS x M14 x 1.5 Male ORB

Incl. 19, 20

4шт.

19

238-6011

O-RING,0.07" Thk x 0.301" ID, -11, Cl 6, 90 Duro

Face Seal End

1шт.

20

637-63113

O-RING,2.2mm Thk x 11.3mm ID, Cl 6

Boss End

1шт.

Выбрано товаров: 20