Запчасти Case 521D (09-09A) - BUCKET - LOADER (09) - CHASSIS

Схема запчастей Case 521D - (09-09A) - BUCKET - LOADER (09) - CHASSIS
9
14
17
1
20
12
6
17
16
13
11
8
16
18
10
9
15
5
2
9
8
6
5
4
19
19
7
3
2
21
8
17
22
19
15
FIT
1:1
100%

Артикул

Название

Примечание

Количество

Z-BAR LOADER

1шт.

BUCKET : 1.7 CU M (2.25 CU YD)

1шт.

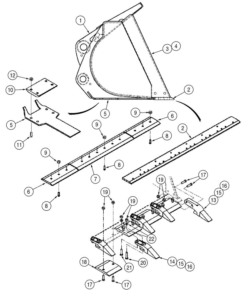
362254A1

BUCKET

Loader; Order From Machinery Price List; Incl. 1 - 5

1шт.

1

NSS

NOT SOLD SEPARAT

Bucket

1шт.

2

76082024

BLADE

Edge, Cutting; Front; Welded On; Replaces 360949A2

1шт.

3

362251A1

MOLDBOARD

Edge, Cutting; Right Side; Z-Bar Loader; Welded On

1шт.

4

362252A1

MOLDBOARD

Edge, Cutting; Left Side; Welded On

1шт.

5

NSS

NOT SOLD SEPARAT

Plate, Wear; Bottom; Welded On

2шт.

BOLT-ON CUTTING EDGE / REBORD TRANCHANT VISSE

1шт.

6

360941A2

EDGE, CUTTING

Outer; Bolt On

2шт.

7

360940A1

EDGE, CUTTING

Center; Bolt On

1шт.

8

420-21244

PLOW BOLT,#3, 3/4" - 10 x 2 3/4", Gr 8

16шт.

9

425-1612

NUT,3/4"-10, G5, Hvy

16шт.

10

360939A1

PLATE

Bottom; Bolt On

2шт.

11

420-21236

CARRIAGE BOLT,#3, 3/4" - 10 x 2 1/4", Gr 8

3/4 x 2-1/4 in

8шт.

12

425-1612

NUT,3/4"-10, G5, Hvy

8шт.

BUCKET TEETH AND CUTTING EDGE / DENTS DU GODET ET BORD TRANCHANT

1шт.

254825A1

TEETH

Center; Incl. 14, 15, 16

6шт.

362852A1

TOOTH

Corner; Left Hand; Not Illustrated; Incl. 13, 15, 16

1шт.

368526A1

TOOTH

Corner; Right Hand; Incl. 13, 15, 16

1шт.

13

NSS

NOT SOLD SEPARAT

Shank; Corner

1шт.

14

NSS

NOT SOLD SEPARAT

Shank; Center

1шт.

15

254815A1

PIN

Point Retaining

1шт.

16

254820A1

TOOTH

Standard

1шт.

16

254822A1

TOOTH

Abrasion; Not Shown

1шт.

16

254823A1

BUCKET TOOTH

Penetration; Not Shown

1шт.

17

420-21244

PLOW BOLT,#3, 3/4" - 10 x 2 3/4", Gr 8

18шт.

18

362962A1

EDGE, CUTTING

No Longer Used

7шт.

19

425-1612

NUT,3/4"-10, G5, Hvy

30шт.

20

426-1252

BOLT,Hex, 3/4" - 10 x 3-1/4", Gr 8

6шт.

21

426-1244

BOLT,Hex, 3/4" - 10 x 2-3/4", Gr 8

6шт.

22

496-11081

WASHER,13/16" x 1 1/2" x .134", HDN

12шт.

Выбрано товаров: 32