Запчасти Case 521D (09-34) - COVERS - CAB OR CANOPY (09) - CHASSIS

Схема запчастей Case 521D - (09-34) - COVERS - CAB OR CANOPY (09) - CHASSIS
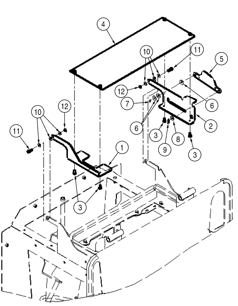
8
6
2
5
1
3
10
7
3
12
11
10
6
3
12
4
11
9
FIT
1:1
100%

Артикул

Название

Примечание

Количество

MODELS WITHOUT AIR CONDITIONING

1шт.

Right-Hand

1шт.

2

398883A2

BRACKET

Left-Hand

1шт.

3

627-8016

BOLT,Hex, M8 x 1.25 x 16mm, Cl 10.9, Full Thd

4шт.

4

385687A1

PLATE

1шт.

5

398744A2

BRACKET

1шт.

6

895-15006

WASHER,6.6mm ID x 25mm OD x 1.6mm Thk

3шт.

7

733-1610

COTTER PIN,M1.6 x 10

1шт.

9

733-3220

COTTER PIN,M3.2 x 20

1шт.

10

895-15008

WASHER,9mm ID x 20mm OD x 1.6mm Thk

6шт.

12

832-10408

NUT,M8 x 1.25, Cl 8.8

2шт.

11

627-8025

BOLT,Hex, M8 x 1.25 x 25mm, Cl 10.9, Full Thd

2шт.

8

895-15010

WASHER,11mm ID x 24mm OD x 2mm Thk

1шт.

Выбрано товаров: 13