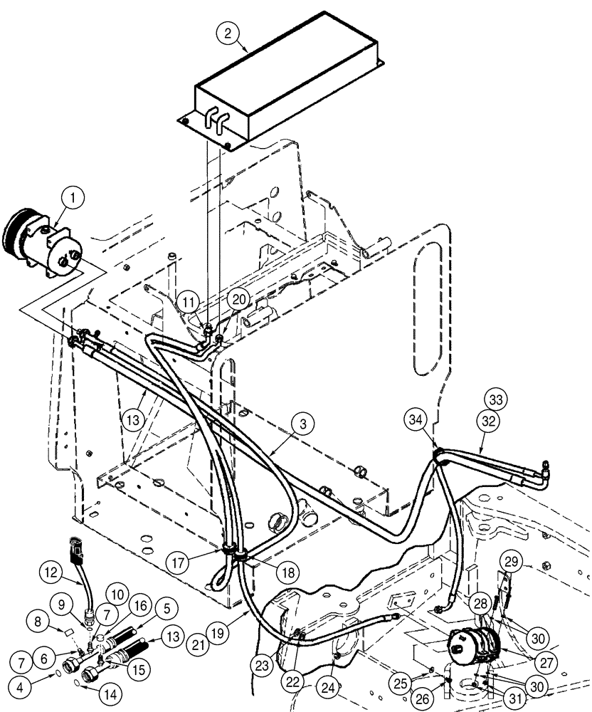
Запчасти Case 521D (09-50) - AIR CONDITIONING (09) - CHASSIS

Схема запчастей Case 521D - (09-50) - AIR CONDITIONING (09) - CHASSIS
7
1
9
13
25
32
26
24
12
17
19
11
16
20
28
33
13
27
15
2
21
4
7
34
10
8
3
18
5
29
22
30
6
31
14
30
23
FIT
1:1
100%

Артикул

Название

Примечание

Количество

COMPRESSOR TO CAB BASE

1шт.

1

352524A1

COMPRESSOR

Component Parts Not Serviced Separately

1шт.

86983968R

REMAN-COMPRESSOR

521D BEFORE S/N JEE0135500, Reman for New P/N 352524A1

1шт.

86983968C

CORE-COMPRESSOR

Return Number

1шт.

2

383912A1

CONDENSER

1шт.

3

402986A1

HOSE ASSY.

3084 mm (121-1/2 in); Compressor To Condensor; Incl. 4 - 11

1шт.

4

128485A1

O-RING,1.78mm Thk x 14mm ID, 70 Duro

9/16 ID x 1/16

1шт.

5

1250592C1

PIPE UNION NUT

1шт.

6

1999926C1

PIPE FITTING

1шт.

7

1250594C1

CORE

2шт.

8

122554A1

CAP

1шт.

9

128485A1

O-RING,1.78mm Thk x 14mm ID, 70 Duro

9/16 ID x 1/16

1шт.

10

122081A1

FITTING,M10 x 1.25 x 26.43mm L

1шт.

11

128484A1

O-RING,0.07" Thk x 0.426" ID, -13, Cl 5, 70 Duro

7/16 ID x 1/16

1шт.

12

232948A1

SWITCH, A/C HIGH PRE

1шт.

13

233052A1

HOSE ASSY.

2280 mm (89-3/4 in); Compressor To Cab Base; Incl. 14 - 16

1шт.

14

128485A1

O-RING,1.78mm Thk x 14mm ID, 70 Duro

9/16 ID x 1/16

1шт.

15

1250594C1

CORE

1шт.

16

122553A1

CAP

1шт.

17

198826C1

GROMMET,19.05mm ID x 41.1mm OD x 26.9mm Thk

3/4 ID

1шт.

18

198825C1

GROMMET,15.88mm ID x 41.1mm OD x 26.9mm Thk

5/8 ID

1шт.

19

407974A1

HOSE ASSY.

2044 mm lg; Condensor To Receiver-Drier; Incl. 20, 21

1шт.

20

128484A1

O-RING,0.07" Thk x 0.426" ID, -13, Cl 5, 70 Duro

7/16 ID x 1/16

1шт.

21

128483A1

O-RING,1.78mm Thk x 7.65mm ID, 70 Duro

5/16 ID x 1/16

1шт.

22

515-23159

CLAMP,5/8", Insul, 3/8" Bolt

1шт.

23

895-11012

WASHER,13.5mm ID x 24mm OD x 2.5mm Thk

1шт.

24

832-10410

NUT,M10 x 1.5, Cl 8

1шт.

25

895-25006

WASHER,6.6mm ID x 18mm OD x 1.6mm Thk

2шт.

26

627-6012

BOLT,Hex, M6 x 1 x 12mm, Cl 10.9, Full Thd

2шт.

27

295006A1

RECEIVER-DRYER

1шт.

28

70-6589T1

SUPPORT

2шт.

29

827-6040

BOLT,Hex, M6 x 40mm, Cl 10.9

2шт.

30

895-11006

WASHER,6.6mm ID x 12mm OD x 1.6mm Thk

4шт.

31

832-10406

NUT,M6 x 1, Cl 8

2шт.

32

407961A1

HOSE ASSY.

1058 mm lg; Receiver-Drier To Cab; Incl. 33

1шт.

33

128483A1

O-RING,1.78mm Thk x 7.65mm ID, 70 Duro

5/16 ID x 1/16

1шт.

34

L18337

CABLE TIE,9.95"-12.1" lg

CABLE STRAP 15 in

1шт.

Выбрано товаров: 0