Запчасти Case 521D (02-17) - WASTEGATE ACTUATOR (02) - ENGINE

Схема запчастей Case 521D - (02-17) - WASTEGATE ACTUATOR (02) - ENGINE
10
8
1
2
a
3
6
11
9
4
5
a
7
6
FIT
1:1
100%

Артикул

Название

Примечание

Количество

REF

INSTRUCTION

4T-390 EMISSIONS CERTIFIED ENGINE

1шт.

A78000

KIT

Turbocharger; Also Includes Parts On Figure 02-16

1шт.

A78000R

REMAN-TURBOCHARGER

521D CASE WHEEL LOADER (BEFORE S/N JEE0135500), Turbocharger

1шт.

A78000C

CORE-TURBOCHARGER

Return Number

1шт.

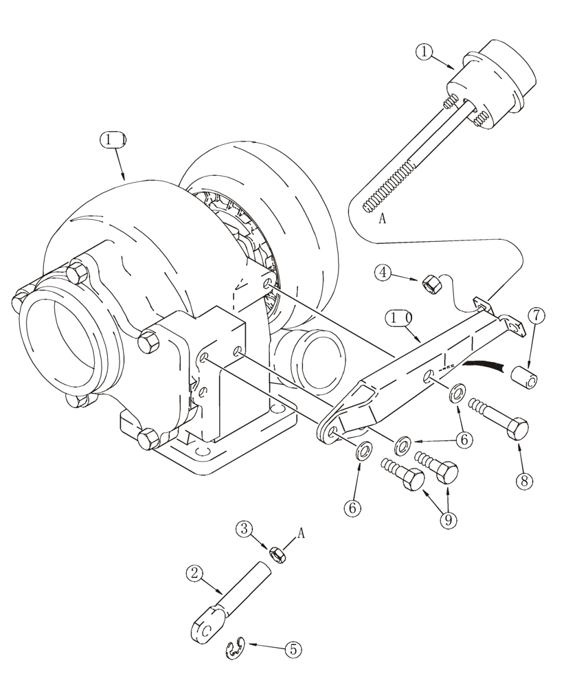
1

J537561

ACTUATOR

No Longer Used; Order J594012

1шт.

1a

J594012

ACTUATOR

1шт.

2

J528177

LINK

1шт.

3

425-155

JAM NUT,Jam, 5/16"-24, G5

1шт.

4

J528204

LOCK NUT

2шт.

5

J528221

CIRCLIP

1шт.

6

895-11008

WASHER,9mm ID x 16mm OD x 1.6mm Thk

3шт.

7

J532195

SPACER,9.38mm ID x 16.03mm OD x 13.7mm L

13.6 mm

1шт.

8

814-8035

BOLT,Hex, M8 x 1.25 x 35mm, Cl 8.8

1шт.

9

614-8020

BOLT,Hex, M8 x 1.25 x 20mm

2шт.

10

J535203

SUPPORT

1шт.

11

NSS

NOT SOLD SEPARAT

Housing

1шт.

Выбрано товаров: 16