Запчасти Case 521D (03-02) - PEDAL ASSY - THROTTLE, FOOT (03) - FUEL SYSTEM

Схема запчастей Case 521D - (03-02) - PEDAL ASSY - THROTTLE, FOOT (03) - FUEL SYSTEM
1
4
3
6
6
5
7
1
4
8
2
6
5
3
7
8
4
4
4
4
3
FIT
1:1
100%

Артикул

Название

Примечание

Количество

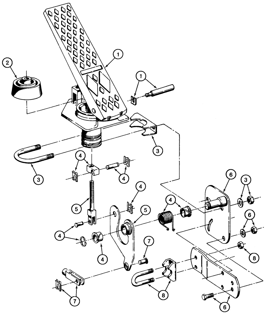
295157A1

PEDAL ASSY.

Accelerator; Incl. Ref 1 - 8

1шт.

1

336463A1

SET OF PARTS

Pedal Kit; Component Parts Not Serviced Separately

1шт.

2

336467A1

SET OF PARTS

Bellows Kit; Component Parts Not Serviced Separately

1шт.

3

336461A1

SET OF PARTS

U-Bolt Kit; Component Parts Not Serviced Separately

1шт.

4

336460A1

KIT

Bearing and Hardware Kit; Component Parts Not Serviced Separately

1шт.

5

336462A1

SET OF PARTS

Lever and Push Rod Kit; Component Parts Not Serviced Separately

1шт.

6

336464A1

SET OF PARTS

Cable Hanger and Support Bracket Kit; Component Parts Not Serviced Separately

1шт.

7

336466A1

SET OF PARTS

Clevis and Hardware Kit; Component Parts Not Serviced Separately

1шт.

8

336465A1

SET OF PARTS

Cable Anchor Kit; Component Parts Not Serviced Separately

1шт.

Выбрано товаров: 9