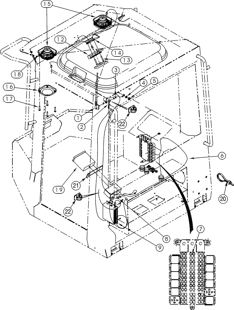
Запчасти Case 521D (04-34) - RADIO MOUNTING - REMOTE RADIO SYSTEM (24 VOLT) (04) - ELECTRICAL SYSTEMS

Схема запчастей Case 521D - (04-34) - RADIO MOUNTING - REMOTE RADIO SYSTEM (24 VOLT) (04) - ELECTRICAL SYSTEMS
21
8
13
22
1
16
5
14
20
18
7
22
17
6
4
15
3
19
2
9
12
FIT
1:1
100%

Артикул

Название

Примечание

Количество

REMOTE RADIO SYSTEM, 24 VOLT

1шт.

1

197745A1

ANTENNA

1шт.

2

316654A1

CABLE ASSY.

Antenna

1шт.

3

316655A1

GROUND CABLE

1шт.

4

893-11006

LOCK WASHER,Ext Tooth, M6

1шт.

5

829-1406

NUT,Hex, M6 x 1, Cl 10.9

M6; 10.9

1шт.

6

277919A1

HARNESS

Radio

1шт.

7

A149799

FUSE

7,5 amp

1шт.

8

277918A2

HARNESS

Radio Installtion

1шт.

9

316781A2

RADIO

Main Chassis; 24 Volt; Use Existing Hardware

1шт.

12

186082A1

REMOTE CONTROL

1шт.

13

842-1425

SCREW,Phillips Drive, Oval HD, M4 x 25mm, Cl 4.8

2шт.

14

302862A1

SPRING NUT,4.2 Thread

2шт.

15

182721A2

SPEAKER

5-1/2

2шт.

16

187281A1

COVER

Grille

2шт.

17

761-17325

SELF-TAP SCREW,Pan Hd, M4.2 x 25

8шт.

18

302862A1

SPRING NUT,4.2 Thread

8шт.

19

186084A1

RADIO

Tape Player; 24 volt; If Equipped

1шт.

20

L18337

CABLE TIE,9.95"-12.1" lg

CABLE STRAP 15 in

2шт.

21

334569A1

PLATE

1шт.

22

169850C2

CABLE CLIP

2шт.

Выбрано товаров: 21