Запчасти Case 521D (05-02) - VALVE ASSY - STEERING CONTROL (05) - STEERING

Схема запчастей Case 521D - (05-02) - VALVE ASSY - STEERING CONTROL (05) - STEERING
8
5
14
17
19
12
2
15
10
13
1
3
21
18
20
9
4
3
7
16
6
11
FIT
1:1
100%

Артикул

Название

Примечание

Количество

377601A1

VALVE

Steering Control; Includes Steering Column; Incl. Ref 1 - 30

1шт.

383597A1

VALVE

Steering Control; Valve Only; Incl. Ref 1 - 21

1шт.

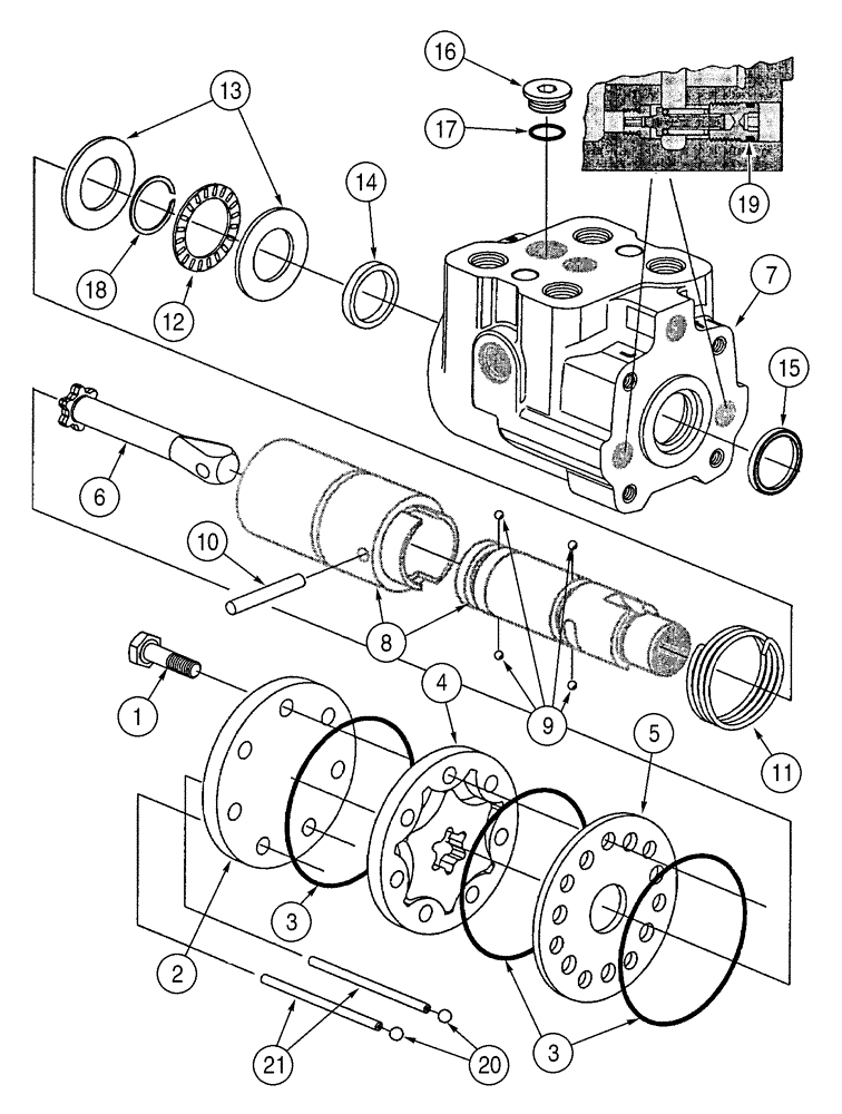
1

407768A1

SCREW

7шт.

2

NSS

NOT SOLD SEPARAT

Cap

1шт.

3

298587A1

SEAL

Included In 407966A1 Kit

3шт.

4

NSS

NOT SOLD SEPARAT

Gerotor

1шт.

5

NSS

NOT SOLD SEPARAT

Plate

1шт.

6

NSS

NOT SOLD SEPARAT

Shaft, Drive

1шт.

7

NSS

NOT SOLD SEPARAT

Housing

1шт.

8

NSS

NOT SOLD SEPARAT

Spool

1шт.

9

NSS

NOT SOLD SEPARAT

Ball

4шт.

10

NSS

NOT SOLD SEPARAT

Pin

1шт.

11

409185A1

SPRING

1шт.

12

298593A1

NEEDLE BEARING

1шт.

13

298594A1

BEARING CUP

2шт.

407966A1

KIT

Incl. 3, 14, 15, 17, 19

1шт.

14

400210A1

SEAL

Included In 407966A1 Kit

1шт.

15

320196A1

SEAL

Included In 407966A1 Kit

1шт.

16

NSS

NOT SOLD SEPARAT

Plug

1шт.

17

237-6008

O-RING,0.087" Thk x 0.644" ID, -908, Cl 6, 90 Duro

Included in 407966A1 kit

1шт.

18

298595A1

RING

1шт.

19

238-6011

O-RING,0.07" Thk x 0.301" ID, -11, Cl 6, 90 Duro

Included In 407966A1 Kit

2шт.

20

298596A1

BALL

2шт.

21

298597A1

ROLL PIN

2шт.

383598A1

STEERING SHAFT

Steering Column; Incl. Ref 22 - 30; Components Not Illustrated

1шт.

22

627-10040

BOLT,Hex, M10 x 1.5 x 40mm, Cl 10.9, Full Thd

4шт.

23

NSS

NOT SOLD SEPARAT

Tube

1шт.

24

NSS

NOT SOLD SEPARAT

Flange

1шт.

25

NSS

NOT SOLD SEPARAT

Plate

1шт.

26

NSS

NOT SOLD SEPARAT

Bearing, Support

1шт.

27

NSS

NOT SOLD SEPARAT

Retainer

1шт.

28

NSS

NOT SOLD SEPARAT

Shaft

1шт.

29

NSS

NOT SOLD SEPARAT

Ring, Retaining

1шт.

30

NSS

NOT SOLD SEPARAT

Cap

1шт.

Выбрано товаров: 34