Запчасти Case 521D (05-03) - HYDRAULICS - STEERING, STANDARD (STEERING PRESSURE AND RETURN) (05) - STEERING

Схема запчастей Case 521D - (05-03) - HYDRAULICS - STEERING, STANDARD (STEERING PRESSURE AND RETURN) (05) - STEERING
10
22
15
11
5
9
23
14
16
21
7
13
17
2
20
1
3
24
6
8
4
2
10
8
12
7
18
4
19
3
FIT
1:1
100%

Артикул

Название

Примечание

Количество

STANDARD STEERING - STEERING PRESSURE AND RETURN

1шт.

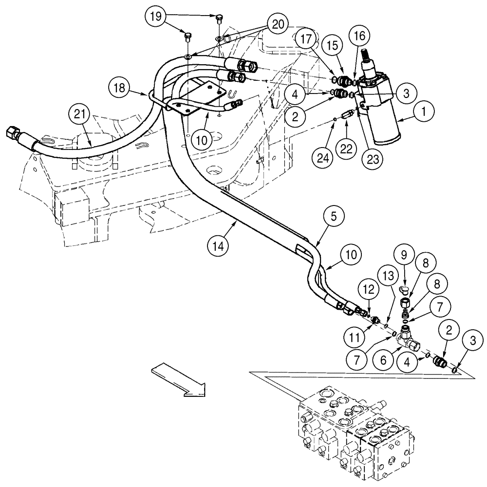
1

377601A1

VALVE

Steering Control; See Figure 05-02

1шт.

2

700-103

HYD CONNECTOR,1" - 14 Male ORFS x M22 x 1.5 Male ORB

Incl. 3, 4

2шт.

3

637-63193

O-RING,2.2mm Thk x 19.3mm ID, Cl 6, 90 Duro

Boss End

2шт.

4

238-6016

O-RING,0.07" Thk x 0.614" ID, -16, Cl 6, 90 Duro

Face Seal End

2шт.

5

388641A2

HOSE ASSY.

Steering Return

1шт.

6

701-433

TEE,1" - 14 Male ORFS x 1" - 14 Male ORFS x 1" - 14 Female ORFS

Incl. Ref 7

1шт.

7

238-6016

O-RING,0.07" Thk x 0.614" ID, -16, Cl 6, 90 Duro

Face Seal End

2шт.

8

324201A1

PLUG

Adapter

1шт.

9

H434163

DUST CAP

1шт.

10

366007A2

HOSE ASSY.

Steering Load Sense

1шт.

11

700-153

HYD CONNECTOR,9/16" - 18 Male ORFS x M14 x 1.5 Male ORB

Adapter, M8 fc sl x 14 Or; Incl. Ref 12, 13

1шт.

12

637-63113

O-RING,2.2mm Thk x 11.3mm ID, Cl 6

Boss End

1шт.

13

238-6011

O-RING,0.07" Thk x 0.301" ID, -11, Cl 6, 90 Duro

Face Seal End

1шт.

14

401526A1

HOSE PROTECTION,60mm ID x 1200mm L

Sleeve

1шт.

15

700-107

HYD CONNECTOR,1-3/16" - 12 Male ORFS x M22 x 1.5 Male ORB

Incl. 16, 17

1шт.

16

637-63193

O-RING,2.2mm Thk x 19.3mm ID, Cl 6, 90 Duro

Boss End

1шт.

17

238-6018

O-RING,0.07" Thk x 0.739" ID, -18, Cl 6, 90 Duro

Face Seal End

1шт.

18

406440A2

BRACKET

1шт.

19

627-12020

BOLT,Hex, M12 x 1.75 x 20mm, Cl 10.9, Full Thd

2шт.

20

895-11012

WASHER,13.5mm ID x 24mm OD x 2.5mm Thk

2шт.

21

365751A2

HOSE ASSY.

Steering Return

1шт.

22

700-303

ELBOW,90 Degree Elbow, 9/16" - 18 Male ORFS x M12 x 1.5 Male ORB

90 deg; Incl. Ref 23, 24

1шт.

23

637-63093

O-RING,2.2mm Thk x 9.3mm ID, Cl 6, 90 Duro

Boss End

1шт.

24

238-6011

O-RING,0.07" Thk x 0.301" ID, -11, Cl 6, 90 Duro

Face Seal End

1шт.

Выбрано товаров: 25