Запчасти Case 521D (05-06) - HYDRAULICS - STEERING (COOLER) (05) - STEERING

Схема запчастей Case 521D - (05-06) - HYDRAULICS - STEERING (COOLER) (05) - STEERING
2
3
1
8
10
11
6
4
7
13
4
14
5
6
12
15
9
5
3
FIT
1:1
100%

Артикул

Название

Примечание

Количество

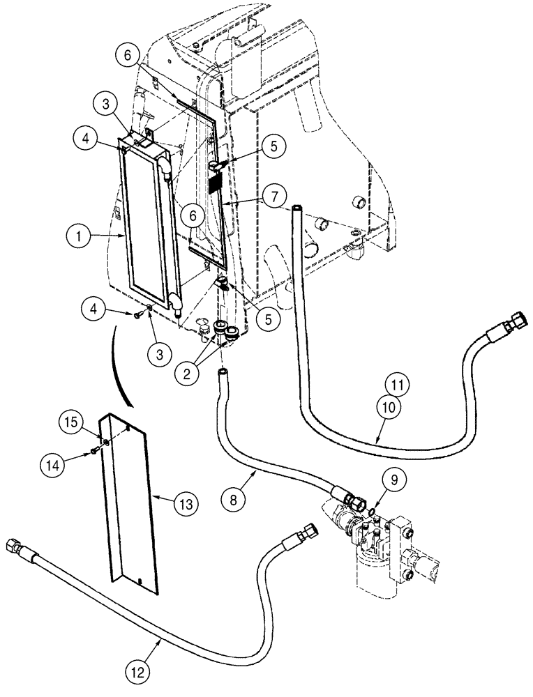
1

362960A1

OIL COOLER

Hydraulic Oil

1шт.

2

198828C1

GROMMET,25.4mm ID x 41.1mm OD x 26.9mm Thk

1шт.

3

895-15008

WASHER,9mm ID x 20mm OD x 1.6mm Thk

2шт.

4

627-8020

BOLT,Hex, M8 x 1.25 x 20mm, Cl 10.9, Full Thd

2шт.

5

328186A1

HOSE CLAMP

2шт.

6

382260A1

SEAL

2шт.

7

382258A1

OIL SEAL

1шт.

8

367872A1

HOSE ASSY.

Return

1шт.

9

238-6018

O-RING,0.07" Thk x 0.739" ID, -18, Cl 6, 90 Duro

1шт.

10

367871A1

HOSE ASSY.

Fan Drive to Cooler; Standard Fan

1шт.

11

376181A2

HOSE ASSY.

Fan Valve Return; Fan Reversing

1шт.

REF

INSTRUCTION

WITHOUT HYDRAULIC COOLER

1шт.

12

369880A1

HOSE ASSY.

Fan Drive Return

1шт.

13

385688A1

PLATE

1шт.

14

627-10025

BOLT,Hex, M10 x 1.5 x 25mm, Cl 10.9, Full Thd

2шт.

15

895-11010

WASHER,11mm ID x 20mm OD x 2mm Thk

2шт.

Выбрано товаров: 16