Запчасти Case 521D (06-01) - HYDRAULICS - TRANSMISSION (06) - POWER TRAIN

Схема запчастей Case 521D - (06-01) - HYDRAULICS - TRANSMISSION (06) - POWER TRAIN
9
2
3
6
13
10
4
1
8
6
2
15
10
3
7
12
4
16
14
16
18
12
11
15
5
FIT
1:1
100%

Артикул

Название

Примечание

Количество

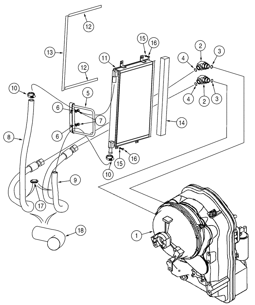
1

361424A1

TRANSMISSION

ZF No. 4656 024 017; See Figures 06-04 - 06-21, 07-01

1шт.

1

361424A1R

REMAN-TRANSMISSION

Remanufactured Transmission; 521D Tier 1 & 2, Model Number 4WG130, Stock Number 4656 024 017

1шт.

1

361424A1C

CORE-TRANSMISSION

Return number

1шт.

2

201-308

ELBOW,90 Degree Elbow, 1-7/16" - 12 Male ORFS x 1-5/16" - 12 Male ORB

90 deg, 1-7/16 fc x 1-5/16 Or; Incl. Ref 3, 4

2шт.

3

237-6016

O-RING,0.116" Thk x 1.171" ID, -916, Cl 6, 90 Duro

1шт.

5

408344A1

BRACKET

1шт.

7

832-10410

NUT,M10 x 1.5, Cl 8

2шт.

8

402094A1

HOSE ASSY.

2028 mm (79-7/8 in), Transmission To Cooler

1шт.

9

402095A1

HOSE ASSY.

1498 mm (59 in), Cooler To Transmission

1шт.

10

353036A1

HOSE CLAMP,32mm - 54mm

2шт.

11

401429A1

COOLER

1шт.

12

382259A1

SEAL

2шт.

13

382258A1

OIL SEAL

1шт.

14

382262A2

OIL SEAL

1шт.

15

895-15008

WASHER,9mm ID x 20mm OD x 1.6mm Thk

4шт.

16

627-8020

BOLT,Hex, M8 x 1.25 x 20mm, Cl 10.9, Full Thd

4шт.

17

248-1185

GROMMET,1 1/2" ID x 1 3/4" Groove Dia

2шт.

18

401526A1

HOSE PROTECTION,60mm ID x 1200mm L

Sleeve

1шт.

4

238-6021

O-RING,15/16 X 1 - 1/16, Cl 6

Face Seal End

1шт.

6

895-11010

WASHER,11mm ID x 20mm OD x 2mm Thk

2шт.

Выбрано товаров: 0