Качественные детали и логистика
Оригинальные и аналоговые запчасти с доставкой по России, Казахстану и Беларуси
©2022 PartSell ООО "Система" ИНН 2463123282 ОГРН 1212400004838
Центральный офис: г. Красноярск, Академика Киренского, д.87, пом.4
Телефон: 8 (800) 777-65-74 Email: zakaz@partsell.ru
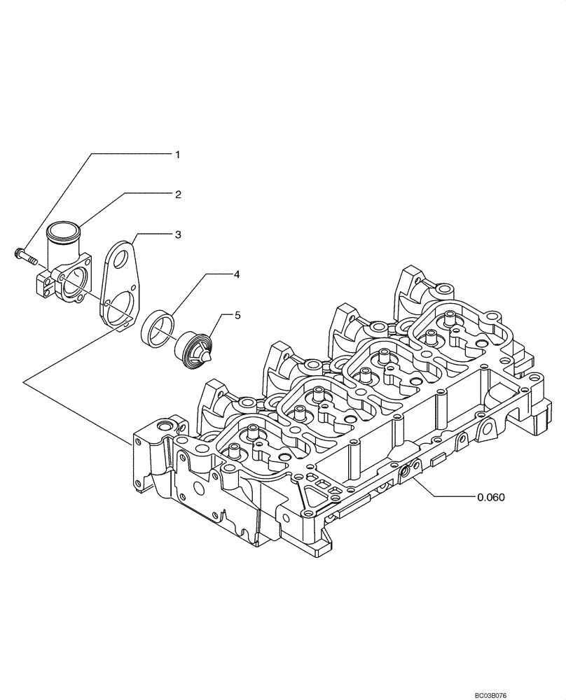
(0.326[01]) - THERMOSTAT - ENGINE COOLING SYSTEM
№
Артикул
Название
Примечание
Количество
1
4899019
SCREW,Hex Flg, M8 x 1.25 x 35
1шт.
4895295
BOLT,Flng, M8 x 1.25 x 70mm, Cl 10.9
2шт.
2
4898669
HOUSING
3
2852242
BRACKET
4
2852154
GASKET,50mm ID x 59.25mm OD x 16.23mm Thk
5
2830734
THERMOSTAT
Выбрано товаров: 0