Запчасти Case 521D (05-02) - VALVE ASSY - STEERING CONTROL (05) - STEERING

Схема запчастей Case 521D - (05-02) - VALVE ASSY - STEERING CONTROL (05) - STEERING
16
4
10
2
17
14
1
3
12
5
6
21
9
18
15
3
19
13
7
8
11
20
FIT
1:1
100%

Артикул

Название

Примечание

Количество

87405438

CONTROL VALVE

Steering; Includes Steering Column; Incl. 1 - 30

1шт.

8604610

CONTROL VALVE

35,9 cu in; Incl. 1 - 21; If Used

1шт.

87405608

CONTROL VALVE

35,9 cu in; Orbitrol; If Used

1шт.

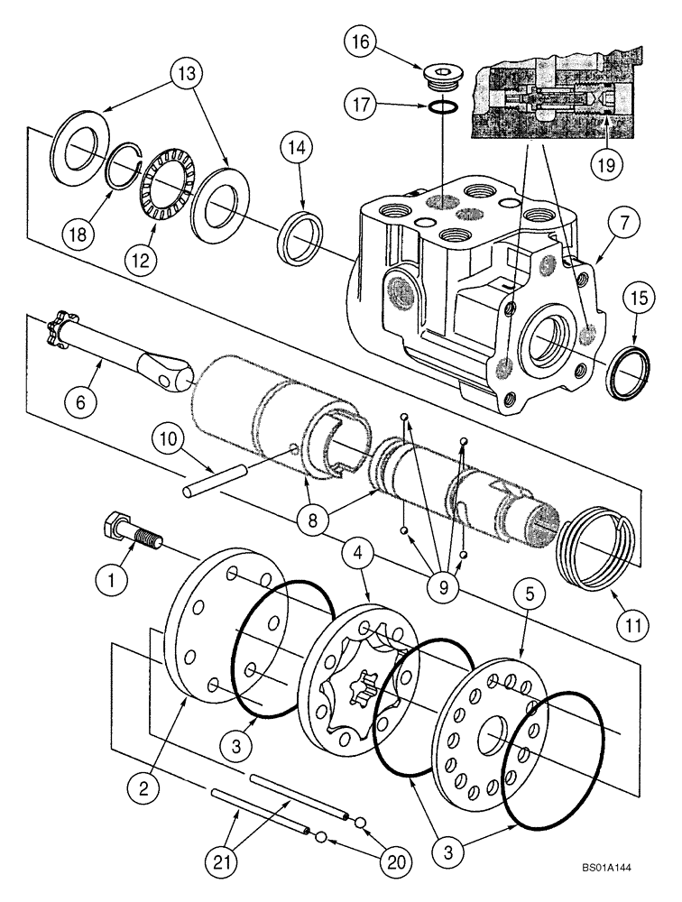
1

8604458

SCREW

7шт.

2

NSS

NOT SOLD SEPARAT

Cap

1шт.

3

8604283

O-RING

3шт.

4

NSS

NOT SOLD SEPARAT

Gerotor

1шт.

5

NSS

NOT SOLD SEPARAT

Plate

1шт.

6

NSS

NOT SOLD SEPARAT

Shaft, Drive

1шт.

7

NSS

NOT SOLD SEPARAT

Housing

1шт.

8

NSS

NOT SOLD SEPARAT

Spool

1шт.

9

NSS

NOT SOLD SEPARAT

Ball

4шт.

10

NSS

NOT SOLD SEPARAT

Pin

1шт.

11

8604430

SPRING

1шт.

12

8604284

THRUST BEARING

1шт.

13

8604285

RACE

2шт.

14

8604294

SEAL

1шт.

15

8604431

SEAL

1шт.

16

NSS

NOT SOLD SEPARAT

Plug

1шт.

17

237-6008

O-RING,0.087" Thk x 0.644" ID, -908, Cl 6, 90 Duro

1шт.

18

8604286

RING

1шт.

19

238-6011

O-RING,0.07" Thk x 0.301" ID, -11, Cl 6, 90 Duro

Face Seal

2шт.

8604683

SEAL KIT

Incl. 3, 14, 15, 19

1шт.

20

8604287

BALL

2шт.

21

8604288

ROLL PIN

2шт.

8604413

STEERING SHAFT

Not Illustrated; Incl. 22 - 30

1шт.

22

627-10040

BOLT,Hex, M10 x 1.5 x 40mm, Cl 10.9, Full Thd

4шт.

23

NSS

NOT SOLD SEPARAT

Tube

1шт.

24

NSS

NOT SOLD SEPARAT

Flange

1шт.

25

NSS

NOT SOLD SEPARAT

Plate

1шт.

26

NSS

NOT SOLD SEPARAT

Bearing, Support

1шт.

27

NSS

NOT SOLD SEPARAT

Retainer

1шт.

28

NSS

NOT SOLD SEPARAT

Shaft

1шт.

29

NSS

NOT SOLD SEPARAT

Ring, Retaining

1шт.

30

NSS

NOT SOLD SEPARAT

Cap

1шт.

31

166-43

12 PT SCREW,Flg, 3/8" - 16 x 3/4", Gr 8

3/8 x 3/4; Not Illustrated

2шт.

Выбрано товаров: 36