Запчасти Case 521D (05-03) - HYDRAULICS - STEERING (05) - STEERING

Схема запчастей Case 521D - (05-03) - HYDRAULICS - STEERING (05) - STEERING
17
10
15
9
1
19
18
24
16
10
3
20
14
7
3
11
7
5
8
2
23
21
22
6
4
8
4
12
13
2
FIT
1:1
100%

Артикул

Название

Примечание

Количество

REF

INSTRUCTION

STEERING PRESSURE AND RETURN

1шт.

REF

INSTRUCTION

STANDARD STEERING

1шт.

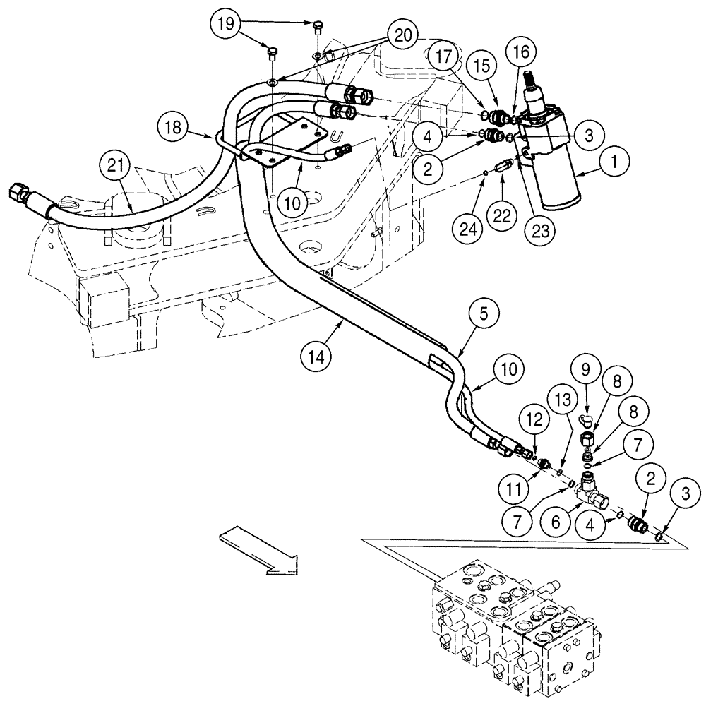
1

87405438

CONTROL VALVE

Steering; See Figure 05-02

1шт.

1

87307053

HYDRAULIC VALVE

Replaces 87405438

1шт.

2

700-103

HYD CONNECTOR,1" - 14 Male ORFS x M22 x 1.5 Male ORB

Incl. 3, 4

2шт.

3

637-63193

O-RING,2.2mm Thk x 19.3mm ID, Cl 6, 90 Duro

Boss Seal

1шт.

4

238-6016

O-RING,0.07" Thk x 0.614" ID, -16, Cl 6, 90 Duro

Face Seal

1шт.

5

408877A1

HOSE ASSY.

1673 mm (65 - 7/8 in); Steering Return

1шт.

6

701-433

TEE,1" - 14 Male ORFS x 1" - 14 Male ORFS x 1" - 14 Female ORFS

Incl. 7

1шт.

7

238-6016

O-RING,0.07" Thk x 0.614" ID, -16, Cl 6, 90 Duro

Face Seal

2шт.

8

324201A1

PLUG

1шт.

9

H434163

DUST CAP

1шт.

10

408878A1

HOSE ASSY.

1857 mm (73 - 1/8 in); Steering Load Sense

1шт.

11

700-153

HYD CONNECTOR,9/16" - 18 Male ORFS x M14 x 1.5 Male ORB

M8 fc sl x 14 orb; Incl. 12, 13

1шт.

12

637-63113

O-RING,2.2mm Thk x 11.3mm ID, Cl 6

1шт.

13

238-6011

O-RING,0.07" Thk x 0.301" ID, -11, Cl 6, 90 Duro

Face Seal

1шт.

14

401526A1

HOSE PROTECTION,60mm ID x 1200mm L

1шт.

15

700-107

HYD CONNECTOR,1-3/16" - 12 Male ORFS x M22 x 1.5 Male ORB

Incl. 16, 17

1шт.

16

637-63193

O-RING,2.2mm Thk x 19.3mm ID, Cl 6, 90 Duro

Boss Seal

1шт.

17

238-6018

O-RING,0.07" Thk x 0.739" ID, -18, Cl 6, 90 Duro

Face Seal

1шт.

18

87400278

RETAINER

Retainer Bracket

1шт.

19

627-12020

BOLT,Hex, M12 x 1.75 x 20mm, Cl 10.9, Full Thd

2шт.

20

895-11012

WASHER,13.5mm ID x 24mm OD x 2.5mm Thk

2шт.

21

365751A2

HOSE ASSY.

1142 mm ( 45 in ); Steering Return

1шт.

21

87319752

HOSE ASSY.

1142mm ( 45 in ); Replaces 365751A2

1шт.

87307518

VALVE, CHECK

Used With 87319752; Not Illustrated

1шт.

22

700-303

ELBOW,90 Degree Elbow, 9/16" - 18 Male ORFS x M12 x 1.5 Male ORB

Incl. 23, 24

1шт.

23

637-63093

O-RING,2.2mm Thk x 9.3mm ID, Cl 6, 90 Duro

Boss Seal

1шт.

24

238-6011

O-RING,0.07" Thk x 0.301" ID, -11, Cl 6, 90 Duro

Face Seal

1шт.

25

700-162

HYD CONNECTOR,13/16" - 16 Male ORFS x M22 x 1.5 Male ORB

Incl. 26, 27

1шт.

26

238-6014

O-RING,0.07" Thk x 0.489" ID, -14, Cl 6, 90 Duro

Face Seal

1шт.

27

637-63193

O-RING,2.2mm Thk x 19.3mm ID, Cl 6, 90 Duro

Boss Seal

1шт.

Выбрано товаров: 32