Запчасти Case 521D (06-23A) - AXLE, FRONT - HOUSING (06) - POWER TRAIN

Схема запчастей Case 521D - (06-23A) - AXLE, FRONT - HOUSING (06) - POWER TRAIN
17
30
5
25
15
29
23
3
1
20
2
6
7
28
13
26
12
6
5
9
4
21
22
30
11
14
29
16
8
27
18
2
24
19
10
FIT
1:1
100%

Артикул

Название

Примечание

Количество

87430404

FRONT AXLE

Limited Slip; Incl. Figure(s) 06-23A - 06-23E; Incl. 1 - 29

1шт.

87313909

FRONT AXLE

Limited Slip; See Figure(s) 06-23A - 06-23E; Oil Filled; Replaces 87430404; Compnents Same As 87430404

1шт.

87358576

FRONT AXLE

Limited Slip; See Figure(s) 06-23A - 06-23E; Same As 87313909 Except Wheel End Assembly Changes

1шт.

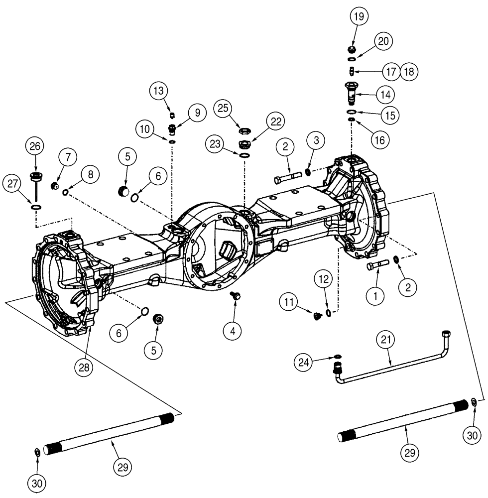
1

514-1107

BOLT,Hex, M18 x 1.5 x 85mm, Cl 10.9

28шт.

2

8603670

BOLT

M18 x 115

4шт.

3

8603202

WASHER

32шт.

4

8603206

BOLT

12шт.

5

8603549

PLUG

2шт.

6

8605636

O-RING,2.2mm Thk x 33mm ID

2шт.

7

8603550

PLUG

1шт.

8

8603208

O-RING,2mm Thk x 21mm ID

1шт.

9

8603256

PLUG

1шт.

10

8603208

O-RING,2mm Thk x 21mm ID

1шт.

12

8603200

SEALING RING

2шт.

13

8603201

BREATHER

1шт.

14

8603551

FITTING

2шт.

15

8603727

O-RING,2.2mm Thk x 33mm ID

2шт.

16

8603552

GASKET

2шт.

17

3222214R1

VALVE

Breather; Incl. 18

2шт.

18

NSS

NOT SOLD SEPARAT

Dust Cap

2шт.

19

8603210

PLUG

M26 - 1,5

2шт.

20

8603799

RING

26 x 31 mm

2шт.

21

87436733

TUBE

Internal Brake

2шт.

22

8603696

FITTING

Incl. 23

2шт.

23

8603207

O-RING,2.5mm Thk x 38mm ID

2шт.

24

8603725

O-RING

2шт.

25

8603619

TUBE NUT

2шт.

26

8603694

DIPSTICK

Oil

1шт.

27

8603207

O-RING,2.5mm Thk x 38mm ID

1шт.

28

8603668

AXLE HOUSING

1шт.

29

8603555

HALF SHAFT

2шт.

30

8603669

SHIM,0.4mm Thk

1шт.

30

8603730

SHIM,0.2mm Thk

1шт.

30

8603732

SHIM,1.5mm Thk

1шт.

30

8603731

SHIM,1mm Thk

1шт.

Выбрано товаров: 35