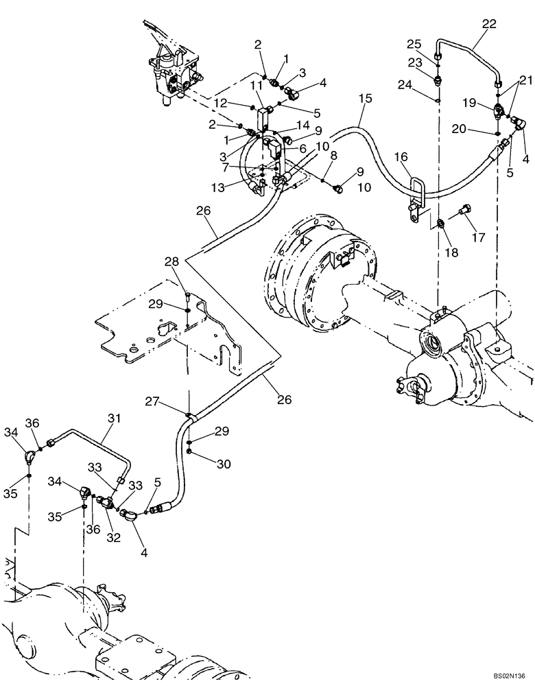
Запчасти Case 521D (07-07) - HYDRAULICS - BRAKE, MAIN - AXLES - IF USED (07) - BRAKES

Схема запчастей Case 521D - (07-07) - HYDRAULICS - BRAKE, MAIN - AXLES - IF USED (07) - BRAKES
23
36
4
18
9
4
29
22
14
3
20
7
21
5
13
34
36
26
33
10
32
26
5
1
16
1
27
17
15
34
19
2
12
9
31
10
6
2
29
25
24
11
35
3
10
28
30
5
33
4
35
FIT
1:1
100%

Артикул

Название

Примечание

Количество

REF

INSTRUCTION

MAIN BRAKE VALVE TO FRONT AND REAR AXLE

1шт.

1

700-169

HYD CONNECTOR,13/16" - 16 Male ORFS x M16 x 1.5 Male ORB

Incl. 2, 3

2шт.

2

637-63133

O-RING,2.2mm Thk x 13.3mm ID, Cl 6, 90 Duro

Boss Seal

1шт.

3

238-6014

O-RING,0.07" Thk x 0.489" ID, -14, Cl 6, 90 Duro

Face Seal

1шт.

4

701-320

ELBOW,90 Degree Elbow, 13/16" - 16 Male ORFS x 13/16" - 16 Female ORFS

12 mm Tube OD; Incl. 5

3шт.

5

238-6014

O-RING,0.07" Thk x 0.489" ID, -14, Cl 6, 90 Duro

Face Seal

1шт.

6

377754A1

FITTING

Incl. 7, 8

1шт.

7

238-6014

O-RING,0.07" Thk x 0.489" ID, -14, Cl 6, 90 Duro

Face Seal

1шт.

8

637-63113

O-RING,2.2mm Thk x 11.3mm ID, Cl 6

1шт.

9

178889A1

DIAGNOSTIC COUPLER

Incl. 10

2шт.

10

143349A1

DUST CAP

1шт.

11

372031A3

FITTING

Declutch; Incl. 12, 14

1шт.

12

238-6014

O-RING,0.07" Thk x 0.489" ID, -14, Cl 6, 90 Duro

Face Seal

1шт.

13

637-63153

O-RING,2.2mm Thk x 15.3mm ID, Cl 6, 90 Duro

1шт.

14

637-63113

O-RING,2.2mm Thk x 11.3mm ID, Cl 6

1шт.

15

86992269

FLEXIBLE HOSE

1735 mm ( 68-5-16 in ); Front Axle Brake

1шт.

16

408004A1

GUARD ASSY.

Hose

1шт.

17

627-20030

BOLT,Hex, M20 x 2.5 x 30mm, Cl 10.9, Full Thd

M20 x 30; 10,9

2шт.

18

895-11020

WASHER,M20 x 37 x 3

22 x 37 x 3 mm

2шт.

19

700-412

TEE,13/16" - 16 Male ORFS x 13/16" - 16 Male ORFS x M18 x 1.5 Male ORB

Incl. 20, 21

1шт.

20

238-6014

O-RING,0.07" Thk x 0.489" ID, -14, Cl 6, 90 Duro

Face Seal

1шт.

21

637-63153

O-RING,2.2mm Thk x 15.3mm ID, Cl 6, 90 Duro

1шт.

22

386823A1

TUBE

Rear Axle Brake

1шт.

23

700-102

HYD CONNECTOR,13/16" - 16 Male ORFS x M18 x 1.5 Male ORB

Incl. 24, 25

1шт.

24

637-63153

O-RING,2.2mm Thk x 15.3mm ID, Cl 6, 90 Duro

1шт.

25

238-6014

O-RING,0.07" Thk x 0.489" ID, -14, Cl 6, 90 Duro

Face Seal

1шт.

26

8605763

HOSE,12.7mm ID x 2679mm L, SAE 100R1

2679 mm ( 105-1/2 in ); Rear Axle Brake; Replaces 86994109

1шт.

27

515-24222

CLAMP,7/8", Insul, 7/16" Bolt

1шт.

29

895-11010

WASHER,11mm ID x 20mm OD x 2mm Thk

2шт.

30

832-10410

NUT,M10 x 1.5, Cl 8

1шт.

32

701-416

TEE,13/16" - 16 Male ORFS x 13/16" - 16 Male ORFS x 13/16" - 16 Female ORFS

12 MM, Incl. 33

1шт.

33

238-6014

O-RING,0.07" Thk x 0.489" ID, -14, Cl 6, 90 Duro

Face Seal

1шт.

34

700-305

ELBOW,90 Degree Elbow, 13/16" - 16 Male ORFS x M18 x 1.5 Male ORB

12 mm ORFS x M18 ORB; Incl. 35, 36

2шт.

35

238-6014

O-RING,0.07" Thk x 0.489" ID, -14, Cl 6, 90 Duro

Face Seal

1шт.

36

637-63153

O-RING,2.2mm Thk x 15.3mm ID, Cl 6, 90 Duro

1шт.

37

386735A1

TUBE

Front Axle Brake; Not Illustrated

1шт.

28

627-10030

BOLT,Hex, M10 x 1.5 x 30mm, Cl 10.9, Full Thd

1шт.

Выбрано товаров: 37