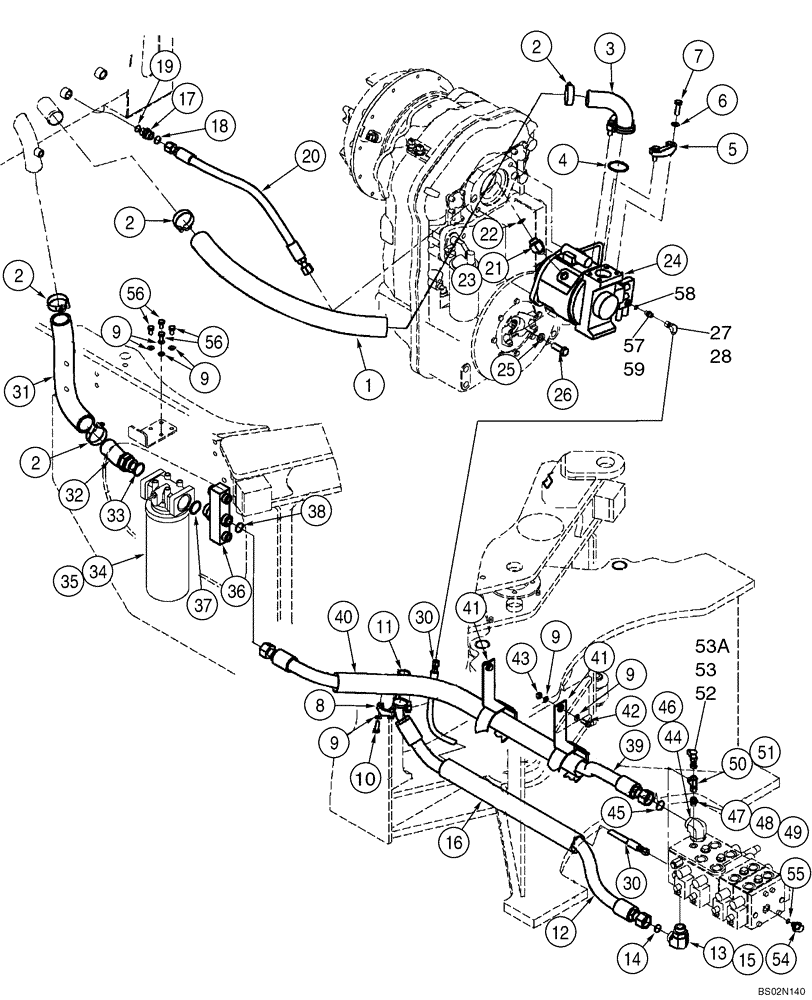
Запчасти Case 521D (08-02) - HYDRAULICS - RESERVOIR TO HYDRAULIC PUMP (08) - HYDRAULICS

Схема запчастей Case 521D - (08-02) - HYDRAULICS - RESERVOIR TO HYDRAULIC PUMP (08) - HYDRAULICS
25
54
55
26
38
1
40
13
8
15
47
42
44
3
39
45
9
56
50
52
41
11
33
28
9
53
2
24
9
59
2
35
10
49
16
2
46
2
23
48
4
41
53a
19
12
43
57
22
6
14
20
30
5
17
21
27
9
30
58
9
34
32
56
18
36
51
31
37
7
FIT
1:1
100%

Артикул

Название

Примечание

Количество

REF

INSTRUCTION

RESERVOIR TO HYDRAULIC PUMP

1шт.

1

365454A1

HOSE,50.80 mm ID x 797.00, SAE 100R4

797 mm (31-3/8 in); Suction; Reservoir To Pump Inlet

1шт.

2

254026A1

HOSE CLAMP,44.45mm - 66.67mm

4шт.

3

365417A1

TUBE,50.8 mm OD, 130, 100 mm Length

Pump Suction

1шт.

4

238-5228

O-RING,0.139" Thk x 2.234" ID, -228, Cl 5, 75 Duro

1шт.

5

A14141

FLANGE

2шт.

6

895-11012

WASHER,13.5mm ID x 24mm OD x 2.5mm Thk

4шт.

7

627-12040

BOLT,Hex, M12 x 1.75 x 40mm, Cl 10.9, Full Thd

4шт.

8

A12306

FLANGE

2шт.

9

895-11010

WASHER,11mm ID x 20mm OD x 2mm Thk

8шт.

11

238-6219

O-RING,0.139" Thk x 1.296" ID, -219, Cl 6, 90 Duro

1шт.

12

404041A1

HOSE ASSY.

1290 mm (50-3/4 in); Pressure

1шт.

13

700-308

ELBOW,90 Degree Elbow, 1-7/16" - 12 Male ORFS x M33 x 2 Male ORB

Incl. 14, 15

1шт.

14

637-64296

O-RING,2.9mm Thk x 29.6mm ID, Cl 6, 90 Duro

Boss Seal

1шт.

15

238-6021

O-RING,15/16 X 1 - 1/16, Cl 6

Face Seal

1шт.

16

401525A1

HOSE PROTECTION,60.00 mm ID x 600.00 mm

1шт.

17

700-104

HYD CONNECTOR,1-3/16" - 12 Male ORFS x M27 x 2 Male ORB

Incl. 18, 19

1шт.

18

637-64236

O-RING,2.9mm Thk x 23.6mm ID, Cl 6, 90 Duro

Boss Seal

1шт.

19

238-6018

O-RING,0.07" Thk x 0.739" ID, -18, Cl 6, 90 Duro

Face Seal

1шт.

20

388557A1

HOSE ASSY.

812 mm; Case Drain

1шт.

21

700-307

ELBOW,90 Degree Elbow, 1-3/16" - 12 Male ORFS x M27 x 2 Male ORB

Incl. 22, 23

1шт.

22

637-64236

O-RING,2.9mm Thk x 23.6mm ID, Cl 6, 90 Duro

Boss Seal

1шт.

23

238-6018

O-RING,0.07" Thk x 0.739" ID, -18, Cl 6, 90 Duro

Face Seal

1шт.

24

8605847

HYDRAULIC PUMP

71 cc Torque Control; See Figure 08-14

1шт.

24

87436172

PUMP

Torque Control Set to Destroke At 158 Bar; Replaces 8605847; See Figure 08-14

1шт.

24

87436172R

REMAN-HYD PUMP

521D S/N JEE0135501 & AFTER (1/03-)

1шт.

24

87436172C

CORE-INJECTION PUMP

Return Number

1шт.

25

896-11016

WASHER,17.5mm ID x 30mm OD x 4mm Thk

2шт.

26

627-16045

BOLT,Hex, M16 x 2 x 45mm, Cl 10.9, Full Thd

2шт.

27

701-329

ELBOW,90 Degree Elbow, 9/16" - 18 Male ORFS x 9/16" - 18 Female ORFS

Incl. 28

1шт.

28

238-6011

O-RING,0.07" Thk x 0.301" ID, -11, Cl 6, 90 Duro

Face Seal

1шт.

30

366008A1

HOSE ASSY.

1442 mm (56-3/4 in); Load Sensing

1шт.

31

429045A1

HOSE

232 mm; Tank Return

1шт.

32

390208A2

ADAPTER

1шт.

33

637-64386

O-RING,2.9mm Thk x 38.6mm ID, Cl 6, 90 Duro

(1-1/2 ID x 7/64); Boss Seal

1шт.

34

REF

INSTRUCTION

Models With Ride Control; See Figure 08-03

1шт.

35

REF

INSTRUCTION

Models Without Ride Control; See Figure 08-03

1шт.

36

370524A2

MANIFOLD

Incl. 37, 38; 38A; If Used

1шт.

36

87308278

MANIFOLD

Incl. 37, 38; 38A; If Used

1шт.

36

87323806

MANIFOLD ASSY

Incl. 37, 38; 38A, 38B; Replaces 370524A2

1шт.

37

637-64386

O-RING,2.9mm Thk x 38.6mm ID, Cl 6, 90 Duro

(1-1/2 ID x 7/64); Boss Seal

1шт.

38

238-6018

O-RING,0.07" Thk x 0.739" ID, -18, Cl 6, 90 Duro

15/16 ID x 1/16; Face Seal

1шт.

38a

238-6021

O-RING,15/16 X 1 - 1/16, Cl 6

Face Seal

1шт.

38b

637-63193

O-RING,2.2mm Thk x 19.3mm ID, Cl 6, 90 Duro

Boss End

1шт.

39

365516A2

HOSE ASSY.

1613 mm (63-1/2 in ); Valve Return Hose

1шт.

40

401526A1

HOSE PROTECTION,60mm ID x 1200mm L

1шт.

41

401527A2

STRAP

Hose

2шт.

42

627-10025

BOLT,Hex, M10 x 1.5 x 25mm, Cl 10.9, Full Thd

2шт.

43

832-10410

NUT,M10 x 1.5, Cl 8

2шт.

44

895-15010

WASHER,11mm ID x 24mm OD x 2mm Thk

4шт.

47

700-153

HYD CONNECTOR,9/16" - 18 Male ORFS x M14 x 1.5 Male ORB

M8 fc sl x 14 orb; Incl. 48, 49

1шт.

48

238-6011

O-RING,0.07" Thk x 0.301" ID, -11, Cl 6, 90 Duro

Face Seal

1шт.

49

637-63113

O-RING,2.2mm Thk x 11.3mm ID, Cl 6

1шт.

50

701-421

TEE,9/16" - 18 Male ORFS x 9/16" - 18 Male ORFS x 9/16" - 18 Female ORFS

Incl. 51; Models With Ride Control

1шт.

51

238-6011

O-RING,0.07" Thk x 0.301" ID, -11, Cl 6, 90 Duro

Face Seal

1шт.

52

190117A1

COUPLING

Incl. 53, 53A; Models With Ride Control

1шт.

53

238-6011

O-RING,0.07" Thk x 0.301" ID, -11, Cl 6, 90 Duro

Face Seal

1шт.

53a

H434163

DUST CAP

1шт.

54

178889A1

DIAGNOSTIC COUPLER

Incl. 55

1шт.

55

637-63113

O-RING,2.2mm Thk x 11.3mm ID, Cl 6

1шт.

56

627-10020

BOLT,Hex, M10 x 1.5 x 20mm, Cl 10.9, Full Thd

4шт.

57

700-100

HYD CONNECTOR,9/16" - 18 Male ORFS x M12 x 1.5 Male ORB

Incl. 58, 59

1шт.

58

238-6011

O-RING,0.07" Thk x 0.301" ID, -11, Cl 6, 90 Duro

Face Seal

1шт.

59

637-63093

O-RING,2.2mm Thk x 9.3mm ID, Cl 6, 90 Duro

Boss Seal

1шт.

10

627-10030

BOLT,Hex, M10 x 1.5 x 30mm, Cl 10.9, Full Thd

6шт.

Выбрано товаров: 65