Качественные детали и логистика
Оригинальные и аналоговые запчасти с доставкой по России, Казахстану и Беларуси
©2022 PartSell ООО "Система" ИНН 2463123282 ОГРН 1212400004838
Центральный офис: г. Красноярск, Академика Киренского, д.87, пом.4
Телефон: 8 (800) 777-65-74 Email: zakaz@partsell.ru
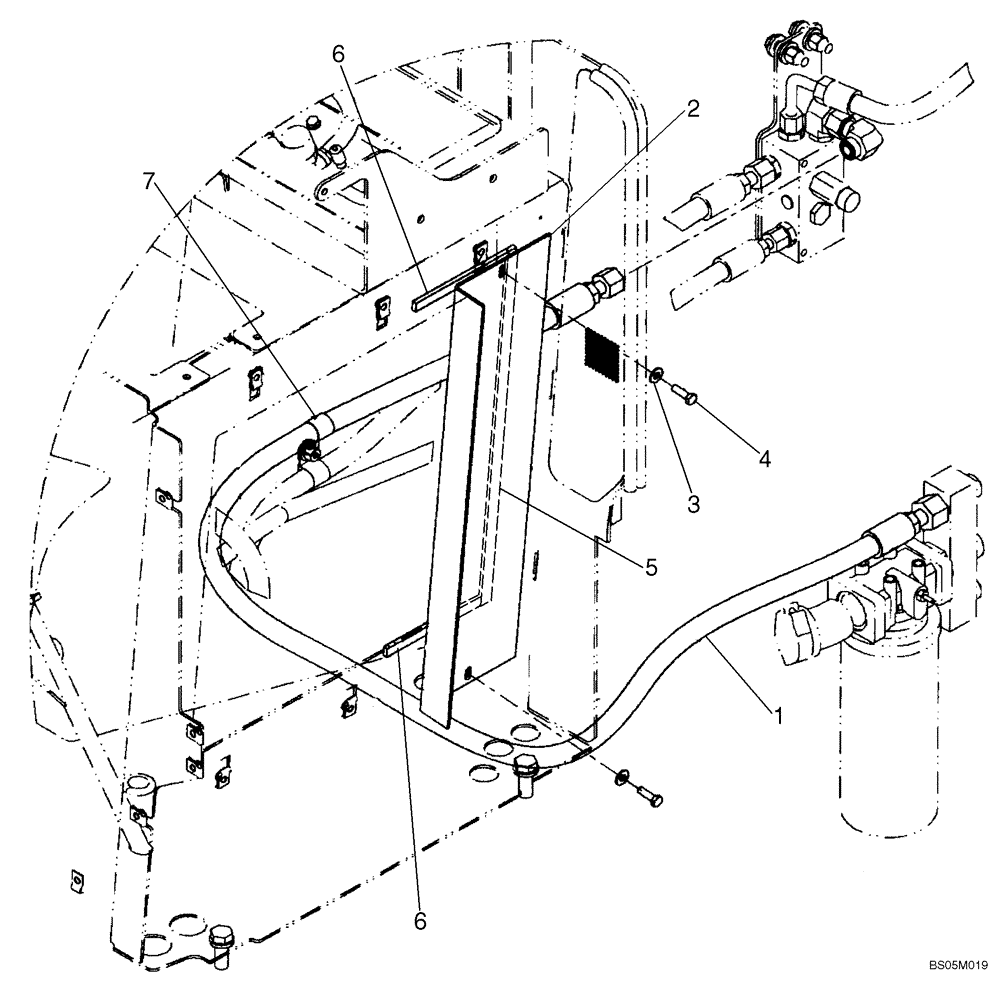
(08-03A) - HYDRAULICS - FAN - RETURN LINES
№
Артикул
Название
Примечание
Количество
1
431706A1
HOSE ASSY.
1944 mm ( 76-1/2 in ); Fan Drive Return
1шт.
2
385688A1
PLATE
No Hydraulic Cooler
3
895-15008
WASHER,9mm ID x 20mm OD x 1.6mm Thk
2шт.
5
382258A1
OIL SEAL
Oil Cooler
6
382260A1
SEAL
Cooler
7
515-25254
CLAMP,1", Insul, 1/2" Bolt
(25.4 mm; M12 Bolt)
4
627-8025
BOLT,Hex, M8 x 1.25 x 25mm, Cl 10.9, Full Thd
Выбрано товаров: 0