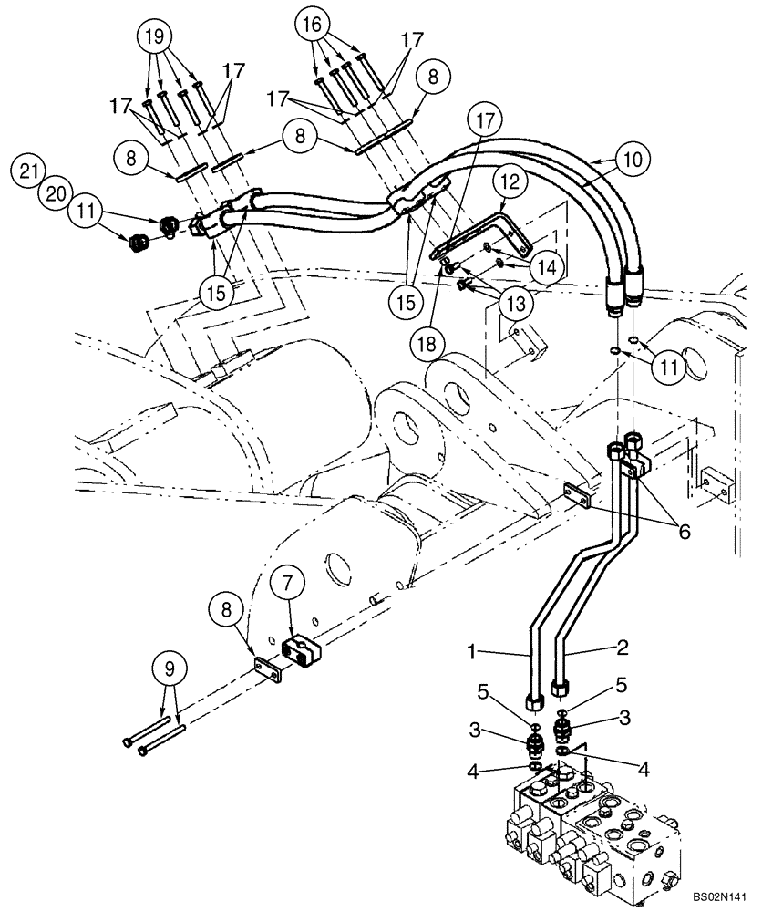
Запчасти Case 521D (08-08) - HYDRAULICS - LOADER AUXILIARY (Z BAR LOADER) (08) - HYDRAULICS

Схема запчастей Case 521D - (08-08) - HYDRAULICS - LOADER AUXILIARY (Z BAR LOADER) (08) - HYDRAULICS
11
15
7
3
8
5
17
19
4
20
1
15
11
5
8
8
3
17
2
16
13
17
6
9
10
17
18
12
17
8
4
21
14
FIT
1:1
100%

Артикул

Название

Примечание

Количество

REF

INSTRUCTION

Z-BAR LOADER

1шт.

REF

INSTRUCTION

THREE SPOOL

1шт.

1

87405793

HYD TUBE,19.05 mm OD x 610, 130 mm L

Left Hand

1шт.

2

87405795

HYD TUBE,19.05 mm OD x 610, 150 mm L

Right Hand

1шт.

3

700-104

HYD CONNECTOR,1-3/16" - 12 Male ORFS x M27 x 2 Male ORB

Incl. 4, 5

2шт.

4

238-6018

O-RING,0.07" Thk x 0.739" ID, -18, Cl 6, 90 Duro

Face Seal

1шт.

5

637-64236

O-RING,2.9mm Thk x 23.6mm ID, Cl 6, 90 Duro

Boss Seal

1шт.

6

367658A1

PLATE

2шт.

7

379374A1

BLOCK

Mounting

2шт.

8

367658A1

PLATE

2шт.

10

391131A2

HOSE ASSY.

1774 mm (69-7/8 in); Incl. 11

2шт.

11

238-6018

O-RING,0.07" Thk x 0.739" ID, -18, Cl 6, 90 Duro

Face Seal

2шт.

12

396918A1

BRACKET

1шт.

13

627-10025

BOLT,Hex, M10 x 1.5 x 25mm, Cl 10.9, Full Thd

2шт.

14

895-11010

WASHER,11mm ID x 20mm OD x 2mm Thk

2шт.

15

372453A1

BLOCK

Mounting

4шт.

16

827-10080

BOLT,Hex, M10 x 1.5 x 80mm, Cl 10.9

4шт.

17

895-11010

WASHER,11mm ID x 20mm OD x 2mm Thk

4шт.

18

832-10410

NUT,M10 x 1.5, Cl 8

4шт.

19

827-10070

BOLT,Hex, M10 x 1.5 x 70mm, Cl 10.9

4шт.

20

701-914

PLUG,Hex, 1-3/16" - 12 ORFS

Incl. 21

2шт.

21

238-6018

O-RING,0.07" Thk x 0.739" ID, -18, Cl 6, 90 Duro

Face Seal

1шт.

9

827-10060

BOLT,Hex, M10 x 1.5 x 60mm, Cl 10.9

4шт.

Выбрано товаров: 23