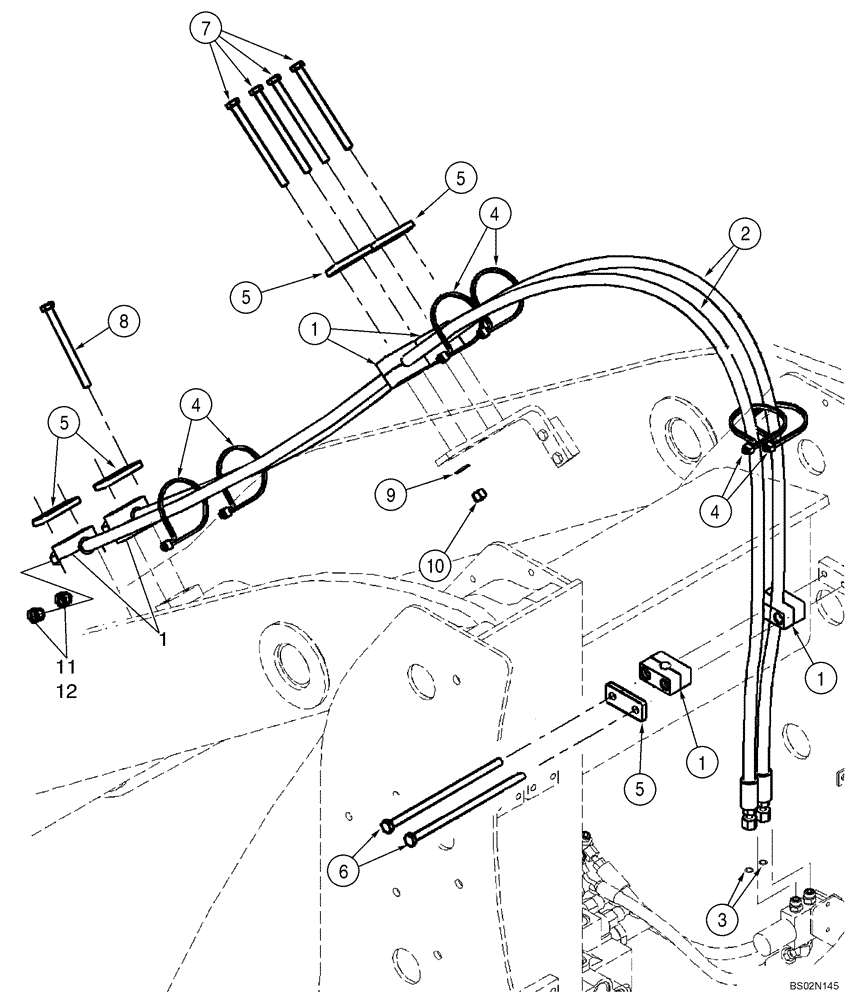
Запчасти Case 521D (08-13) - HYDRAULICS - COUPLER (XT LOADER) - IF USED (08) - HYDRAULICS

Схема запчастей Case 521D - (08-13) - HYDRAULICS - COUPLER (XT LOADER) - IF USED (08) - HYDRAULICS
4
11
1
8
10
1
6
5
12
1
3
5
4
5
2
5
7
9
1
4
FIT
1:1
100%

Артикул

Название

Примечание

Количество

REF

INSTRUCTION

XT LOADER

1шт.

1

379374A1

BLOCK

Mounting

6шт.

2

379428A1

HOSE ASSY.

2865 mm (112-13/16 in)

2шт.

3

238-6012

O-RING,0.07" Thk x 0.364" ID, -12, Cl 6, 90 Duro

Face Seal

2шт.

4

L18331

CABLE TIE,375.9mm L, Nylon, Black

CABLE STRAP

6шт.

5

367658A1

PLATE

5шт.

6

827-10215

BOLT,Hex, M10 x 1.5 x 215mm, Cl 10.9

Three Spool

2шт.

6

827-10120

BOLT,Hex, M10 x 1.5 x 120mm, Cl 10.9

2 Spool

2шт.

7

827-10130

BOLT,Hex, M10 x 1.5 x 130mm, Cl 10.9

Three Spool

4шт.

7

827-10080

BOLT,Hex, M10 x 1.5 x 80mm, Cl 10.9

Two Spool

4шт.

8

827-10120

BOLT,Hex, M10 x 1.5 x 120mm, Cl 10.9

3 Spool

4шт.

8

827-10070

BOLT,Hex, M10 x 1.5 x 70mm, Cl 10.9

Two Spool

4шт.

9

895-11010

WASHER,11mm ID x 20mm OD x 2mm Thk

4шт.

10

832-10410

NUT,M10 x 1.5, Cl 8

4шт.

11

701-911

PLUG,Hex, 11/16" - 16 ORFS

Incl. 12

2шт.

12

238-6012

O-RING,0.07" Thk x 0.364" ID, -12, Cl 6, 90 Duro

Face Seal

1шт.

Выбрано товаров: 16