Запчасти Case 521D (08-24) - VALVE, CONTROL - MOUNTING, THREE SPOOL (08) - HYDRAULICS

Схема запчастей Case 521D - (08-24) - VALVE, CONTROL - MOUNTING, THREE SPOOL (08) - HYDRAULICS
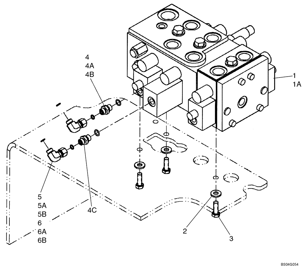
6a
6b
5b
4
6
3
5
1a
4a
2
4b
5a
1
4c
FIT
1:1
100%

Артикул

Название

Примечание

Количество

REF

INSTRUCTION

THREE SPOOL

1шт.

1

87411110

CONTROL VALVE

Z-Bar Loader; If Used; See Fig.; 08-17, 21, 22

1шт.

1

87307983

HYDRAULIC VALVE

Z-Bar Loader; If Used; See Fig.; 08-19A - 19C

1шт.

1

87307983R

REMAN-HYD VALVE

Reman Valve - Z-Bar Loader; If Used; See Fig.; 08-19A - 19C

1шт.

1

87307983C

CORE-VALVE HYD

Return Number

1шт.

1a

87411113

CONTROL VALVE

XT Loader; If Used; See Fig.; 08-18, 21, 22

1шт.

1a

87680516

HYDRAULIC VALVE

VALVE, HYDRAULIC, XT Loader; If Used; Replaces 87307988; See Fig.; 08-20A - 20C

1шт.

2

896-15010

WASHER,11mm ID x 24mm OD x 3mm Thk

3шт.

4

700-153

HYD CONNECTOR,9/16" - 18 Male ORFS x M14 x 1.5 Male ORB

Incl. 4A, 4B

2-1шт.

4a

238-6011

O-RING,0.07" Thk x 0.301" ID, -11, Cl 6, 90 Duro

Face Seal

1шт.

4b

637-63113

O-RING,2.2mm Thk x 11.3mm ID, Cl 6

1шт.

4c

REF

INSTRUCTION

NOT USED IN THIS APPLICATION FOR XT MODELS

1шт.

5

701-329

ELBOW,90 Degree Elbow, 9/16" - 18 Male ORFS x 9/16" - 18 Female ORFS

Incl. 5A

2-1шт.

5a

238-6011

O-RING,0.07" Thk x 0.301" ID, -11, Cl 6, 90 Duro

Face Seal

1шт.

REF

INSTRUCTION

Used On XT Loader

1шт.

6

700-378

ELBOW,90 Degree Elbow, 9/16" - 18 Male ORFS x M14 x 1.5 Male ORB

Incl. 6A, 6B

1шт.

6a

238-6011

O-RING,0.07" Thk x 0.301" ID, -11, Cl 6, 90 Duro

Face Seal

1шт.

6b

637-63113

O-RING,2.2mm Thk x 11.3mm ID, Cl 6

1шт.

3

627-10030

BOLT,Hex, M10 x 1.5 x 30mm, Cl 10.9, Full Thd

3шт.

Выбрано товаров: 19