Запчасти Case 521D (08-41) - HYDRAULICS - LOADER CONTROL (08) - HYDRAULICS

Схема запчастей Case 521D - (08-41) - HYDRAULICS - LOADER CONTROL (08) - HYDRAULICS
1
3
9
19
15
8
4
17
20
6
16
21
20
12
11
19
8
18
1
9
12
5
2
8
2
18
2
4
10
4
FIT
1:1
100%

Артикул

Название

Примечание

Количество

REF

INSTRUCTION

DUAL LEVER WITH TWO SPOOL VALVE

1шт.

1

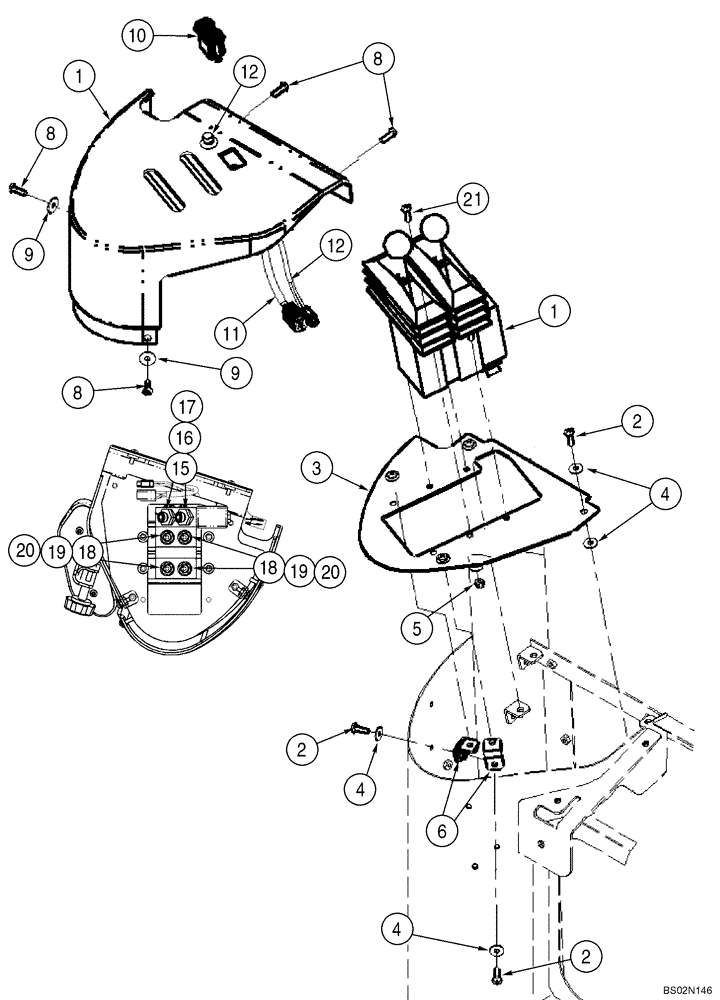
407868A2

VALVE, CONTROL

Dual Lever With Two Spool Valve; See Figure 08-26

1шт.

2

840-1620

SCREW,Pan, M6 x 20mm, Cl 4.8

6шт.

3

407999A2

PLATE

1шт.

4

895-25006

WASHER,6.6mm ID x 18mm OD x 1.6mm Thk

6шт.

5

832-10405

NUT,M5 x .8, Cl 8

4шт.

6

400843A2

BRACKET

2шт.

7

407870A1

COVER

1шт.

8

239105A1

SCREW,Cross Pan Hd, M6 x 20mm

4шт.

9

1990502C1

WASHER

1/4 x 13/16 x 1/16 in

2шт.

10

400833A2

SWITCH

Forward/Neutral/Reverse

1шт.

11

402060A1

WIRE HARNESS

Forward/Neutral/Reverse Switch

1шт.

12

402390A1

SWITCH

Downshift; Incl. 13, 14

1шт.

13

NSS

NOT SOLD SEPARAT

Washer, Lock; Not Illustrated

1шт.

14

NSS

NOT SOLD SEPARAT

Nut; Not Illustrated

1шт.

15

700-315

ELBOW,45 Degree Elbow, 11/16" - 16 Male ORFS x M14 x 1.5 Male ORB

M10 fc sl x 14 orb; Incl. 16, 17

2шт.

16

238-6012

O-RING,0.07" Thk x 0.364" ID, -12, Cl 6, 90 Duro

Face Seal

1шт.

17

637-63113

O-RING,2.2mm Thk x 11.3mm ID, Cl 6

1шт.

18

700-153

HYD CONNECTOR,9/16" - 18 Male ORFS x M14 x 1.5 Male ORB

M8 fc sl x 14 orb; Incl. 19, 20

4шт.

19

238-6011

O-RING,0.07" Thk x 0.301" ID, -11, Cl 6, 90 Duro

Face Seal

1шт.

20

637-63113

O-RING,2.2mm Thk x 11.3mm ID, Cl 6

1шт.

21

840-1516

SCREW,Pan, M5 x 16mm, Cl 4.8

4шт.

Выбрано товаров: 22