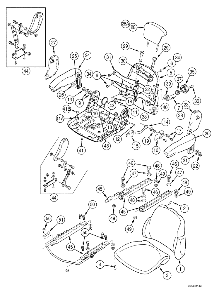
Запчасти Case 521D (09-30) - SEAT ASSY, MECHANICAL SUSPENSION (09) - CHASSIS

Схема запчастей Case 521D - (09-30) - SEAT ASSY, MECHANICAL SUSPENSION (09) - CHASSIS
46
29
6
35
4
15
41b
30
50
13
27
45
26
32
9
21
47
49
42
50
48
43
10
14
1
12
48
7
29
48
17
2
11
41a
47
28
19
49
45
45
46
22
6
41
28a
13
31
18
33
25
5
44
3
37
50
39
49
20
49
38
34
36
34
44
51
24
46
23
40
16
FIT
1:1
100%

Артикул

Название

Примечание

Количество

REF

INSTRUCTION

UPPER SEAT ASSEMBLY

1шт.

399261A1

DRIVER SEAT

Vinyl; Mechanical Suspension; Includes 345788A1, 346085A1, 1 - 51; See Figure 09-31

1шт.

346085A1

SEAT

Suspension Assembly; Not Illustrated; See Figure 09-31

1шт.

345778A1

REPAIR KIT

Vinyl; Upper Seat Assembly; Incl. 1 - 51

1шт.

346086A1

PLATE

Cloth; Upper Seat Assembly; Incl. 1 - 51

1шт.

406877A1

CUSHION

Vinyl; Incl. 1, 2

1шт.

406866A1

CUSHION

Cloth; Incl. 1, 2

1шт.

1

NSS

NOT SOLD SEPARAT

Cushion; Backrest

1шт.

2

345726A1

SCREW

4шт.

406878A1

CUSHION, SEAT

Vinyl; Incl. 3, 4

1шт.

406867A1

CUSHION, SEAT

Cloth; Incl. 3, 4

1шт.

2

87344451

CUSHION, SEAT

Cloth; Replaces 406867A1

1шт.

3

NSS

NOT SOLD SEPARAT

Cushion; Seat

1шт.

4

345726A1

SCREW

4шт.

345764A1

BACKREST

Incl. 5 - 7

1шт.

5

NSS

NOT SOLD SEPARAT

Cover

1шт.

6

345731A1

SCREW

7шт.

7

345771A1

RIVET

3шт.

345778A1

REPAIR KIT

Hardware; Backrest Adjustment; Incl. 9 - 19

1шт.

9

934058R1

WASHER,8.4mm ID x 15mm OD x 1.6mm Thk

2шт.

10

345743A1

SPRING

1шт.

11

345748A1

SCREW

M8 x 40

1шт.

12

864-8016

HEX SOC SCREW,M8 x 16mm, Cl 8.8

2шт.

13

60-4845T1

NUT

2шт.

14

345749A1

LEVER

1шт.

15

345752A1

HANDLE

1шт.

16

345753A1

PLATE

1шт.

17

345754A1

SCREW

M6 x 10

3шт.

18

345774A1

BUSHING

1шт.

19

345776A1

SCREW

M8 x 18

1шт.

20

398151A1

ARMREST

Left Hand; Incl. 21, 22

1шт.

21

345729A1

WASHER

1шт.

22

832-10408

NUT,M8 x 1.25, Cl 8.8

1шт.

23

345741A1

COVER

Left Hand

1шт.

24

398152A1

ARMREST

Right Hand; Incl. 25, 26

1шт.

25

345729A1

WASHER

1шт.

26

832-10408

NUT,M8 x 1.25, Cl 8.8

1шт.

27

345756A1

COVER

Right Hand

1шт.

28

346303A1

SEAT HEADREST

Vinyl

1шт.

28a

345727A1

SEAT HEADREST

Cloth

1шт.

29

345765A1

FERRULE

If Used

2шт.

30

345766A1

RETAINER

If Used

1шт.

345767A1

SUPPORT

Lumbar Support; Incl. 31 - 40

1шт.

31

345732A1

PLATE

2шт.

32

345733A1

PLATE

1шт.

33

345730A1

ROD

1шт.

34

345731A1

SCREW

7шт.

35

345769A1

HANDLE

Incl. 36

1шт.

36

345768A1

SCREW

M6 x 10

1шт.

37

345770A1

PAWL

1шт.

38

345771A1

RIVET

3шт.

39

345772A1

SUPPORT

1шт.

40

345773A1

LEVER

1шт.

41

345747A1

FRAME

Incl. 41A, 41B

1шт.

41a

345737A1

GUIDE

4шт.

41b

345777A1

RIVET

4шт.

42

345786A1

STOP

If Used

1шт.

43

832-10408

NUT,M8 x 1.25, Cl 8.8

If Used

1шт.

44

345785A1

KIT

Tether Belt

1шт.

45

345783A1

RAIL ASSY.

Seat Slide Rails; See Figure 09-31

1шт.

46

16043224

BOLT,Hex, M8 x 16mm, Cl 8.8

If Used

4шт.

47

345729A1

WASHER

If Used

3шт.

48

934058R1

WASHER,8.4mm ID x 15mm OD x 1.6mm Thk

If Used

4шт.

49

345728A1

NUT

M8; If Used

4шт.

50

864-8025

HEX SOC SCREW,M8 x 25mm, Cl 8.8

If used

6шт.

51

346103A1

SUPPORT

1шт.

Выбрано товаров: 66